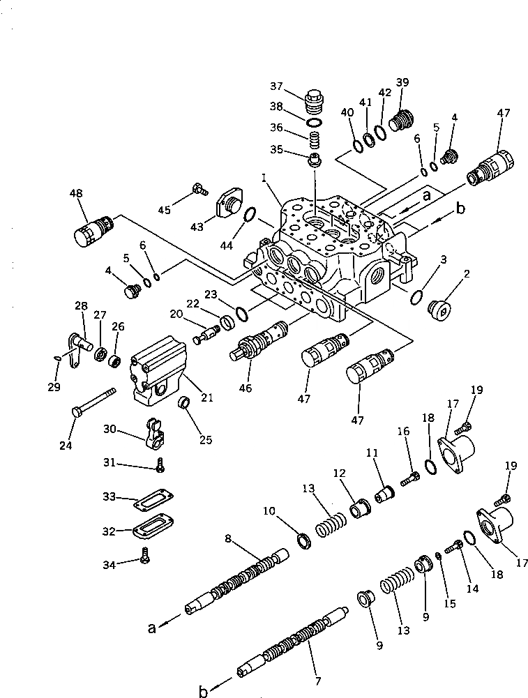
Запчасти Komatsu WA300-1 3-Х СЕКЦИОНН. КОНТРОЛЬН. КЛАПАН (/) УПРАВЛ-Е РАБОЧИМ ОБОРУДОВАНИЕМ

Схема запчастей Komatsu WA300-1 - 3-Х СЕКЦИОНН. КОНТРОЛЬН. КЛАПАН (/) УПРАВЛ-Е РАБОЧИМ ОБОРУДОВАНИЕМ
FIT
1:1
100%

Артикул

Название

Примечание

Количество

|$0

700-93-39002

VALVE ASS'Y

SN: .-UP

1шт.

|$1

0

VALVE ASS'Y

SN: 10001-.

1шт.

|$$3

THESE ASSEMBLIES CONSIST OF ALL PARTS SHOWN IN FIGS.6281 AND 6282.

-1шт.

1

0

BODY

SN: 10001-UP

1шт.

2

07040-13618

PLUG

SN: 10001-UP

1шт.

3

07002-13634

O-RING

SN: 10001-UP

1шт.

4

700-22-11360

PLUG

SN: 10001-UP

2шт.

5

07002-02434

O-RING

SN: 10001-UP

2шт.

6

07000-02014

O-RING

SN: 10001-UP

2шт.

7

0

SPOOL,DUMP AND ATTACHIMENT

SN: 10001-UP

2шт.

8

0

SPOOL,LIFT

SN: 10001-UP

1шт.

9

700-93-11870

RETAINER

SN: 10001-UP

4шт.

10

700-92-11340

RETAINER

SN: 10001-UP

1шт.

11

700-92-11360

RETAINER

SN: 10001-UP

1шт.

12

700-92-11351

COLLAR

SN: .-UP

1шт.

12

0

COLLAR

SN: 10001-.

1шт.

13

700-93-11880

SPRING

SN: 10001-UP

3шт.

14

01252-31016

BOLT

SN: 10001-UP

2шт.

15

01643-31032

WASHER

SN: 10001-UP

2шт.

16

01252-31040

BOLT

SN: 10001-UP

1шт.

17

700-93-11920

CASE

SN: 10001-UP

3шт.

18

07430-71380

O-RING

SN: 10001-UP

3шт.

19

01252-30820

BOLT

SN: 10001-UP

6шт.

20

700-92-11260

JOINT

SN: 10001-UP

3шт.

21

700-93-11710

CASE,LEVER

SN: 10001-UP

3шт.

22

700-93-11720

COLLAR

SN: 10001-UP

3шт.

23

07430-71380

O-RING

SN: 10001-UP

3шт.

24

700-93-11730

BOLT

SN: 10001-UP

12шт.

25

700-93-11740

BEARING

SN: 10001-UP

3шт.

26

700-93-11750

BEARING

SN: 10001-UP

3шт.

27

700-93-11762

SEAL,OIL

SN: 10001-UP

3шт.

28

700-92-11270

LEVER

SN: 10001-UP

3шт.

29

04010-00416

KEY

SN: 10001-UP

3шт.

30

700-93-11780

LEVER

SN: 10001-UP

3шт.

31

01010-30825

BOLT

SN: 10001-UP

3шт.

32

700-93-11790

PLATE

SN: 10001-UP

3шт.

33

700-93-11810

GASKET

SN: 10001-UP

3шт.

34

01010-30820

BOLT

SN: 10001-UP

12шт.

35

700-93-11461

VALVE,CHECK

SN: 10001-UP

3шт.

36

700-93-11471

SPRING

SN: 10001-UP

3шт.

37

700-93-11481

PLUG

SN: 10001-UP

3шт.

38

07002-13634

O-RING

SN: 10001-UP

3шт.

39

700-93-11350

PLUG

SN: 10001-UP

1шт.

40

700-93-11320

O-RING

SN: 10001-UP

1шт.

41

700-93-11330

RING,BACK-UP

SN: 10001-UP

1шт.

42

07002-03634

O-RING

SN: 10001-UP

1шт.

43

700-93-12110

FLANGE

SN: 10001-UP

1шт.

44

07000-03035

O-RING

SN: 10001-UP

1шт.

45

01010-51025

BOLT

SN: 10001-UP

2шт.

46

700-93-56000

VALVE ASS'Y,MAIN RELIEF

SN: 10001-UP

1шт.

47

700-90-76000

VALVE ASS'Y,SUCTION AND SAFETY

SN: 10001-UP

4шт.

48

700-90-88000

VALVE ASS'Y,SUCTION

SN: 10001-UP

1шт.

Выбрано товаров: 52