Запчасти Komatsu WA300-1 ЭЛЕКТРИКА (КОНСОЛЬН. БЛОК¤ ПРАВ.) (TBG/ABE СПЕЦ-Я.)(№-9999) СПЕЦ. APPLICATION ЧАСТИ

Схема запчастей Komatsu WA300-1 - ЭЛЕКТРИКА (КОНСОЛЬН. БЛОК¤ ПРАВ.) (TBG/ABE СПЕЦ-Я.)(№-9999) СПЕЦ. APPLICATION ЧАСТИ
FIT
1:1
100%

Артикул

Название

Примечание

Количество

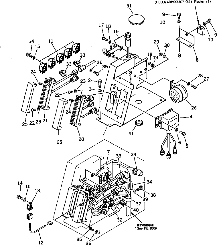
1

419-06-11131

BOX

SN: 10001-19999

1шт.

2

01010-50816

BOLT

SN: 10001-19999

4шт.

3

01643-30823

WASHER

SN: 10001-19999

4шт.

4

7861-72-3000

CONTROLLER ASS'Y

SN: 11070-19999

1шт.

4

0

CONTROLLER ASS'Y

SN: 10001-11069

1шт.

5

01010-50616

BOLT

SN: 10001-19999

4шт.

6

01643-30623

WASHER

SN: 10001-19999

4шт.

7

419-06-12680

WIRE ASS'Y

SN: 10001-19999

1шт.

8

419-06-11330

BRACKET

SN: 10001-19999

1шт.

9

01010-50616

BOLT

SN: 10001-19999

3шт.

10

01643-30623

WASHER

SN: 10001-19999

3шт.

11

287-06-16410

RELAY

SN: 10001-19999

5шт.

11

287-06-16420

BRACKET

SN: 10001-19999

5шт.

12

419-06-12530

WIRE ASS'Y

SN: 10001-19999

1шт.

13

421-06-11940

RELAY

SN: 10001-19999

1шт.

14

01010-50612

BOLT

SN: 10001-19999

6шт.

15

01643-30623

WASHER

SN: 10001-19999

6шт.

16

195-822-6151

LIGHTER

SN: 10001-19999

1шт.

17

01220-40410

SCREW

SN: 10001-19999

2шт.

18

01641-20405

WASHER

SN: 10001-19999

4шт.

19

01580-10403

NUT

SN: 10001-19999

2шт.

20

419-06-12380

BOX ASS'Y,FUSE

SN: 10001-19999

1шт.

21

419-06-12370

BOX ASS'Y,FUSE

SN: 10001-19999

1шт.

22

01220-40620

SCREW

SN: 10001-19999

4шт.

23

01641-20608

WASHER

SN: 10001-19999

4шт.

24

283-06-16190

FUSE, 10A

SN: 10001-19999

22шт.

24

22W-06-13160

FUSE, 20A

SN: 10001-19999

5шт.

25

283-06-16120

COVER

SN: 10001-19999

2шт.

26

08166-02480

BUZZER

SN: 10001-19999

1шт.

27

01220-40616

SCREW

SN: 10001-19999

2шт.

28

01640-20610

WASHER

SN: 10001-19999

2шт.

29

01580-10605

NUT

SN: 10001-19999

2шт.

30

01602-20619

WASHER,SPRING

SN: 10001-19999

2шт.

31

419-54-12280

COVER

SN: 10001-19999

1шт.

32

08052-01911

CLIP

SN: 10001-19999

3шт.

33

283-06-17120

CLIP

SN: 10001-19999

3шт.

34

08052-02711

CLIP

SN: 10001-19999

3шт.

35

01220-40608

SCREW

SN: 10001-19999

9шт.

36

01641-20608

WASHER

SN: 10001-19999

9шт.

37

08036-03014

CLIP

SN: 10001-19999

1шт.

38

01010-51016

BOLT

SN: 10001-19999

1шт.

39

01643-31032

WASHER

SN: 10001-19999

1шт.

40

08036-10614

CLIP

SN: 10001-19999

1шт.

41

08037-02512

GROMMET

SN: 10001-19999

1шт.

Выбрано товаров: 44