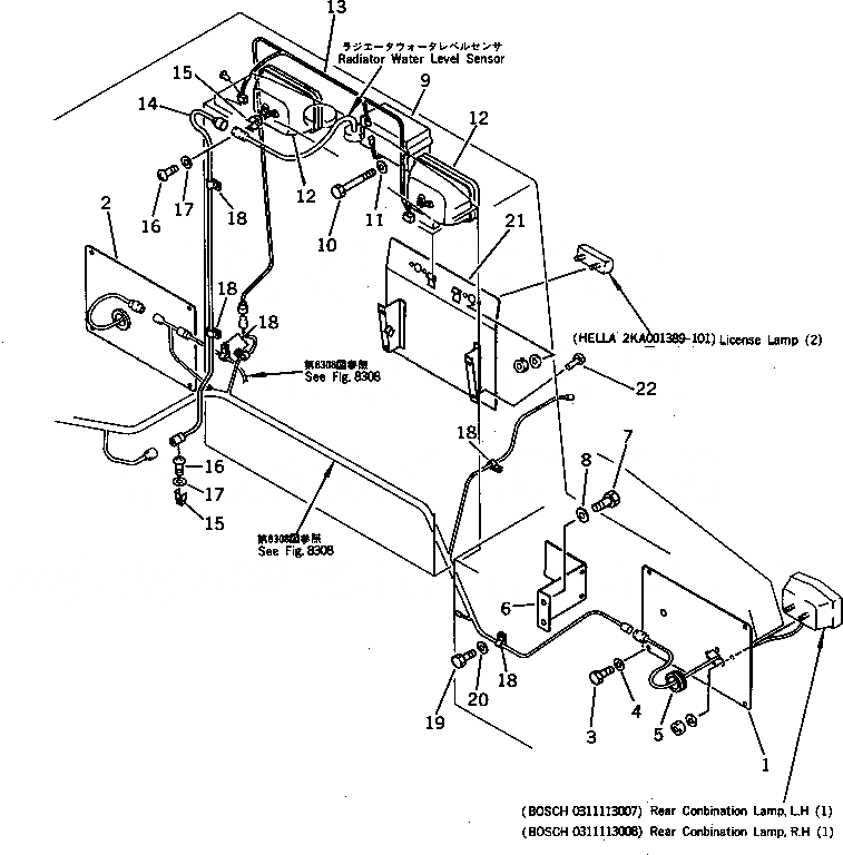
Запчасти Komatsu WA300-1 ЭЛЕКТРИКА (ЗАДН. ОСВЕЩЕНИЕ) (TBG/ABE СПЕЦ-Я.)(№-9999) СПЕЦ. APPLICATION ЧАСТИ

Схема запчастей Komatsu WA300-1 - ЭЛЕКТРИКА (ЗАДН. ОСВЕЩЕНИЕ) (TBG/ABE СПЕЦ-Я.)(№-9999) СПЕЦ. APPLICATION ЧАСТИ
FIT
1:1
100%

Артикул

Название

Примечание

Количество

1

419-06-13320

PLATE,L.H.

SN: 10001-19999

1шт.

2

419-06-13310

PLATE,R.H.

SN: 10001-19999

1шт.

3

01010-50820

BOLT

SN: 10001-19999

8шт.

4

01643-30823

WASHER

SN: 10001-19999

8шт.

5

08037-03614

GROMMET

SN: 10001-19999

2шт.

6

419-06-13330

BRACKET

SN: 10001-19999

1шт.

7

01010-51225

BOLT

SN: 10001-19999

2шт.

8

01643-31232

WASHER

SN: 10001-19999

2шт.

9

08164-00000

BUZZER,BACK-UP

SN: 10001-19999

1шт.

10

01011-51000

BOLT

SN: 10001-19999

2шт.

11

01643-31032

WASHER

SN: 10001-19999

2шт.

12

421-06-13202

WORK LAMP ASS'Y

SN: 10001-19999

2шт.

12

22W-06-12170

BULB

SN: 10001-19999

1шт.

12

421-06-13120

CUSHION

SN: 10001-19999

4шт.

13

419-06-12341

WIRE ASS'Y

SN: 10001-19999

1шт.

14

424-06-12122

WIRE ASS'Y

SN: 10001-19999

1шт.

15

283-06-17130

CLIP

SN: 10001-19999

2шт.

16

01220-40608

SCREW

SN: 10001-19999

2шт.

17

01641-20608

WASHER

SN: 10001-19999

2шт.

18

08036-10814

CLIP

SN: 10001-19999

6шт.

19

01010-50812

BOLT

SN: 10001-19999

2шт.

20

01643-30823

WASHER

SN: 10001-19999

2шт.

21

419-06-17120

BRACKET

SN: 10001-19999

1шт.

22

424-06-12940

RIVET

SN: 10001-19999

4шт.

Выбрано товаров: 0