Запчасти Komatsu WA300-1 ЗАДНИЕ ТОРМОЗА И КОНЕЧНАЯ ПЕРЕДАЧА ВЕДУЩ. ВАЛ¤ ДИФФЕРЕНЦ. И КОЛЕСА

Схема запчастей Komatsu WA300-1 - ЗАДНИЕ ТОРМОЗА И КОНЕЧНАЯ ПЕРЕДАЧА ВЕДУЩ. ВАЛ¤ ДИФФЕРЕНЦ. И КОЛЕСА
FIT
1:1
100%

Артикул

Название

Примечание

Количество

|$0

419-23-10004

AXLE ASS'Y,(EXCEPT JAPAN)

SN: 20001-UP

1шт.

|$1

0

AXLE ASS'Y,(EXCEPT JAPAN)

SN: 11421-19999

1шт.

|$2

419-23-10002

AXLE ASS'Y,(EXCEPT JAPAN)

SN: 10413-11420

1шт.

|$3

0

AXLE ASS'Y,(EXCEPT JAPAN)

SN: (10413-11415)

1шт.

|$4

419-23-10002

AXLE ASS'Y,(EXCEPT JAPAN)

SN: 10001-10412

1шт.

|$5

0

AXLE ASS'Y,(EXCEPT JAPAN)

SN: (10001-10379)

1шт.

|$$7

THESE ASSEMBLIES CONSIST OF ALL PARTS SHOWN IN FIGS.3201 TO 3221.

-1шт.

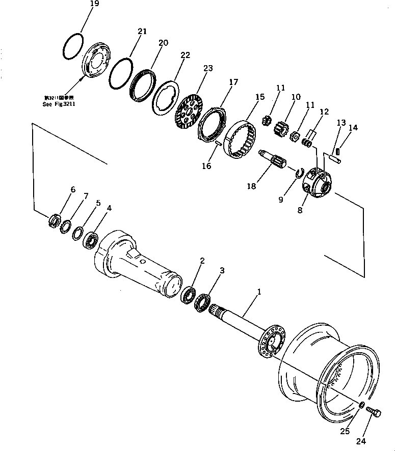
1

419-22-12411

SHAFT

SN: 10001-UP

2шт.

2

419-22-12850

BEARING

SN: 10001-UP

2шт.

3

419-22-12460

SEAL

SN: 10001-UP

2шт.

4

419-22-12840

BEARING

SN: 10001-UP

2шт.

5

419-22-12650

WASHER

SN: 10001-UP

2шт.

6

419-22-12630

NUT

SN: 10001-UP

2шт.

7

419-22-12641

WASHER

SN: 10001-UP

2шт.

8

419-22-12611

CARRIER

SN: 10001-UP

2шт.

9

419-22-12470

RING

SN: 10001-UP

2шт.

10

419-22-12532

GEAR

SN: 10001-UP

6шт.

11

419-22-12811

BEARING,CONE

SN: 10001-UP

12шт.

12

419-22-12260

SHIM, 1.0MM

SN: 10001-UP

3шт.

12

419-22-12270

SHIM, 1.2MM

SN: 10001-UP

3шт.

12

419-22-12280

SHIM, 1.4MM

SN: 10001-UP

3шт.

13

419-22-12510

SHAFT

SN: 10001-UP

6шт.

14

419-22-12570

PIN

SN: 10001-UP

6шт.

15

419-22-12541

GEAR

SN: 10001-UP

2шт.

16

419-22-12581

PIN

SN: 10001-UP

6шт.

17

419-33-11262

PLATE

SN: 10001-UP

2шт.

18

419-22-12422

SHAFT

SN: 10001-UP

2шт.

19

419-33-11420

O-RING

SN: 10001-UP

2шт.

20

419-33-11120

PISTON

SN: 10001-UP

2шт.

21

419-33-11410

O-RING

SN: 10001-UP

2шт.

22

419-33-11250

PLATE

SN: 10001-UP

2шт.

23

419-33-11243

DISC

SN: 10001-UP

2шт.

24

419-22-12870

BOLT

SN: 10001-UP

30шт.

25

01643-32460

WASHER

SN: 10001-UP

30шт.

Выбрано товаров: 34