Запчасти Komatsu WA300-1 ПОЛ СУППОРТ(№-9999) РАМА И ЧАСТИ КОРПУСА

Схема запчастей Komatsu WA300-1 - ПОЛ СУППОРТ(№-9999) РАМА И ЧАСТИ КОРПУСА
FIT
1:1
100%

Артикул

Название

Примечание

Количество

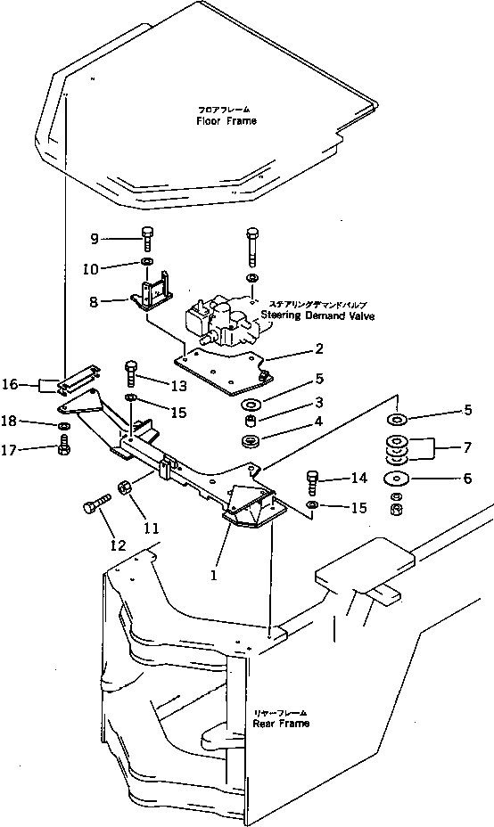
1

418-54-13111

SUPPORT,FLOOR

SN: 20001-29999

1шт.

2

418-54-13121

PLATE

SN: 20001-29999

1шт.

3

418-54-13180

COLLAR

SN: 20001-29999

3шт.

4

418-54-13161

CUSHION

SN: 20001-29999

3шт.

5

418-54-13151

CUSHION

SN: 20001-29999

6шт.

6

418-54-13220

WASHER

SN: 20001-29999

3шт.

7

418-54-13190

SHIM¤ 0.5MM

SN: 20001-29999

9шт.

8

418-54-13210

BRACKET

SN: 20001-29999

1шт.

9

01010-51240

BOLT

SN: 20001-29999

2шт.

10

01643-31232

WASHER

SN: 20001-29999

2шт.

11

01580-11210

NUT

SN: 20001-29999

2шт.

12

01016-51235

BOLT

SN: 20001-29999

2шт.

13

01010-51475

BOLT

SN: 20001-29999

3шт.

14

01010-51445

BOLT

SN: 20001-29999

4шт.

15

01643-31445

WASHER

SN: 20001-29999

7шт.

16

419-54-12840

SHIM¤ 1.0MM

SN: 20001-29999

8шт.

17

01010-51430

BOLT

SN: 20001-29999

4шт.

18

01643-31445

WASHER

SN: 20001-29999

4шт.

Выбрано товаров: 18