Запчасти Komatsu WA300-1 ПАНЕЛЬ ПРИБОРОВ(№-9999) КОМПОНЕНТЫ ДВИГАТЕЛЯ И ЭЛЕКТРИКА

Схема запчастей Komatsu WA300-1 - ПАНЕЛЬ ПРИБОРОВ(№-9999) КОМПОНЕНТЫ ДВИГАТЕЛЯ И ЭЛЕКТРИКА
FIT
1:1
100%

Артикул

Название

Примечание

Количество

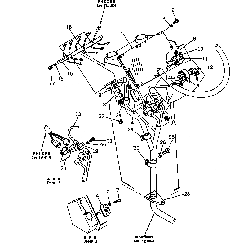
1

7861-51-3101

MONITOR ASS'Y (KM/H),(WITH EMERGENCY STEERING)

SN: 10986-19999

1шт.

|1

0

MONITOR ASS'Y (KM/H),(WITH EMERGENCY STEERING)

SN: 10001-19085

1шт.

|1

7861-51-1101

MONITOR ASS'Y (KM/H),(WITHOUT EMERGENCY STEERING)

SN: 10986-19999

1шт.

|1

0

MONITOR ASS'Y (KM/H),(WITHOUT EMERGENCY STEERING)

SN: 10001-10985

1шт.

|1

7861-51-5101

MONITOR ASS'Y (MPH),(WITH EMERGENCY STEERING)

SN: 10986-19999

1шт.

|1

0

MONITOR ASS'Y (MPH),(WITH EMERGENCY STEERING)

SN: 10001-10985

1шт.

|1

7861-51-4101

MONITOR ASS'Y (MPH),(WITHOUT EMERGENCY STEERING)

SN: 10986-19999

1шт.

|1

0

MONITOR ASS'Y (MPH),(WITHOUT EMERGENCY STEERING)

SN: 10001-10985

1шт.

2

01220-40620

SCREW

SN: 10001-19999

6шт.

3

01641-20608

WASHER

SN: 10001-19999

6шт.

4

23S-06-13270

LAMP ASS'Y,CAUTION

SN: 10001-@

1шт.

|4

08110-12410

BULB¤ 12W

SN: 10001-@

1шт.

5

421-06-15321

GROMMET

SN: 10001-@

2шт.

6

421-06-15330

SCREW

SN: 10001-@

2шт.

7

421-06-15340

WASHER

SN: 10001-@

2шт.

8

09415-00706

CAP

SN: 10001-@

3шт.

9

421-06-11551

SWITCH,TRANSMISSION CUT OFF

SN: 10001-@

1шт.

10

421-06-11521

SWITCH,WORK LAMP

SN: 10001-@

1шт.

11

421-06-11532

SWITCH,GLOW

SN: 10001-@

1шт.

|11

01580-10403

NUT

SN: 10001-UP

1шт.

|11

08023-10010

TUBE

SN: 10001-UP

1шт.

|11

421-09-11530

CONNECTOR

SN: 10001-UP

1шт.

|11

421-09-11550

TERMINAL

SN: 10001-UP

3шт.

12

08086-10000

SWITCH,STARTING

SN: 10001-@

1шт.

|12

08086-20000

SWITCH,STARTING (SANDY SPEC.)

SN: 10001-@

1шт.

|12

01220-40508

SCREW

SN: 10001-@

6шт.

|12

01601-20513

WASHER,SPRING

SN: 10001-@

6шт.

13

421-06-11692

WIRE ASS'Y

SN: 10001-@

1шт.

14

08038-00518

CAP

SN: 10001-@

4шт.

15

419-06-12630

BRACKET

SN: 10001-@

1шт.

16

08034-00414

BAND

SN: 10001-@

3шт.

17

01010-50816

BOLT

SN: 10001-@

2шт.

18

01643-30823

WASHER

SN: 10001-@

2шт.

19

08052-01911

CLIP

SN: 10001-@

1шт.

20

08052-02711

CLIP

SN: 10001-@

2шт.

21

01220-40608

SCREW

SN: 10001-@

3шт.

22

01641-20608

WASHER

SN: 10001-@

3шт.

23

08036-03014

CLIP

SN: 10001-@

1шт.

24

08036-02514

CLIP

SN: 10001-@

2шт.

25

01010-51016

BOLT

SN: 10001-@

3шт.

26

01643-31032

WASHER

SN: 10001-@

3шт.

27

08037-01008

GROMMET

SN: 10001-@

1шт.

28

419-06-12250

SHEET

SN: 10001-@

1шт.

Выбрано товаров: 43