Запчасти Komatsu WA300-1 СИСТЕМА ROPS(№-) РАМА И ЧАСТИ КОРПУСА

Схема запчастей Komatsu WA300-1 - СИСТЕМА ROPS(№-) РАМА И ЧАСТИ КОРПУСА
FIT
1:1
100%

Артикул

Название

Примечание

Количество

|1

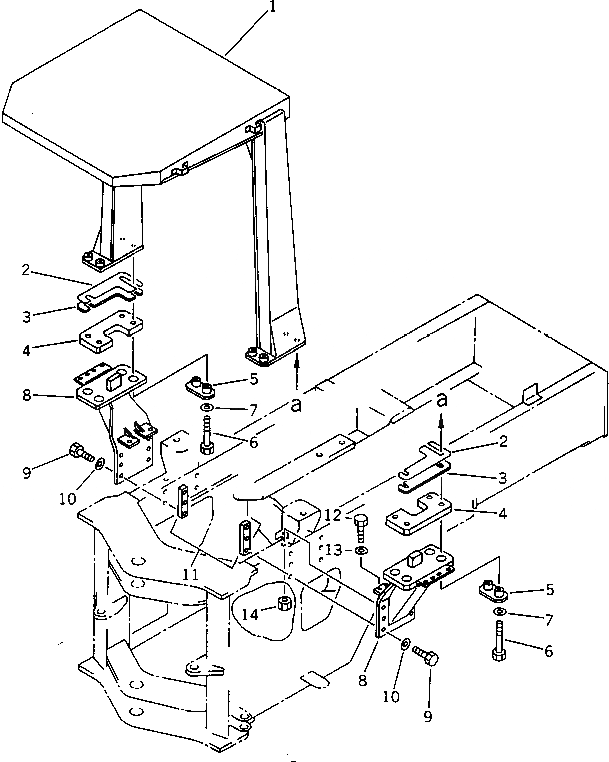
419-54-19021

ROPS CANOPY ASS'Y

SN: 30001-UP

1шт.

1

0

CANOPY,ROPS

SN: 30001-UP

1шт.

2

419-54-19750

SHIM¤ 0.5MM

SN: 30001-UP

14шт.

3

419-54-19740

PLATE

SN: 30001-UP

2шт.

4

419-54-19730

PLATE

SN: 30001-UP

2шт.

5

419-54-19760

PLATE

SN: 30001-UP

4шт.

6

01011-32445

BOLT

SN: 30001-UP

8шт.

7

01643-32460

WASHER

SN: 30001-UP

8шт.

8

419-928-1110

SUPPORT

SN: 30001-UP

2шт.

9

01010-52475

BOLT

SN: 30001-UP

12шт.

10

01643-32460

WASHER

SN: 30001-UP

12шт.

11

419-928-1230

PLATE

SN: 30001-UP

4шт.

12

01010-52055

BOLT

SN: 30001-UP

2шт.

13

01643-32060

WASHER

SN: 30001-UP

4шт.

14

01580-12016

NUT

SN: 30001-UP

2шт.

Выбрано товаров: 15