Запчасти Komatsu WA300-1 ЯЩИК Д/ИНСТРУМЕНТА (ДЛЯ КАБИНА ДЛЯ 2 ЧЕЛ.)(№-9999) СПЕЦ. APPLICATION ЧАСТИ

Схема запчастей Komatsu WA300-1 - ЯЩИК Д/ИНСТРУМЕНТА (ДЛЯ КАБИНА ДЛЯ 2 ЧЕЛ.)(№-9999) СПЕЦ. APPLICATION ЧАСТИ
FIT
1:1
100%

Артикул

Название

Примечание

Количество

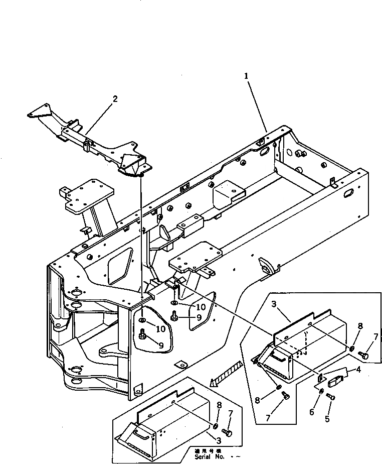
1

0

FRAME,(MODIFIED PART)

SN: 10001-19999

1шт.

2

0

SUPPORT,FLOOR (MODIFIED PART)

SN: 10001-19999

1шт.

3

418-V30-1151

BOX,TOOL

SN: .-19999

1шт.

|3

0

BOX,TOOL

SN: 10001-.

1шт.

4

421-09-12320

HOLDER

SN: 10001-19999

1шт.

5

01220-40408

SCREW

SN: 10001-19999

5шт.

6

01641-20405

WASHER

SN: 10001-19999

5шт.

7

01010-50816

BOLT

SN: .-19999

2шт.

|7

01010-50816

BOLT

SN: 10001-.

4шт.

8

154-61-16570

WASHER

SN: .-19999

2шт.

|8

01643-30823

WASHER

SN: 10001-.

4шт.

9

01010-51230

BOLT

SN: 10001-19999

2шт.

10

01643-31232

WASHER

SN: 10001-19999

2шт.

Выбрано товаров: 13