Запчасти Komatsu WA300-1 КОНСОЛЬН. БЛОК¤ ПРАВ. (ДЛЯ КАБИНА ДЛЯ 2 ЧЕЛ.)(№-9999) СПЕЦ. APPLICATION ЧАСТИ

Схема запчастей Komatsu WA300-1 - КОНСОЛЬН. БЛОК¤ ПРАВ. (ДЛЯ КАБИНА ДЛЯ 2 ЧЕЛ.)(№-9999) СПЕЦ. APPLICATION ЧАСТИ
FIT
1:1
100%

Артикул

Название

Примечание

Количество

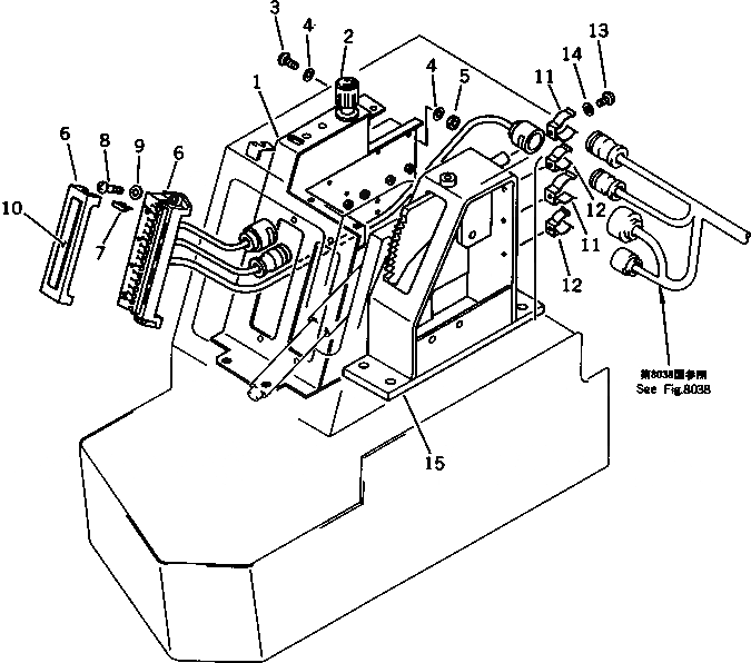
1

419-06-11133

BOX

SN: 20001-29999

1шт.

|1

418-944-1570

BOX

SN: 10001-19999

1шт.

2

195-822-6151

LIGHTER

SN: 10001-29999

1шт.

3

01220-40410

SCREW

SN: 10001-29999

2шт.

4

01641-20405

WASHER

SN: 10001-29999

4шт.

5

01580-10403

NUT

SN: 10001-29999

2шт.

6

418-944-1660

FUSE BOX ASS'Y

SN: 10001-29999

1шт.

7

283-06-16190

FUSE¤ 10A

SN: 10001-29999

10шт.

|7

22W-06-13160

FUSE¤ 20A

SN: 10001-29999

1шт.

8

01220-40620

SCREW

SN: 10001-@

2шт.

9

01641-20608

WASHER

SN: 10001-@

2шт.

10

418-944-1861

PLATE¤ OPERATING,FUSE

SN: 10001-29999

1шт.

11

421-06-12610

CLIP

SN: 10001-@

2шт.

12

283-06-17120

CLIP

SN: 10001-@

2шт.

13

01220-40608

SCREW

SN: 10001-@

4шт.

14

01641-20608

WASHER

SN: 10001-@

4шт.

15

418-944-1771

BRACKET,(MODIFIED PART)

SN: 20001-29999

1шт.

|15

0

BRACKET,(MODIFIED PART)

SN: 10001-19999

1шт.

Выбрано товаров: 18