Запчасти Komatsu WA300-1 БОКОВ. СДВИГ PITCH И ANGLE SNOW PНИЗ. (БОКОВ. СДВИГ ЛИНИЯ ЦИЛИНДРА) СПЕЦ. APPLICATION ЧАСТИ

Схема запчастей Komatsu WA300-1 - БОКОВ. СДВИГ PITCH И ANGLE SNOW PНИЗ. (БОКОВ. СДВИГ ЛИНИЯ ЦИЛИНДРА) СПЕЦ. APPLICATION ЧАСТИ
FIT
1:1
100%

Артикул

Название

Примечание

Количество

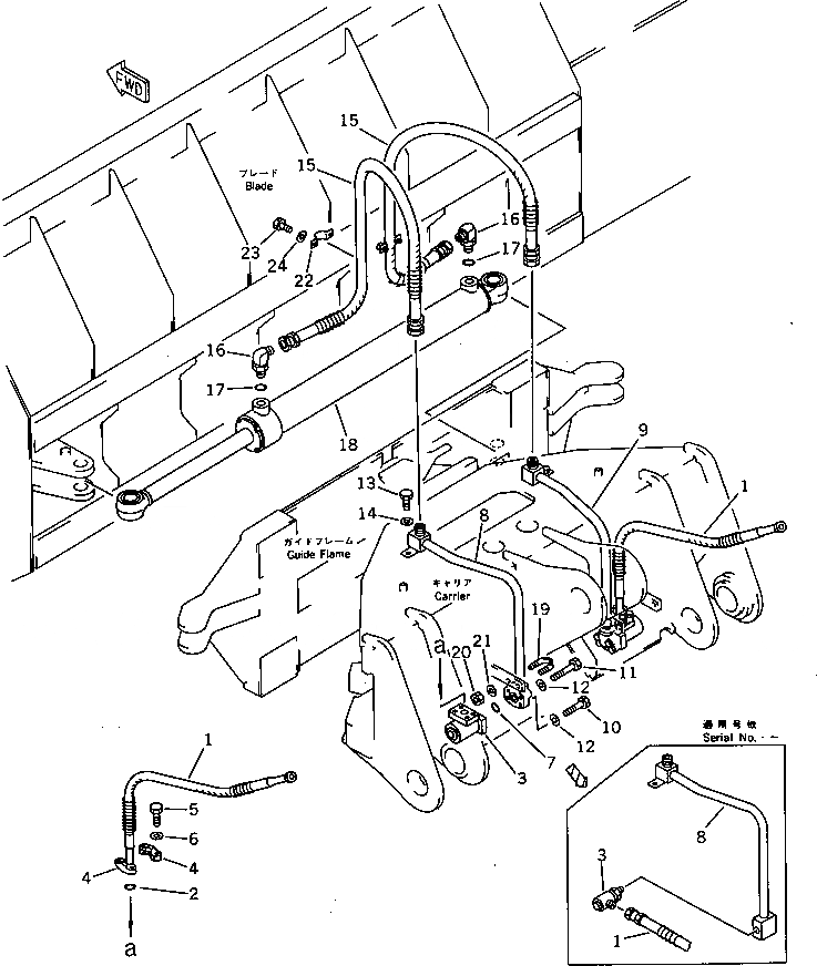
1

419-905-1371

HOSE

SN: .-UP

2шт.

|1

419-905-1370

HOSE

SN: 10001-.

2шт.

2

07000-13025

O-RING

SN: 10001-.

2шт.

3

41H-62-13300

JOINT,SWIVEL

SN: .-UP

2шт.

|3

07128-10600

JOINT,SWIVEL

SN: 10001-.

2шт.

4

07371-30638

FLANGE,SPLIT

SN: 10001-.

4шт.

5

01010-30830

BOLT

SN: 10001-.

8шт.

6

01643-50823

WASHER

SN: 10001-.

8шт.

7

07000-13030

O-RING

SN: 10001-.

2шт.

8

419-905-1351

TUBE

SN: .-UP

1шт.

|8

419-905-1350

TUBE

SN: 10001-.

1шт.

9

419-905-1361

TUBE

SN: .-UP

1шт.

|9

419-905-1360

TUBE

SN: 10001-.

1шт.

10

01010-30840

BOLT

SN: 10001-.

4шт.

11

01010-30855

BOLT

SN: 10001-.

4шт.

12

01602-20825

WASHER,SPRING

SN: 10001-.

8шт.

13

01010-31020

BOLT

SN: 10001-UP

2шт.

14

01643-31032

WASHER

SN: 10001-UP

2шт.

15

07123-20615

HOSE

SN: 10001-UP

2шт.

16

07235-10628

ELBOW

SN: 10001-UP

2шт.

17

07002-12434

O-RING

SN: 10001-UP

2шт.

18

707-00-80410

CYLINDER ASS'Y,SIDE SHIFT

SN: 10001-UP

1шт.

19

07283-22738

CLIP

SN: 10001-UP

2шт.

20

01599-01011

NUT

SN: 10001-UP

4шт.

21

01643-31032

WASHER

SN: 10001-UP

4шт.

22

423-905-1390

CLAMP

SN: 10001-UP

2шт.

23

01010-30816

BOLT

SN: 10001-UP

4шт.

24

01602-00825

WASHER,SPRING

SN: 10001-UP

4шт.

Выбрано товаров: 28