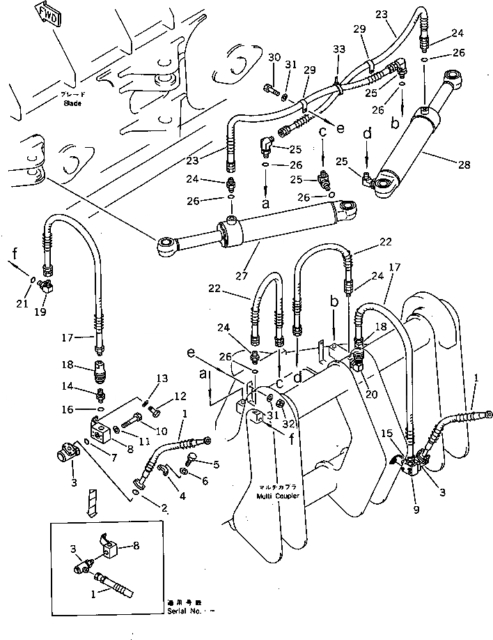
Запчасти Komatsu WA300-1 PITCH И ANGLE SNOW PНИЗ. (ЦИЛИНДР НАКЛОНА ЛИНИЯ) (С ГИДРАВЛ СОЕДИНИТ. УСТР-ВО)(№()-) СПЕЦ. APPLICATION ЧАСТИ

Схема запчастей Komatsu WA300-1 - PITCH И ANGLE SNOW PНИЗ. (ЦИЛИНДР НАКЛОНА ЛИНИЯ)         (С ГИДРАВЛ СОЕДИНИТ. УСТР-ВО)(№()-) СПЕЦ. APPLICATION ЧАСТИ
FIT
1:1
100%

Артикул

Название

Примечание

Количество

1

419-915-1211

HOSE

SN: .-UP

2шт.

|1

419-915-1210

HOSE

SN: 10001-.

2шт.

2

07000-13025

O-RING

SN: 10001-.

2шт.

3

41H-62-13300

JOINT,SWIVEL

SN: .-UP

2шт.

|3

07128-00600

JOINT,SWIVEL

SN: 10001-.

2шт.

4

07371-30638

FLANGE,SPLIT

SN: 10001-.

4шт.

5

01010-30830

BOLT

SN: 10001-.

8шт.

6

01643-50823

WASHER

SN: 10001-.

8шт.

7

07000-13030

O-RING

SN: 10001-.

2шт.

8

419-915-1251

BLOCK,L.H.

SN: .-UP

1шт.

|8

419-915-1250

BLOCK,L.H.

SN: 10001-.

1шт.

9

419-915-1241

BLOCK,R.H.

SN: .-UP

1шт.

|9

419-915-1240

BLOCK,R.H.

SN: 10001-.

1шт.

10

01010-30860

BOLT

SN: 10001-.

8шт.

11

01602-20825

WASHER,SPRING

SN: 10001-.

8шт.

12

01010-31020

BOLT

SN: 10001-UP

4шт.

13

01643-31032

WASHER

SN: 10001-UP

4шт.

14

423-915-1450

UNION

SN: 10001-UP

1шт.

15

07230-10628

UNION

SN: 10001-UP

1шт.

16

07002-12434

O-RING

SN: 10001-UP

2шт.

17

419-915-1230

HOSE

SN: 10001-UP

2шт.

18

423-915-1310

JOINT ASS'Y

SN: 10001-UP

2шт.

19

07235-10628

ELBOW

SN: 10001-UP

1шт.

20

423-914-1220

ELBOW

SN: 10001-UP

1шт.

21

07002-12434

O-RING

SN: 10001-UP

2шт.

22

07123-20609

HOSE

SN: 10001-UP

2шт.

23

07123-20613

HOSE

SN: (002)-UP

2шт.

24

07230-10628

UNION

SN: 10001-UP

4шт.

25

07235-10628

ELBOW

SN: 10001-UP

4шт.

26

07002-12434

O-RING

SN: 10001-UP

8шт.

27

707-00-10061

CYLINDER ASS'Y,L.H.

SN: (014)-UP

1шт.

|27

0

CYLINDER ASS'Y,L.H.

SN: 10001-(013)

1шт.

28

707-00-10051

CYLINDER ASS'Y,R.H.

SN: (014)-UP

1шт.

|28

0

CYLINDER ASS'Y,R.H.

SN: 10001-(013)

1шт.

29

421-09-12211

CLIP

SN: (002)-UP

2шт.

30

01010-31025

BOLT

SN: (002)-UP

2шт.

31

01643-31032

WASHER

SN: (002)-UP

4шт.

32

01580-01008

NUT

SN: (002)-UP

2шт.

33

08034-00823

BAND

SN: (002)-UP

2шт.

Выбрано товаров: 39