Запчасти Komatsu WA300-1 ПОВОРОТН. SNOW REMOVER КОМПОНЕНТЫ (/) СПЕЦ. APPLICATION ЧАСТИ

Схема запчастей Komatsu WA300-1 - ПОВОРОТН. SNOW REMOVER КОМПОНЕНТЫ (/) СПЕЦ. APPLICATION ЧАСТИ
FIT
1:1
100%

Артикул

Название

Примечание

Количество

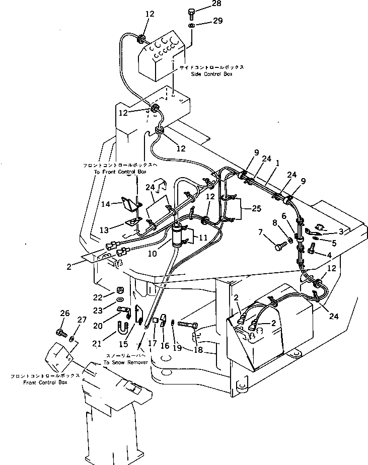
1

08028-13350

CABLE

SN: 10001-UP

1шт.

2

08038-22009

CAP

SN: 10001-UP

4шт.

3

419-911-1190

PLATE

SN: 10001-UP

1шт.

4

01010-51020

BOLT

SN: 10001-UP

1шт.

5

01643-31032

WASHER

SN: 10001-UP

1шт.

6

08036-03014

CLIP

SN: 10001-UP

1шт.

7

01010-51016

BOLT

SN: 10001-UP

1шт.

8

01643-31032

WASHER

SN: 10001-UP

1шт.

9

08036-03014

CLIP

SN: 10001-UP

2шт.

10

421-62-14750

COVER

SN: 10001-UP

1шт.

11

08034-00876

BAND

SN: 10001-UP

2шт.

12

08037-03614

GROMMET

SN: 10001-UP

5шт.

13

419-911-1320

SEAT

SN: 10001-UP

1шт.

14

419-911-1310

PLATE

SN: 10001-UP

1шт.

15

419-911-1740

BRACKET

SN: 20001-UP

1шт.

|15

419-911-1240

BRACKET

SN: 10001-UP

1шт.

16

419-911-1250

PLATE

SN: 10001-UP

1шт.

17

419-911-1260

SPACER

SN: 10001-UP

1шт.

18

01010-51055

BOLT

SN: 10001-UP

1шт.

19

01643-31032

WASHER

SN: 10001-UP

1шт.

20

419-911-1230

PLATE

SN: 10001-UP

1шт.

21

07283-53444

SEAT

SN: 10001-UP

1шт.

22

01598-01011

NUT

SN: 10001-UP

2шт.

23

01643-31032

WASHER

SN: 10001-UP

2шт.

24

08034-00519

BAND

SN: 10001-UP

17шт.

25

08034-00876

BAND

SN: 10001-UP

2шт.

26

01010-50816

BOLT

SN: 10001-UP

2шт.

27

01643-30823

WASHER

SN: 10001-UP

2шт.

28

01010-50816

BOLT

SN: 10001-UP

2шт.

29

01643-30823

WASHER

SN: 10001-UP

2шт.

Выбрано товаров: 30