Запчасти Komatsu WA300-1 ПОВОРОТН. SNOW REMOVER КОМПОНЕНТЫ (/)(№-9999) СПЕЦ. APPLICATION ЧАСТИ

Схема запчастей Komatsu WA300-1 - ПОВОРОТН. SNOW REMOVER КОМПОНЕНТЫ (/)(№-9999) СПЕЦ. APPLICATION ЧАСТИ
FIT
1:1
100%

Артикул

Название

Примечание

Количество

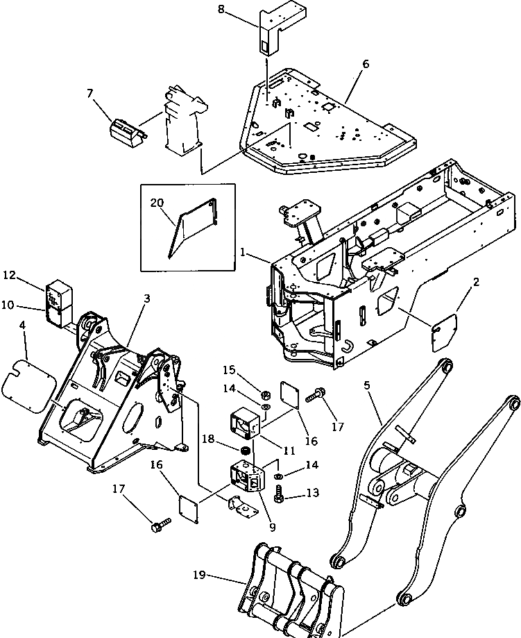
1

0

FRAME,(MODIFIED PART)

SN: 20001-29999

1шт.

|1

0

FRAME,(MODIFIED PART)

SN: 10001-19999

1шт.

2

419-911-1591

COVER

SN: 10001-@

2шт.

3

0

FRAME,(MODIFIED PART)

SN: 20001-29999

1шт.

|3

0

FRAME,(MODIFIED PART)

SN: 10001-19999

1шт.

4

419-911-1540

COVER,(MODIFIED PART)

SN: 10001-@

1шт.

5

0

ARM,LIFT (MODIFIED PART)

SN: 20001-29999

1шт.

|5

0

ARM,LIFT (MODIFIED PART)

SN: 10001-19999

1шт.

6

0

FRAME,FLOOR (MODIFIED PART)

SN: 10001-19999

1шт.

7

419-911-1561

COVER,(MODIFIED PART)

SN: 20001-@

1шт.

|7

419-911-1560

COVER,(MODIFIED PART)

SN: 10001-19999

1шт.

8

419-911-1570

COVER,(MODIFIED PART)

SN: 10001-@

1шт.

9

419-911-1710

BRACKET,L.H. (MODIFIED PART)

SN: 10001-@

1шт.

10

419-911-1720

BRACKET,R.H. (MODIFIED PART)

SN: 10001-@

1шт.

11

419-911-1350

BRACKET,L.H.

SN: 10001-@

1шт.

12

419-911-1360

BRACKET,R.H.

SN: 10001-@

1шт.

13

01010-31020

BOLT

SN: 10001-@

8шт.

14

01643-31032

WASHER

SN: 10001-@

16шт.

15

01580-01008

NUT

SN: 10001-@

8шт.

16

419-911-1370

COVER

SN: 10001-@

4шт.

17

01435-00608

BOLT

SN: 10001-@

16шт.

18

08037-03614

GROMMET

SN: 10001-@

2шт.

19

0

FRAME,(MODIFIED PART)

SN: 10001-@

1шт.

20

0

COVER,(MODIFIED PART)

SN: 20001-@

1шт.

Выбрано товаров: 24