Запчасти Komatsu WA300-1 ГИДРОЛИНИЯ (ДЛЯ S.P.A.P.) (/)(№-9999) СПЕЦ. APPLICATION ЧАСТИ

Схема запчастей Komatsu WA300-1 - ГИДРОЛИНИЯ (ДЛЯ S.P.A.P.) (/)(№-9999) СПЕЦ. APPLICATION ЧАСТИ
FIT
1:1
100%

Артикул

Название

Примечание

Количество

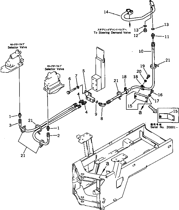
1

418-878-1480

NIPPLE

SN: 10001-29999

2шт.

2

07102-20207

HOSE

SN: 10001-29999

1шт.

3

07102-20209

HOSE

SN: 10001-29999

1шт.

4

07238-00210

CONNECTOR

SN: 10001-29999

2шт.

5

419-878-1120

BLOCK

SN: 10001-29999

1шт.

6

01010-51090

BOLT

SN: 10001-29999

2шт.

7

01643-31032

WASHER

SN: 10001-29999

2шт.

8

07235-10315

ELBOW

SN: 10001-29999

1шт.

9

07002-12034

O-RING

SN: 10001-29999

1шт.

10

07102-20320

HOSE

SN: 10001-29999

1шт.

11

07230-10315

UNION

SN: 10001-29999

1шт.

12

07040-12012

PLUG

SN: 10001-29999

1шт.

13

07002-12034

O-RING

SN: 10001-29999

2шт.

14

419-906-1511

TUBE

SN: .-29999

1шт.

|14

419-906-1510

TUBE

SN: 10001-.

1шт.

15

419-879-1541

PLATE

SN: 20001-29999

1шт.

|15

419-879-1540

PLATE

SN: 10001-19999

1шт.

16

01010-51020

BOLT

SN: 10001-29999

2шт.

17

01643-31032

WASHER

SN: 10001-29999

2шт.

18

08036-01814

CLIP

SN: 10001-29999

2шт.

19

01010-51020

BOLT

SN: 10001-29999

2шт.

20

01643-31032

WASHER

SN: 10001-29999

2шт.

21

08034-00536

BAND

SN: 10001-29999

5шт.

Выбрано товаров: 0