Запчасти Komatsu WA300-1 МАРКИРОВКА (ЯПОН.) (№-9999)(№-9999) МАРКИРОВКА¤ ИНСТРУМЕНТ И РЕМКОМПЛЕКТЫ

Схема запчастей Komatsu WA300-1 - МАРКИРОВКА (ЯПОН.) (№-9999)(№-9999) МАРКИРОВКА¤ ИНСТРУМЕНТ И РЕМКОМПЛЕКТЫ
FIT
1:1
100%

Артикул

Название

Примечание

Количество

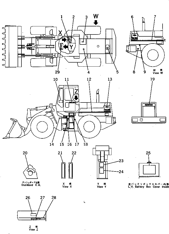
1

421-93-11132

PLATE¤ OPERATING,WORK EQUIPMENT CONTROL LEVER

SN: 10001-@

1шт.

2

09685-00004

PLATE¤ OPERATING,LOCK LEVER

SN: 10001-@

1шт.

3

419-93-11190

PLATE¤ CAUTION,BRAKE OIL

SN: 10001-29999

1шт.

4

09653-00100

PLATE¤ SAFETY,HYDRAULIC TANK

SN: 10001-@

1шт.

5

09668-00100

PLATE¤ SAFETY,RADIATOR CAP

SN: 10001-@

1шт.

6

419-93-11871

PLATE¤ MARK

SN: 10001-@

1шт.

7

419-93-11880

STRIPE

SN: 10001-@

1шт.

8

09101-00100

PLATE¤ INSTRUCTION,FUEL

SN: 10001-@

1шт.

9

362-54-17180

PLATE¤ CAUTION,COOLING FAN

SN: 10001-@

1шт.

10

419-43-11430

PLATE¤ OPERATING,MONITOR PANEL

SN: 10001-29999

1шт.

11

09690-50280

PLATE¤ MARK,KOMATSU

SN: 10001-@

2шт.

12

419-93-11880

STRIPE

SN: 10001-@

1шт.

13

419-93-11871

PLATE¤ MARK

SN: 10001-@

1шт.

14

09601-00835

PLATE¤ NAME,(LIMITED SUPPLY)

SN: 10001-@

1шт.

|14

04418-13060

SCREW

SN: 10001-@

4шт.

15

423-93-11240

PLATE¤ CAUTION,KEEP OUT

SN: 10001-@

2шт.

16

362-54-17160

PLATE¤ CAUTION,FRAME LOCK

SN: 10001-@

1шт.

17

419-93-11111

CHART¤ OIL

SN: 10001-29999

1шт.

18

419-93-11210

PLATE¤ CAUTION,TRANSMISSION OIL LEVEL

SN: 10001-@

1шт.

19

09690-50400

PLATE¤ MARK,KOMATSU

SN: 10001-@

1шт.

20

09683-01050

PLATE¤ OPERATING,STARTING SWITCH

SN: 10001-@

1шт.

21

419-93-11261

PLATE,FUSE

SN: 10001-29999

1шт.

22

419-93-11261

PLATE,FUSE

SN: 10001-29999

1шт.

23

421-93-11181

PLATE¤ SAFETY,STARTING AND AFTER OPERATING

SN: 10001-@

1шт.

24

419-93-11290

PLATE¤ DATA

SN: 10001-29999

1шт.

25

419-93-11420

PLATE¤ CAUTION,BATTERY

SN: 10001-29999

2шт.

26

362-54-17230

PLATE¤ CAUTION,OIL HOSE

SN: 10001-@

1шт.

27

362-54-17150

PLATE¤ CAUTION,STARTING AND INSPECTION

SN: 10001-@

1шт.

28

419-93-11890

PLATE¤ CAUTION,TRANSMISSION OIL TEMPERATURE

SN: 11013-@

1шт.

|28

419-93-11220

PLATE¤ CAUTION

SN: 10001-11012

1шт.

29

419-93-11960

PLATE

SN: 10551-29999

1шт.

30

424-93-11360

PLATE¤ OPERATING,WORK LAMP

SN: 10001-@

1шт.

Выбрано товаров: 32