Запчасти Komatsu WA300-3A-SN ЦИЛИНДР РУЛЕВ. УПР-Я (ГИДРОЛИНИЯ И ЭЛЕМЕНТЫ КРЕПЛЕНИЯ)(№-) ОСНОВНАЯ РАМА И ЕЕ ЧАСТИ

Схема запчастей Komatsu WA300-3A-SN - ЦИЛИНДР РУЛЕВ. УПР-Я (ГИДРОЛИНИЯ И ЭЛЕМЕНТЫ КРЕПЛЕНИЯ)(№-) ОСНОВНАЯ РАМА И ЕЕ ЧАСТИ
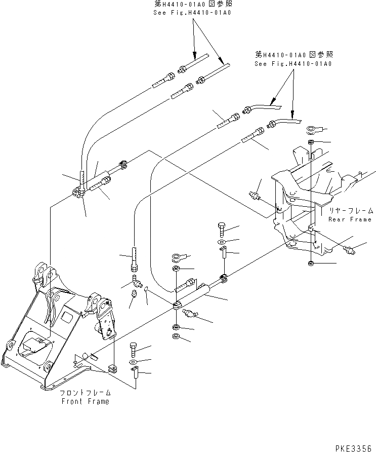
1
1
2
2
3
3
4
4
5
6
6
6
7
7
8
9
10
10
11
12
13
14
15
16
16
17
18
FIT
1:1
100%

Артикул

Название

Примечание

Количество

1

419-09-11120

SEAL,DUST

SN: 53001-@

4шт.

2

07020-00000

FITTING,GREASE

SN: 53001-@

2шт.

3

707-00-08711

CYLINDER ASS'Y,STEERING

SN: 53140-55000

2шт.

|3

707-00-08701

CYLINDER ASS'Y,STEERING

SN: 53001-53139

2шт.

4

419-09-11120

SEAL,DUST

SN: 53001-55000

4шт.

5

07020-00675

FITTING,GREASE

SN: 53001-55000

2шт.

6

07086-00406

HOSE

SN: 53001-@

2шт.

7

07235-50422

ELBOW

SN: 53001-55000

2шт.

8

07002-12034

O-RING

SN: 53001-55000

2шт.

9

07042-30108

PLUG

SN: 53001-55000

2шт.

10

07086-00407

HOSE

SN: 53001-@

2шт.

11

419-46-12240

PIN

SN: 53001-@

2шт.

12

419-46-12250

SPACER

SN: 53001-@

2шт.

13

01010-81220

BOLT

SN: 53001-@

2шт.

14

175-54-34170

WASHER

SN: 53001-@

2шт.

15

419-46-12260

PIN

SN: 53001-@

2шт.

16

419-46-12280

SHIM¤ 1.0MM

SN: 53001-@

12шт.

|16

419-46-12290

SHIM¤ 0.5MM

SN: 53001-@

6шт.

17

01010-81220

BOLT

SN: 53001-@

2шт.

18

175-54-34170

WASHER

SN: 53001-@

2шт.

Выбрано товаров: 20