Запчасти Komatsu WA300-3A-SN АККУМУЛЯТОР (ЛИНИЯ АККУМУЛЯТОРА) ЭЛЕКТРИКА

Схема запчастей Komatsu WA300-3A-SN - АККУМУЛЯТОР (ЛИНИЯ АККУМУЛЯТОРА) ЭЛЕКТРИКА
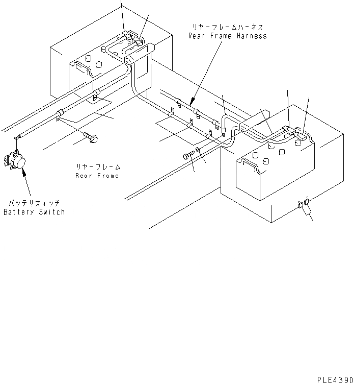
1
2
3
4
5
6
7
8
9
10
11
12
FIT
1:1
100%

Артикул

Название

Примечание

Количество

1

08028-45070

WIRE

SN: 53001-UP

1шт.

2

424-09-12530

BOOT

SN: 53001-UP

1шт.

3

01010-81016

BOLT

SN: 53001-UP

1шт.

4

01643-31032

WASHER

SN: 53001-UP

1шт.

5

425-06-22541

WIRE

SN: 54001-UP

1шт.

|5

08028-65200

WIRE

SN: 53001-53999

1шт.

6

424-09-12530

BOOT

SN: 53001-UP

1шт.

7

424-09-12540

BOOT

SN: 53001-UP

1шт.

8

08036-01814

CLIP

SN: 53001-UP

3шт.

9

424-09-12540

BOOT

SN: 53001-UP

1шт.

10

08036-01814

CLIP

SN: 53001-UP

2шт.

11

01435-01020

BOLT

SN: 53001-UP

8шт.

12

421-06-24310

PLATE

SN: 53001-UP

4шт.

Выбрано товаров: 13