Запчасти Komatsu WA300-3A-SN ТРАНСМИССИЯ (КОРПУС ТРАНСМИССИИ) (/) ТРАНСМИССИЯ

Схема запчастей Komatsu WA300-3A-SN - ТРАНСМИССИЯ (КОРПУС ТРАНСМИССИИ) (/) ТРАНСМИССИЯ
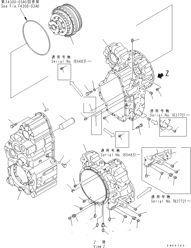
1
2
3
4
5
5
5
6
6
6
6
6
6
6
6
7
7
8
9
9
9
10
11
11
11
11
12
12
12
12
13
13
13
13
13
14
14
15
15
16
17
18
19
20
21
22
FIT
1:1
100%

Артикул

Название

Примечание

Количество

|$$1

SERIAL NO. IN ( ) INDICATES TRANSMISSION SERIAL NO.

-1шт.

|1

714-16-10012

TRANSMISSION ASS'Y

SN: 54001-UP

1шт.

|1

714-16-10011

TRANSMISSION ASS'Y

SN: 53001-54000

1шт.

|1

714-16-10033

TRANSMISSION ASS'Y

SN: 54001-UP

1шт.

|1

714-16-10032

TRANSMISSION ASS'Y,(FOR SNOW REMOVING)

SN: 53001-54000

1шт.

|$$6

THESE ASSEMBLY CONSIST OF SOME FIGS. BE CAREFUL WHEN ORDERING THE PARTS.

-1шт.

|1

714-12-11111

CASE ASS'Y,FRONT

SN: 53001-UP

1шт.

1

0

CASE,FRONT

SN: 53001-UP

1шт.

2

714-12-16510

SHAFT,IDLER

SN: 53001-UP

1шт.

3

07040-12012

PLUG

SN: 53001-UP

1шт.

4

07002-02034

O-RING (K1)

SN: 53001-UP

1шт.

|5

714-12-11121

CASE ASS'Y,REAR

SN: 53001-UP

1шт.

5

0

CASE,REAR

SN: 53001-UP

1шт.

6

07042-80108

PLUG

SN: 53001-UP

9шт.

7

419-15-12750

ORIFICE

SN: 53001-UP

3шт.

8

714-12-11410

ORIFICE

SN: 53001-UP

1шт.

9

07042-70312

PLUG

SN: 53001-(83771)

12шт.

10

714-11-19390

BALL

SN: 53001-(85482)

2шт.

11

07043-70617

PLUG

SN: 53001-UP

5шт.

12

21T-38-11390

BUSHING

SN: 53001-UP

4шт.

13

07043-70312

PLUG

SN: (85483)-UP

17шт.

|13

07043-70312

PLUG

SN: (83772)-(85482)

15шт.

|13

07043-70312

PLUG

SN: 53001-(83771)

3шт.

14

07043-00108

PLUG

SN: (85483)-UP

1шт.

|14

04260-00952

BALL

SN: 53001-(85482)

1шт.

15

07043-70211

PLUG

SN: (83772)-UP

7шт.

|15

07043-70211

PLUG

SN: 53001-(83771)

1шт.

16

07042-70211

PLUG

SN: 53001-(83771)

6шт.

17

04020-01434

PIN,DOWEL

SN: 53001-UP

2шт.

18

01010-81240

BOLT

SN: (84230)-UP

12шт.

|18

01010-81240

BOLT

SN: 53001-(84229)

13шт.

19

01010-81235

BOLT

SN: 53001-UP

2шт.

20

01010-81260

BOLT

SN: 53001-UP

5шт.

21

01643-31232

WASHER

SN: 53001-UP

5шт.

22

711-52-00300

TORQUE CONVERTER A.

SN: 53001-UP

1шт.

23

419-15-18131

LIQUID GASKET,(NOT SHOWN)

SN: 53001-UP

1шт.

Выбрано товаров: 36