Запчасти Komatsu WA300-3A-X ЗАДН. РАМА (С АВТОМАТИЧ. СМАЗКОЙ СИСТЕМА)(№-) РАМА И ЧАСТИ КОРПУСА

Схема запчастей Komatsu WA300-3A-X - ЗАДН. РАМА (С АВТОМАТИЧ. СМАЗКОЙ СИСТЕМА)(№-) РАМА И ЧАСТИ КОРПУСА
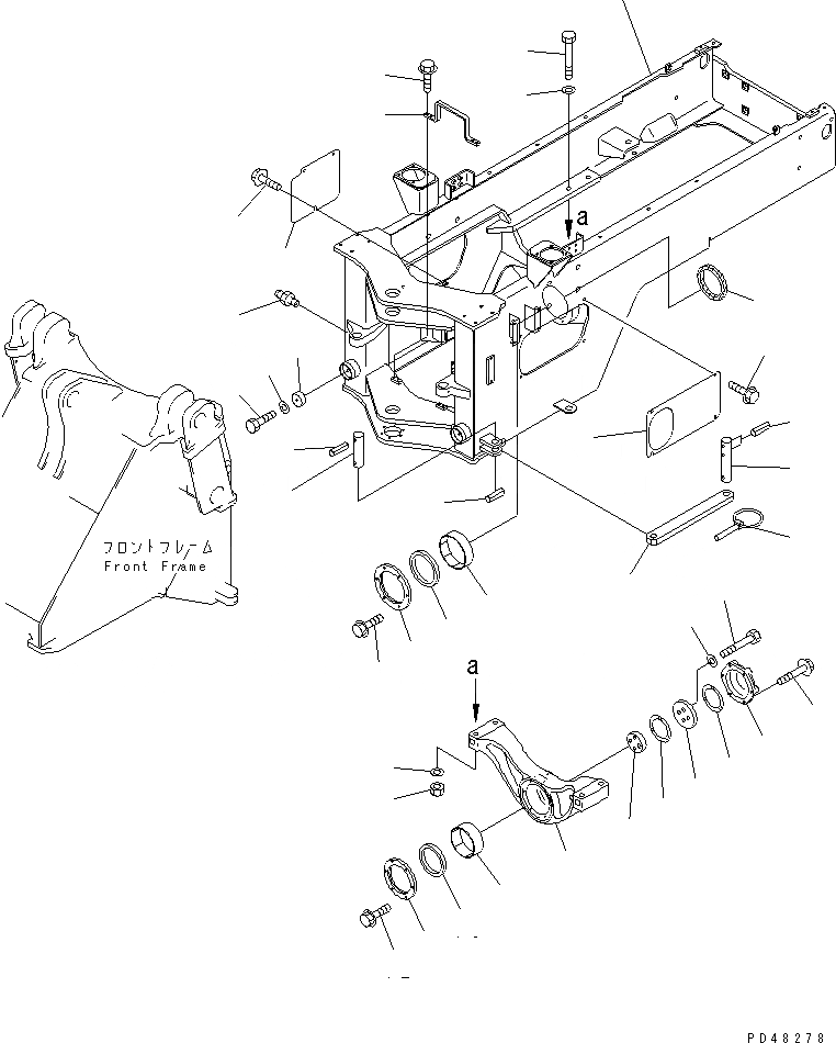
1
2
3
4
5
6
7
8
9
10
11
12
13
14
15
15
16
17
18
19
20
21
21
22
23
24
25
26
27
28
28
29
30
31
32
33
34
35
36
37
FIT
1:1
100%

Артикул

Название

Примечание

Количество

1

0

FRAME,REAR

SN: 50001-UP

1шт.

|1

01571-01016

SEAT (WELDED)

SN: 50001-UP

22шт.

|1

421-S95-2191

SEAT (WELDED)

SN: 50001-UP

1шт.

|1

421-S95-2960

SEAT (WELDED)

SN: 50001-UP

2шт.

|1

424-875-1160

SEAT (WELDED)

SN: 50001-UP

1шт.

2

07020-00000

FITTING,GREASE

SN: 50001-UP

2шт.

3

423-46-27220

BUSHING

SN: 50001-UP

1шт.

4

419-46-12480

PACKING

SN: 50001-UP

1шт.

5

423-46-27190

SEAL,DUST

SN: 50001-UP

1шт.

6

423-46-27170

RETAINER

SN: 50001-UP

1шт.

7

01435-01235

BOLT

SN: 50001-UP

6шт.

8

419-46-27310

SUPPORT

SN: 50001-UP

1шт.

9

424-46-12172

BUSHING,REAR

SN: 50001-UP

1шт.

10

421-46-15132

PACKING

SN: 50001-UP

1шт.

11

423-46-27180

RETAINER

SN: 50001-UP

1шт.

12

01435-01235

BOLT

SN: 50001-UP

6шт.

13

423-46-27130

PLATE

SN: 50001-UP

1шт.

14

423-46-27140

PLATE,THRUST

SN: 50001-UP

1шт.

15

423-46-27120

WASHER,THRUST

SN: 50001-UP

2шт.

16

01010-32090

BOLT

SN: 50001-UP

4шт.

17

01643-32060

WASHER

SN: 50001-UP

4шт.

18

423-46-27150

COVER

SN: 50001-UP

1шт.

19

01435-01260

BOLT

SN: 50001-UP

6шт.

20

01011-32450

BOLT

SN: 50001-UP

4шт.

21

01643-32460

WASHER

SN: 50001-UP

8шт.

22

01580-02419

NUT

SN: 50001-UP

4шт.

23

416-46-11210

BUMPER

SN: 50001-UP

2шт.

24

01010-81225

BOLT

SN: 50001-UP

2шт.

25

01643-31232

WASHER

SN: 50001-UP

2шт.

26

419-46-24110

COVER,L.H.

SN: 50001-UP

1шт.

27

419-46-24150

COVER,R.H.

SN: 50001-UP

1шт.

28

01435-01225

BOLT

SN: 50001-UP

7шт.

29

421-46-12920

BAR,LOCK

SN: 50001-UP

1шт.

30

421-46-12721

PIN

SN: 50001-UP

1шт.

31

04025-01065

PIN,SPRING

SN: 50001-UP

1шт.

32

04025-01065

PIN,SPRING

SN: 50001-UP

1шт.

33

421-46-12731

PIN

SN: 50001-UP

1шт.

34

04025-01065

PIN,SPRING

SN: 50001-UP

2шт.

35

421-46-12740

PIN,LINCH

SN: 50001-UP

1шт.

36

419-46-22140

PLATE

SN: 50001-UP

1шт.

37

01435-01225

BOLT

SN: 50001-UP

4шт.

Выбрано товаров: 0