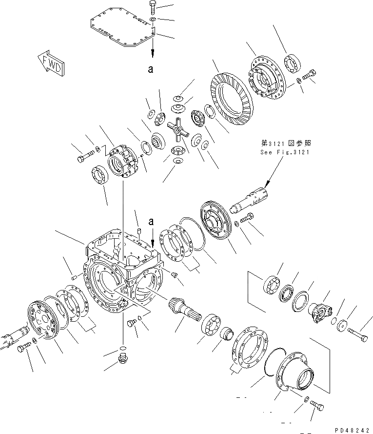
Запчасти Komatsu WA300-3A-X ПЕРЕДНИЙ ДИФФЕРЕНЦИАЛ(№-) ВЕДУЩ. ВАЛ¤ ДИФФЕРЕНЦ. И КОЛЕСА

Схема запчастей Komatsu WA300-3A-X - ПЕРЕДНИЙ ДИФФЕРЕНЦИАЛ(№-) ВЕДУЩ. ВАЛ¤ ДИФФЕРЕНЦ. И КОЛЕСА
1
2
3
4
5
6
7
8
9
10
11
12
13
14
15
16
17
18
19
20
21
22
23
24
25
26
27
28
29
29
30
30
31
31
31
31
32
32
32
32
33
34
35
36
36
37
37
38
38
39
39
40
40
41
41
42
43
44
45
FIT
1:1
100%

Артикул

Название

Примечание

Количество

|1

419-22-20001

AXLE ASS'Y,FRONT

SN: 50001-UP

1шт.

|$$2

THIS ASSEMBLY CONSISTS OF ALL PARTS SHOWN IN FIGS.3101 TO 3121.

-1шт.

|1

419-22-21001

DIFFERENTIAL ASS'Y,FRONT

SN: 50001-UP

1шт.

1

0

HOUSING

SN: 50001-UP

1шт.

2

07043-50211

PLUG

SN: 50001-UP

2шт.

3

07044-13620

PLUG,DRAIN

SN: 50001-UP

1шт.

4

07002-03634

O-RING

SN: 50001-UP

1шт.

5

07040-12012

PLUG,(FOR SHIPPING)

SN: 50001-UP

2шт.

6

07002-02034

O-RING,(FOR SHIPPING)

SN: 50001-UP

2шт.

7

04020-01228

PIN,DOWEL

SN: 50001-UP

4шт.

|8

419-22-21200

PINION ASS'Y,GEAR

SN: 50001-UP

1шт.

8

0

PINION

SN: 50001-UP

1шт.

9

0

GEAR,BEVEL

SN: 50001-UP

1шт.

10

419-22-21130

CAGE

SN: 50001-UP

1шт.

11

419-22-11810

BEARING

SN: 50001-UP

1шт.

12

419-22-11860

SPACER

SN: 50001-UP

1шт.

13

419-22-11820

BEARING

SN: 50001-UP

1шт.

14

418-22-21330

SEAL,OIL

SN: 50001-UP

1шт.

15

418-22-21310

PROTECTOR

SN: 50001-UP

1шт.

16

419-22-21230

COUPLING

SN: 50001-UP

1шт.

17

423-22-11240

HOLDER

SN: 50001-UP

1шт.

18

07000-03042

O-RING

SN: 50001-UP

1шт.

19

01011-61615

BOLT

SN: 50001-UP

1шт.

20

07000-05190

O-RING

SN: 50001-UP

1шт.

21

419-22-21360

SHIM¤ 0.05MM

SN: 50001-UP

3шт.

|21

419-22-21370

SHIM¤ 0.2MM

SN: 50001-UP

2шт.

|21

419-22-21380

SHIM¤ 0.3MM

SN: 50001-UP

2шт.

|21

419-22-21390

SHIM¤ 0.8MM

SN: 50001-UP

1шт.

22

01010-61440

BOLT

SN: 50001-UP

10шт.

23

01643-31445

WASHER

SN: 50001-UP

10шт.

|24

419-22-21500

CASE ASS'Y

SN: 50001-UP

1шт.

24

0

CASE

SN: 50001-UP

1шт.

25

0

CASE

SN: 50001-UP

1шт.

26

01010-61295

BOLT

SN: 50001-UP

12шт.

27

01643-31232

WASHER

SN: 50001-UP

12шт.

28

175-21-12180

PIN

SN: 50001-UP

4шт.

29

419-22-11432

GEAR,SIDE

SN: 50001-UP

2шт.

30

419-22-11631

WASHER

SN: 50001-UP

2шт.

31

419-22-11421

PINION

SN: 50001-UP

4шт.

32

419-22-11651

WASHER

SN: 50001-UP

4шт.

33

419-22-11412

SHAFT

SN: 50001-UP

1шт.

34

01010-61240

BOLT

SN: 50001-UP

20шт.

35

01643-31232

WASHER

SN: 50001-UP

20шт.

36

419-22-21160

CARRIER

SN: 50001-UP

2шт.

37

419-22-11850

BEARING

SN: 50001-UP

2шт.

38

419-33-11430

RING

SN: 50001-UP

2шт.

39

419-22-21460

SHIM¤ 0.05MM

SN: 50001-UP

6шт.

|39

419-22-21470

SHIM¤ 0.2MM

SN: 50001-UP

3шт.

|39

419-22-21480

SHIM¤ 0.3MM

SN: 50001-UP

3шт.

|39

419-22-21490

SHIM¤ 0.8MM

SN: 50001-UP

2шт.

40

01010-61240

BOLT

SN: 50001-UP

16шт.

41

01643-31232

WASHER

SN: 50001-UP

16шт.

42

419-22-23120

COVER

SN: 50001-UP

1шт.

43

04020-01228

PIN,DOWEL

SN: 50001-UP

2шт.

44

01010-61240

BOLT

SN: 50001-UP

20шт.

45

01643-31232

WASHER

SN: 50001-UP

20шт.

Выбрано товаров: 56