Запчасти Komatsu WA300-3CS ТРАНСМИССИЯ (НАСОС ТРАНСМИССИИ И ТРУБЫ) (/) ТРАНСМИССИЯ

Схема запчастей Komatsu WA300-3CS - ТРАНСМИССИЯ (НАСОС ТРАНСМИССИИ И ТРУБЫ) (/) ТРАНСМИССИЯ
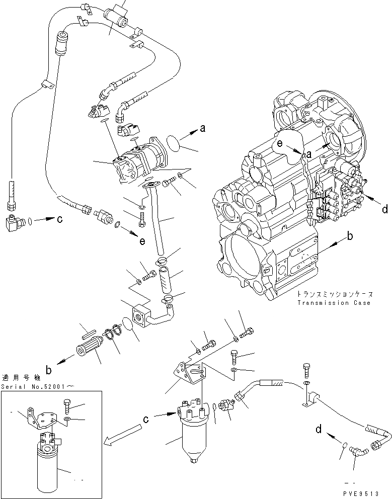
1
2
3
4
5
5
6
6
7
7
8
9
10
10
11
12
13
14
15
16
17
18
19
19
20
21
22
23
24
25
26
27
28
29
30
31
32
FIT
1:1
100%

Артикул

Название

Примечание

Количество

|$$1

SERIAL NO. IN ( ) INDICATES TRANSMISSION SERIAL NO.

-1шт.

|1

714-16-20002

TRANSMISSION ASS'Y

SN: 52131-UP

1шт.

|1

714-16-20001

TRANSMISSION ASS'Y

SN: 52001-52130

1шт.

|1

714-16-20000

TRANSMISSION ASS'Y

SN: 51001-52000

1шт.

|$$5

THESE ASSEMBLY CONSIST OF SOME FIGS. BE CAREFUL WHEN ORDERING THE PARTS.

-1шт.

1

705-51-20430

PUMP ASS'Y

SN: 51001-UP

1шт.

2

07000-02105

O-RING (K1)

SN: 51001-UP

1шт.

3

01010-81235

BOLT

SN: 51001-UP

2шт.

4

01643-31232

WASHER

SN: 51001-UP

2шт.

5

714-12-18780

SUPPORT

SN: 52001-UP

1шт.

|5

714-12-18751

SUPPORT

SN: 51001-52000

1шт.

6

01010-81035

BOLT

SN: 51001-UP

4шт.

7

01643-31032

WASHER

SN: 51001-UP

4шт.

8

01010-81235

BOLT

SN: 51001-UP

3шт.

9

01643-31232

WASHER

SN: 51001-UP

1шт.

10

714-07-28702

FILTER ASS'Y

SN: (86956)-UP

1шт.

|10

714-07-28701

FILTER ASS'Y

SN: (86092)-(86955)

1шт.

|10

714-07-28700

FILTER ASS'Y

SN: 52001-(86091)

1шт.

|10

419-15-14800

FILTER ASS'Y

SN: 51001-52000

1шт.

|10

714-07-28712

CARTRIDGE

SN: (86956)-UP

1шт.

|10

714-07-28711

CARTRIDGE

SN: (86092)-(86955)

1шт.

|10

714-07-28710

CARTRIDGE ASS'Y

SN: 52001-(86091)

1шт.

|11

419-15-14510

STRAINER ASS'Y

SN: 51001-UP

1шт.

11

419-15-14650

STRAINER

SN: 51001-UP

1шт.

12

419-15-14661

SPRING,SUPPORT

SN: (83799)-UP

1шт.

|12

419-15-14660

SPRING,SUPPORT

SN: 51001-(83798)

1шт.

13

417-15-14660

MAGNET

SN: (86701)-UP

4шт.

|13

417-15-14660

MAGNET

SN: 51001-(86700)

5шт.

14

714-12-18141

FLANGE

SN: (83555)-UP

1шт.

|14

714-12-18140

FLANGE

SN: 51001-(83554)

1шт.

15

07000-02085

O-RING (K1)

SN: 51001-UP

1шт.

16

01010-81080

BOLT

SN: 51001-UP

4шт.

17

01643-31032

WASHER

SN: 51001-UP

4шт.

18

419-15-14752

HOSE

SN: 51001-UP

1шт.

19

07281-00489

CLAMP

SN: 51001-UP

2шт.

20

714-13-18152

TUBE

SN: (84413)-UP

1шт.

|20

714-13-18151

TUBE

SN: (83555)-(84412)

1шт.

|20

714-13-18150

TUBE

SN: 51001-(83554)

1шт.

21

07000-03048

O-RING (K1)

SN: 51001-UP

1шт.

22

01010-81245

BOLT

SN: (84413)-UP

4шт.

|22

01010-81235

BOLT

SN: 51001-(84412)

4шт.

23

01602-21236

WASHER

SN: 51001-UP

4шт.

24

714-13-18750

COVER

SN: (84232)-UP

1шт.

|24

205-62-53780

COVER

SN: 51001-(84231)

1шт.

25

08034-20519

BAND

SN: 51001-UP

2шт.

26

714-13-18410

HOSE

SN: 51001-UP

1шт.

27

419-15-14670

ELBOW

SN: 51001-UP

1шт.

28

07002-03334

O-RING (K1)

SN: 51001-UP

1шт.

29

07235-10628

ELBOW

SN: 51001-UP

1шт.

30

07002-02434

O-RING (K1)

SN: 51001-UP

1шт.

31

01643-31232

WASHER

SN: 51001-UP

2шт.

32

01010-81270

BOLT

SN: 51001-UP

2шт.

Выбрано товаров: 52