Запчасти Komatsu WA300-3CS ТРАНСМИССИЯ (АКСЕССУАРЫ) ТРАНСМИССИЯ

Схема запчастей Komatsu WA300-3CS - ТРАНСМИССИЯ (АКСЕССУАРЫ) ТРАНСМИССИЯ
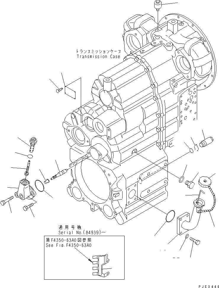
1
2
3
4
5
6
7
8
9
10
11
12
13
14
15
16
17
18
19
20
21
22
23
24
25
FIT
1:1
100%

Артикул

Название

Примечание

Количество

|$$1

SERIAL NO. IN ( ) INDICATES TRANSMISSION SERIAL NO.

-1шт.

|1

714-16-20002

TRANSMISSION ASS'Y

SN: 52131-UP

1шт.

|1

714-16-20001

TRANSMISSION ASS'Y

SN: 52001-52130

1шт.

|1

714-16-20000

TRANSMISSION ASS'Y

SN: 51001-52000

1шт.

|$$5

THESE ASSEMBLY CONSIST OF SOME FIGS. BE CAREFUL WHEN ORDERING THE PARTS.

-1шт.

1

07030-00252

BREATHER

SN: 51001-UP

1шт.

2

09608-05080

PLATE¤ NAME,(LIMITED SUPPLY)

SN: 51001-UP

1шт.

3

04418-13060

SCREW

SN: 51001-UP

4шт.

4

714-12-11351

COVER

SN: 51001-UP

1шт.

5

417-15-13432

SLEEVE

SN: 51001-UP

1шт.

6

417-15-13460

BUSHING

SN: 51001-UP

1шт.

7

417-15-13522

GEAR¤ 21 TEETH

SN: 51001-UP

1шт.

8

714-12-14682

GEAR

SN: 51001-UP

1шт.

9

07002-02434

O-RING (K1)

SN: 51001-UP

1шт.

10

07000-02065

O-RING (K1)

SN: 51001-UP

1шт.

11

01010-81270

BOLT

SN: 51001-UP

1шт.

12

01010-81230

BOLT

SN: 51001-UP

1шт.

13

419-15-18241

PLUG

SN: 51001-UP

1шт.

14

419-15-18251

RING,SNAP

SN: 51001-UP

1шт.

15

07002-02434

O-RING (K1)

SN: 51001-UP

1шт.

16

714-16-18510

TUBE,FILLER

SN: 51001-UP

1шт.

17

419-15-14424

GAUGE

SN: 51001-UP

1шт.

18

6136-21-7190

CHAIN

SN: 51001-UP

1шт.

19

6136-21-7120

CAP ASS'Y

SN: 51001-UP

1шт.

|19

6136-21-7180

GASKET

SN: 51001-UP

1шт.

20

07000-02065

O-RING (K1)

SN: 51001-UP

1шт.

21

01010-81040

BOLT

SN: 51001-UP

4шт.

22

01643-31032

WASHER

SN: 51001-UP

4шт.

23

419-15-18220

PLUG

SN: 51001-UP

1шт.

24

07005-02216

GASKET (K1)

SN: 51001-UP

1шт.

25

714-11-16880

PLATE

SN: (84939)-UP

1шт.

Выбрано товаров: 31