Запчасти Komatsu WA300L-3 ПОЛ Э/ПРОВОДКА КАБИНА ОПЕРАТОРА И СИСТЕМА УПРАВЛЕНИЯ

Схема запчастей Komatsu WA300L-3 - ПОЛ Э/ПРОВОДКА КАБИНА ОПЕРАТОРА И СИСТЕМА УПРАВЛЕНИЯ
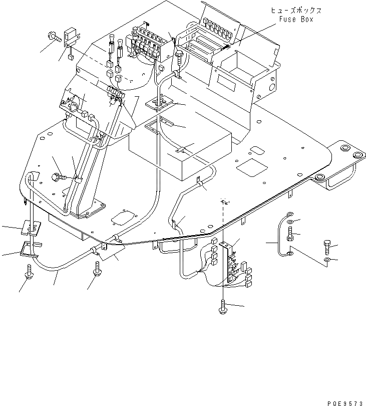
1
2
3
4
5
6
7
8
9
9
10
11
11
11
11
11
12
12
13
14
15
16
17
17
18
18
FIT
1:1
100%

Артикул

Название

Примечание

Количество

1

419-06-22551

WIRING HARNESS

SN: 53001-UP

1шт.

1

08020-10000

DIODE

SN: 53001-UP

5шт.

1

08034-20519

BAND

SN: 53001-UP

64шт.

2

416-06-21210

CONTROLLER

SN: 53001-UP

1шт.

3

01435-00610

BOLT

SN: 53001-UP

2шт.

4

419-06-22690

WIRING HARNESS

SN: 53001-UP

1шт.

5

421-06-22940

BRACKET

SN: 53001-UP

1шт.

6

01435-01016

BOLT

SN: 53001-UP

2шт.

7

421-06-22520

SHEET

SN: 53001-UP

1шт.

8

421-06-22540

SHEET

SN: 53001-UP

1шт.

9

419-06-22530

PLATE

SN: 53001-UP

2шт.

10

01435-00610

BOLT

SN: 53001-UP

4шт.

11

08036-02514

CLIP

SN: 53001-UP

6шт.

12

01435-01016

BOLT

SN: 53001-UP

6шт.

13

08036-03014

CLIP

SN: 53001-UP

5шт.

14

01435-01016

BOLT

SN: 53001-UP

5шт.

15

08034-20519

BAND

SN: 53001-UP

2шт.

16

08028-12045

CABLE

SN: 53001-UP

1шт.

17

01010-81016

BOLT

SN: 53001-UP

2шт.

18

01643-31032

WASHER

SN: 53001-UP

2шт.

Выбрано товаров: 0