Запчасти Komatsu WA300L-3 КОРПУС АККУМУЛЯТОРА (КОРПУС)(№-) ЭЛЕКТРИКА

Схема запчастей Komatsu WA300L-3 - КОРПУС АККУМУЛЯТОРА (КОРПУС)(№-) ЭЛЕКТРИКА
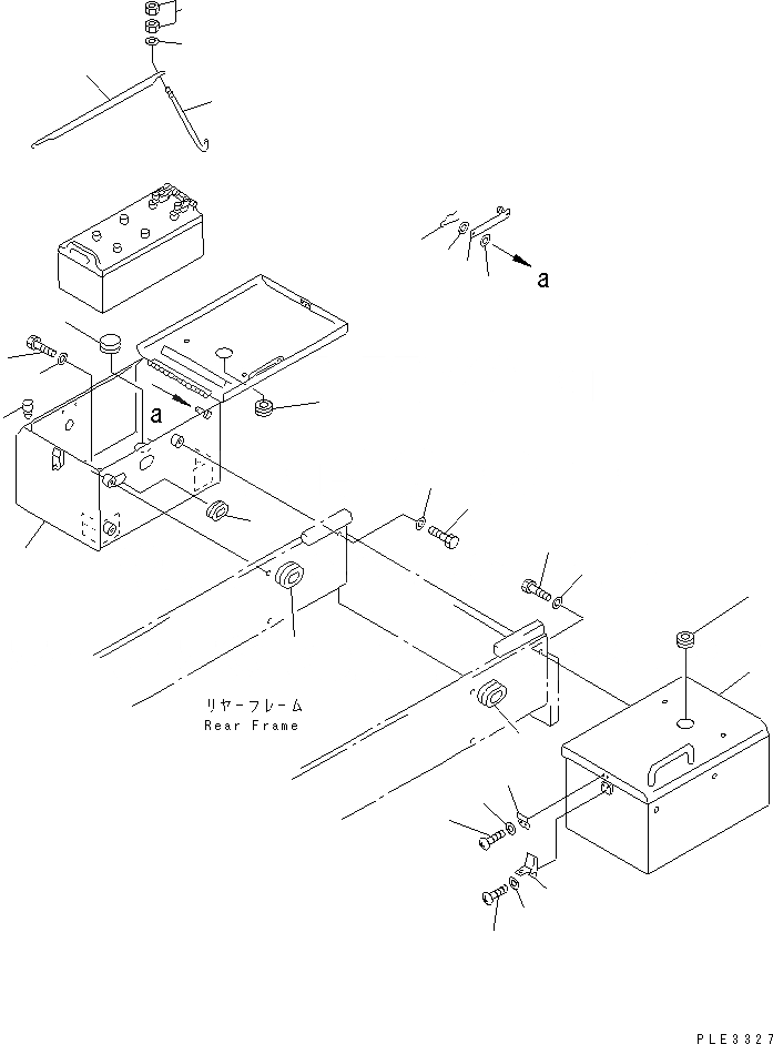
1
2
3
3
4
4
5
6
6
6
7
8
8
9
10
11
11
12
13
14
15
16
17
18
18
19
20
21
21
FIT
1:1
100%

Артикул

Название

Примечание

Количество

1

419-06-24160

BOX,BATTERY, L.H.

SN: 54001-UP

1шт.

2

419-06-24170

BOX,BATTERY, R.H.

SN: 54001-UP

1шт.

3

08037-03614

GROMMET

SN: 54001-UP

2шт.

4

01010-81640

BOLT

SN: 53001-UP

2шт.

5

01010-81665

BOLT

SN: 53001-UP

4шт.

6

01643-31645

WASHER

SN: 53001-UP

6шт.

7

421-06-24230

BAR

SN: 53001-UP

2шт.

8

01641-20812

WASHER

SN: 53001-UP

4шт.

9

04052-10833

PIN,SNAP

SN: 53001-UP

2шт.

10

415-54-11980

CUSHION

SN: 53001-UP

4шт.

11

419-09-11450

GROMMET

SN: 53001-UP

2шт.

12

426-09-11230

GROMMET

SN: 53001-UP

2шт.

13

09415-02520

CAP

SN: 53001-UP

2шт.

14

421-06-11221

HOLDER

SN: 53001-UP

2шт.

15

113-06-31120

BOLT

SN: 53001-UP

4шт.

16

01580-11008

NUT

SN: 53001-UP

8шт.

17

01643-31032

WASHER

SN: 53001-UP

4шт.

18

421-09-12322

HOLDER

SN: 53001-UP

2шт.

19

01220-40408

SCREW

SN: 53001-UP

6шт.

20

01220-40410

SCREW

SN: 53001-UP

4шт.

21

01641-20405

WASHER

SN: 53001-UP

10шт.

Выбрано товаров: 21