Запчасти Komatsu WA300L-3 ДВИГАТЕЛЬ (Э/ПРОВОДКА ДВИГАТЕЛЯ И УПРАВЛ-Е КОРПУС)(№-) КОМПОНЕНТЫ ДВИГАТЕЛЯ

Схема запчастей Komatsu WA300L-3 - ДВИГАТЕЛЬ (Э/ПРОВОДКА ДВИГАТЕЛЯ И УПРАВЛ-Е КОРПУС)(№-) КОМПОНЕНТЫ ДВИГАТЕЛЯ
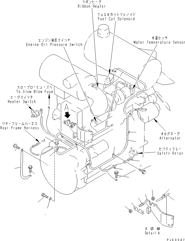
1
1
2
2
2
2
2
3
3
4
5
5
5
6
7
8
9
10
11
12
13
13
14
15
16
FIT
1:1
100%

Артикул

Название

Примечание

Количество

1

419-06-22581

WIRING HARNESS

SN: 53001-54000

1шт.

1

08020-10000

DIODE

SN: 53001-@

2шт.

2

08036-01814

CLIP

SN: 53001-54000

6шт.

3

08052-11911

CLIP

SN: 53001-54000

2шт.

4

01435-01216

BOLT

SN: 53001-54000

1шт.

5

08034-20519

BAND

SN: 53001-@

3шт.

6

08036-02514

CLIP

SN: 53001-54000

1шт.

7

01010-80816

BOLT

SN: 53001-54000

1шт.

8

01643-30823

WASHER

SN: 53001-54000

1шт.

9

01435-01220

BOLT

SN: 53001-54000

1шт.

10

419-43-21180

BRACKET

SN: 53001-@

1шт.

11

417-43-21130

PLATE

SN: 53001-@

1шт.

12

424-43-11240

CUSHION

SN: 53001-@

2шт.

13

01584-00605

NUT

SN: 53001-@

4шт.

14

417-06-12420

WIRE

SN: 53001-@

1шт.

15

01435-01020

BOLT

SN: 53001-@

1шт.

16

01435-01220

BOLT

SN: 53001-@

1шт.

Выбрано товаров: 17