Запчасти Komatsu WA320-1 ЭЛЕКТРИКА (КОНСОЛЬН. БЛОК¤ ЛЕВ.)(№-) КОМПОНЕНТЫ ДВИГАТЕЛЯ И ЭЛЕКТРИКА

Схема запчастей Komatsu WA320-1 - ЭЛЕКТРИКА (КОНСОЛЬН. БЛОК¤ ЛЕВ.)(№-) КОМПОНЕНТЫ ДВИГАТЕЛЯ И ЭЛЕКТРИКА
FIT
1:1
100%

Артикул

Название

Примечание

Количество

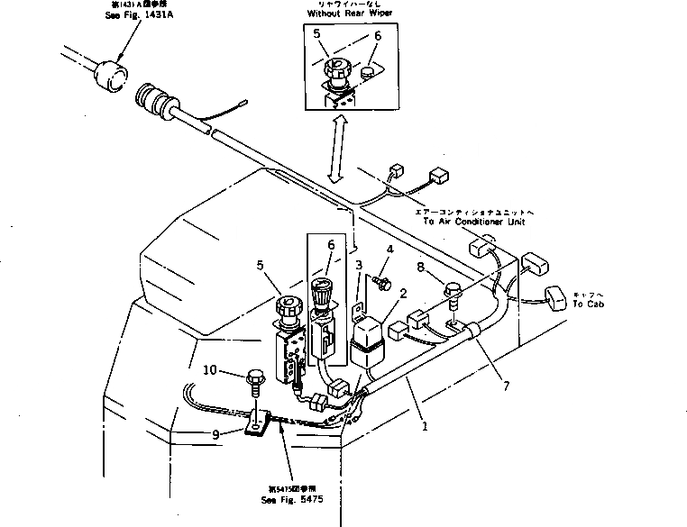
1

421-06-12581

WIRE ASS'Y,(WA320-1M)

SN: 20001-UP

1шт.

1

425-963-1511

WIRE ASS'Y,(WA320-1M)

SN: 10128-19999

1шт.

1

421-06-12581

WIRE ASS'Y,(WA320-1P)

SN: 20001-UP

1шт.

1

425-963-1511

WIRE ASS'Y,(WA320-1P)

SN: 10144-19999

1шт.

2

421-06-11940

RELAY,(WITH AIR CONDITIONER)

SN: 10001-UP

1шт.

3

287-06-16420

BRACKET

SN: 10001-UP

1шт.

4

01435-00612

BOLT

SN: 20001-UP

1шт.

5

421-06-16141

SWITCH,WIPER, FRONT

SN: 10001-UP

1шт.

5

421-09-11550

TERMINAL

SN: 10001-UP

5шт.

5

421-09-11560

CONNECTOR

SN: 10001-UP

1шт.

6

421-06-16150

SWITCH,WIPER, REAR

SN: 10001-UP

1шт.

6

09415-00506

CAP,(WITHOUT REAR WIPER)

SN: 10001-UP

1шт.

7

08036-01414

CLIP

SN: 10001-UP

1шт.

8

01435-01020

BOLT

SN: 20001-UP

1шт.

9

08036-10814

CLIP

SN: 10001-UP

1шт.

10

01435-01020

BOLT

SN: 20001-UP

1шт.

Выбрано товаров: 0