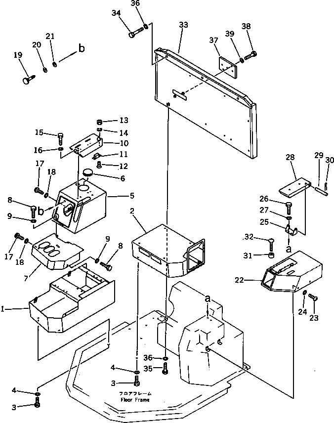
Запчасти Komatsu WA320-1 КОНСОЛЬН. БЛОК (С КОНДИЦИОНЕРОМ И ОБОГРЕВАТЕЛЬ.)(№-9999) РАМА И ЧАСТИ КОРПУСА

Схема запчастей Komatsu WA320-1 - КОНСОЛЬН. БЛОК (С КОНДИЦИОНЕРОМ И ОБОГРЕВАТЕЛЬ.)(№-9999) РАМА И ЧАСТИ КОРПУСА
FIT
1:1
100%

Артикул

Название

Примечание

Количество

1

419-54-12643

BOX

SN: 10001-19999

1шт.

2

419-54-12244

BOX

SN: 10001-19999

1шт.

3

01010-51225

BOLT

SN: 10001-19999

8шт.

4

01643-31232

WASHER

SN: 10001-19999

8шт.

5

419-54-12653

BOX

SN: 10001-@

1шт.

6

419-54-12280

COVER,(WITHOUT ODOMETER)

SN: 10001-@

1шт.

7

419-54-12332

COVER

SN: 10001-@

1шт.

8

01010-50816

BOLT

SN: 10001-@

5шт.

9

01643-30823

WASHER

SN: 10001-@

5шт.

10

419-54-12682

BRACKET

SN: 10001-@

1шт.

11

09452-06506

CATCHER

SN: 10001-@

1шт.

12

01224-40412

SCREW

SN: 10001-@

2шт.

13

01580-00403

NUT

SN: 10001-@

2шт.

14

01601-20410

WASHER,SPRING

SN: 10001-@

2шт.

15

01010-50616

BOLT

SN: 10001-@

4шт.

16

01643-30623

WASHER

SN: 10001-@

4шт.

17

01220-70616

SCREW

SN: 10371-@

2шт.

17

423-54-12830

SCREW

SN: 10001-10370

2шт.

18

01642-40608

WASHER

SN: 10371-@

2шт.

18

423-54-12840

WASHER

SN: 10001-10370

2шт.

19

425-54-12960

SCREW

SN: 10001-@

1шт.

20

01642-20608

WASHER

SN: 10001-@

1шт.

21

01643-30623

WASHER

SN: 10001-@

1шт.

22

425-54-12671

COVER

SN: 10001-@

1шт.

23

01220-70616

SCREW

SN: 10371-@

4шт.

23

423-54-12830

SCREW

SN: 10001-10370

4шт.

24

01642-40608

WASHER

SN: 10371-@

4шт.

24

423-54-12840

WASHER

SN: 10001-10370

4шт.

25

425-54-12520

PLATE

SN: 10001-@

1шт.

26

01010-51020

BOLT

SN: 10001-@

2шт.

27

01643-31032

WASHER

SN: 10001-@

2шт.

28

425-54-12510

BRACKET

SN: 10001-@

1шт.

29

425-54-12530

SHAFT

SN: 10001-@

1шт.

30

04050-13018

PIN,COTTER

SN: 10001-@

2шт.

31

425-54-12590

STOPPER

SN: 10001-@

2шт.

32

01220-30420

SCREW

SN: 10001-@

2шт.

33

419-54-12424

COVER

SN: 10001-19999

1шт.

34

01010-51240

BOLT

SN: 10001-19999

3шт.

35

01010-51225

BOLT

SN: 10001-19999

3шт.

36

01643-31232

WASHER

SN: 10001-19999

6шт.

37

419-54-12452

PLATE

SN: 10001-@

1шт.

38

01010-51235

BOLT

SN: 10001-19999

2шт.

39

01643-31232

WASHER

SN: 10001-19999

2шт.

Выбрано товаров: 43