Запчасти Komatsu WA320-1 СИСТЕМА ROPS (EXCEPT U.S.A.)(№-9999) РАМА И ЧАСТИ КОРПУСА

Схема запчастей Komatsu WA320-1 - СИСТЕМА ROPS (EXCEPT U.S.A.)(№-9999) РАМА И ЧАСТИ КОРПУСА
FIT
1:1
100%

Артикул

Название

Примечание

Количество

|$0

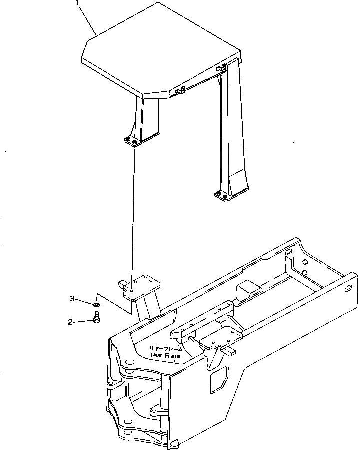
419-54-19001

ROPS CANOPY ASS'Y

SN: 10001-19999

1шт.

1

0

CANOPY,ROPS

SN: 10001-19999

1шт.

2

01010-32485

BOLT

SN: 10001-19999

10шт.

3

01643-32460

WASHER

SN: 10001-19999

10шт.

Выбрано товаров: 0