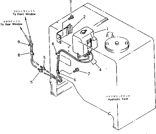
Запчасти Komatsu WA320-1 ОМЫВАТЕЛЬ СТЕКЛА(№-) РАМА И ЧАСТИ КОРПУСА

Схема запчастей Komatsu WA320-1 - ОМЫВАТЕЛЬ СТЕКЛА(№-) РАМА И ЧАСТИ КОРПУСА
FIT
1:1
100%

Артикул

Название

Примечание

Количество

1

423-947-1100

TANK ASS'Y

SN: 20001-UP

1шт.

1

423-974-1110

MOTOR,PUMP

SN: 20001-UP

1шт.

1

423-947-1120

TANK

SN: 20001-UP

1шт.

2

419-07-16121

BRACKET

SN: 20001-UP

1шт.

3

01435-01025

BOLT

SN: 20001-UP

2шт.

4

419-07-16130

HOSE

SN: 20001-UP

2шт.

5

421-07-15110

JOINT

SN: 20001-UP

2шт.

6

08036-01814

CLIP

SN: 20001-UP

2шт.

7

01435-01016

BOLT

SN: 20001-UP

2шт.

8

08036-11214

CLIP

SN: 20001-UP

1шт.

9

08034-00310

BAND

SN: 20001-UP

1шт.

Выбрано товаров: 11