Запчасти Komatsu WA320-1 ГИДРОЛИНИЯ (КЛАПАН - БАК)(№-) УПРАВЛ-Е РАБОЧИМ ОБОРУДОВАНИЕМ

Схема запчастей Komatsu WA320-1 - ГИДРОЛИНИЯ (КЛАПАН - БАК)(№-) УПРАВЛ-Е РАБОЧИМ ОБОРУДОВАНИЕМ
FIT
1:1
100%

Артикул

Название

Примечание

Количество

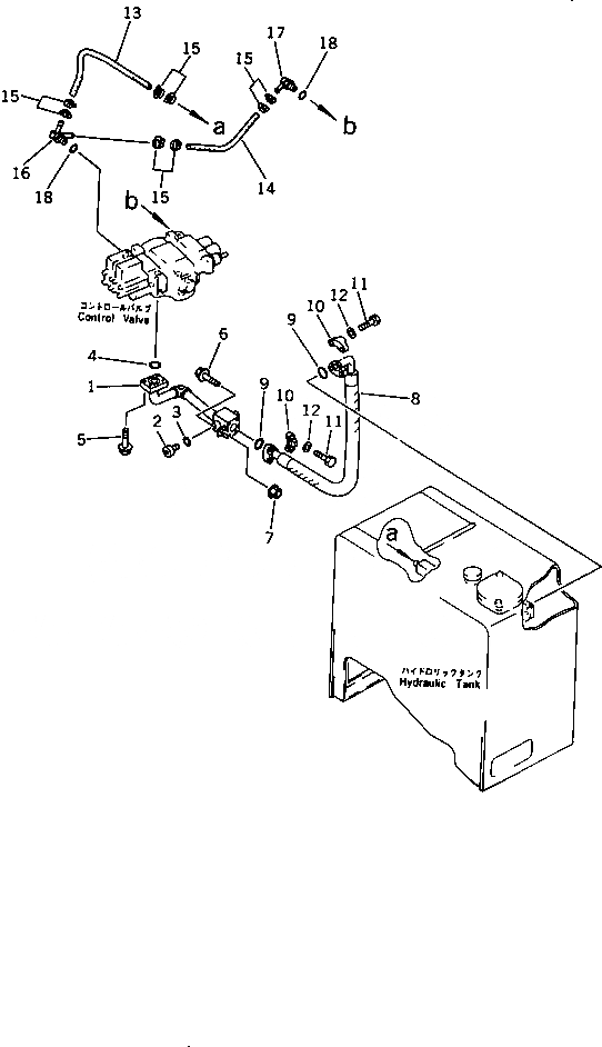
1

419-62-13550

TUBE

SN: 10001-UP

1шт.

2

07040-12414

PLUG

SN: 10001-UP

1шт.

3

07002-12434

O-RING

SN: 10001-UP

1шт.

4

07000-13035

O-RING

SN: 10001-UP

1шт.

5

01435-01040

BOLT

SN: 20001-UP

4шт.

6

01435-01025

BOLT

SN: 20001-UP

1шт.

7

01584-01008

NUT

SN: 20001-UP

1шт.

8

419-62-13180

HOSE

SN: 10001-UP

1шт.

9

07000-13038

O-RING

SN: 10001-UP

2шт.

10

07371-31255

FLANGE,SPLIT

SN: 10001-UP

4шт.

11

07372-21035

BOLT

SN: 20001-UP

8шт.

12

01643-51032

WASHER

SN: 10001-UP

8шт.

13

07260-20956

HOSE

SN: 10001-UP

1шт.

14

07260-20922

HOSE

SN: 10001-UP

1шт.

15

07281-00197

CLAMP

SN: 10001-UP

8шт.

16

419-62-13590

ELBOW

SN: 10001-UP

1шт.

17

419-62-13610

ELBOW

SN: 10001-UP

1шт.

18

07002-12434

O-RING

SN: 10001-UP

2шт.

Выбрано товаров: 18