Запчасти Komatsu WA320-1 МАРКИРОВКА (ПОРТУГАЛ.) (TBG/ABE СПЕЦ-Я.)(№-7) СПЕЦ. APPLICATION ЧАСТИ

Схема запчастей Komatsu WA320-1 - МАРКИРОВКА (ПОРТУГАЛ.) (TBG/ABE СПЕЦ-Я.)(№-7) СПЕЦ. APPLICATION ЧАСТИ
FIT
1:1
100%

Артикул

Название

Примечание

Количество

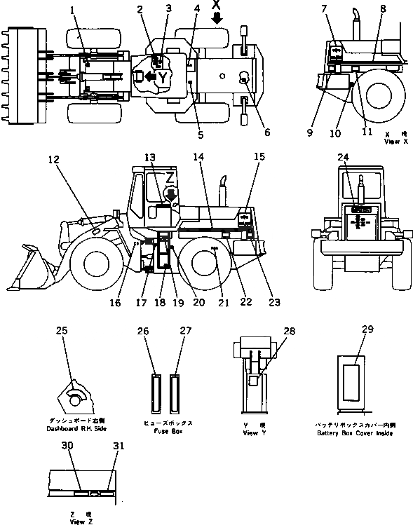
1

419-93-11930

PLATE, CAUTION,LIFTING EYE

SN: 10001-@

2шт.

2

421-93-11132

PLATE, OPERATING,LOADER CONTROL

SN: 10001-@

1шт.

3

09685-00004

PLATE, OPERATING,LOCK LEVER

SN: 10001-@

1шт.

4

419-93-11571

PLATE, CAUTION,BRAKE OIL

SN: 10001-@

1шт.

5

09653-02000

PLATE, SAFETY,HYDRAULIC TANK

SN: 20001-@

1шт.

5

09653-03000

PLATE, SAFETY,HYDRAULIC TANK

SN: 10001-19999

1шт.

6

09668-02000

PLATE, SAFETY,RADIATOR CAP

SN: 10001-@

1шт.

7

419-93-11470

PLATE, MARK

SN: 10001-20746

1шт.

8

419-93-11880

STRIPE

SN: 10001-@

1шт.

9

419-93-11950

PLATE, CAUTION,KEEP OUT

SN: 10001-@

1шт.

10

09101-02000

PLATE, CAUTION,FUEL

SN: 10001-@

1шт.

11

20T-98-22330

PLATE, SAFETY,SIDE PANEL

SN: 10001-@

1шт.

12

419-93-11950

PLATE, CAUTION,KEEP OUT

SN: 10001-@

2шт.

13

09690-50280

PLATE, MARK,KOMATSU

SN: 10001-20746

2шт.

14

419-93-11880

STRIPE

SN: 10001-@

1шт.

15

419-93-11470

PLATE, MARK

SN: 10001-20746

1шт.

16

09602-25635

PLATE, NAME,(LIMITED SUPPLY)

SN: 20001-@

1шт.

16

09602-23635

PLATE, NAME,(LIMITED SUPPLY)

SN: 10001-19999

1шт.

16

04418-13060

SCREW

SN: 10001-@

4шт.

17

362-98-11620

PLATE, CAUTION,KEEP OUT

SN: 10001-@

2шт.

18

362-98-11160

PLATE, CAUTION,FRAME LOCK

SN: 10001-@

1шт.

19

419-93-11711

CHART, OIL

SN: 20001-@

1шт.

19

419-93-11710

CHART, OIL

SN: 10001-19999

1шт.

20

419-93-11541

PLATE, CAUTION,TRANSMISSION OIL LEVEL

SN: 10001-@

1шт.

21

419-93-11930

PLATE, CAUTION,LIFTING EYE

SN: 10001-@

2шт.

22

20T-98-22330

PLATE, SAFETY,SIDE PANEL

SN: 10001-@

1шт.

23

419-93-11950

PLATE, CAUTION,KEEP OUT

SN: 10001-@

1шт.

24

09690-50400

PLATE, MARK,KOMATSU

SN: 10001-20746

1шт.

25

09683-21150

PLATE, OPERATING,MAIN SWITCH

SN: 10001-@

1шт.

26

419-93-11592

PLATE, OPERATING,FUSE

SN: 20001-@

1шт.

26

419-93-11591

PLATE, OPERATING,FUSE

SN: 10001-19999

1шт.

27

419-93-11582

PLATE, OPERATING,FUSE

SN: 20001-@

1шт.

27

419-93-11581

PLATE, OPERATING,FUSE

SN: 10001-19999

1шт.

28

419-93-11521

PLATE, SAFETY,STARTING AND AFTER OPERATING

SN: 10001-@

1шт.

29

416-93-11450

PLATE, CAUTION,BATTERY

SN: 10001-@

2шт.

30

362-98-11150

PLATE, CAUTION,STARTING AND INSPECTION

SN: 10001-@

1шт.

31

419-93-11990

PLATE, CAUTION,TRANSMISSION OIL TEMPERATURE

SN: 10001-@

1шт.

Выбрано товаров: 37