Запчасти Komatsu WA320-1 МАРКИРОВКА (АНГЛ.)(№-9999) МАРКИРОВКА¤ ИНСТРУМЕНТ И РЕМКОМПЛЕКТЫ

Схема запчастей Komatsu WA320-1 - МАРКИРОВКА (АНГЛ.)(№-9999) МАРКИРОВКА¤ ИНСТРУМЕНТ И РЕМКОМПЛЕКТЫ
FIT
1:1
100%

Артикул

Название

Примечание

Количество

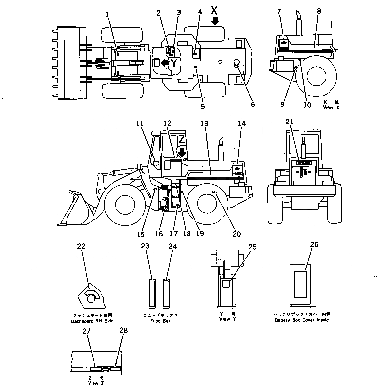
1

419-93-11680

PLATE, OPERATING,LIFTING EYE

SN: 10001-@

2шт.

2

421-93-11132

PLATE, OPERATING,BUCKET CONTROL LEVER

SN: 10001-@

1шт.

3

09685-00004

PLATE, OPERATING,LOCK LEVER

SN: 10001-@

1шт.

4

419-93-11370

PLATE, CAUTION,BRAKE OIL

SN: 10001-19999

1шт.

5

09653-03000

PLATE, SAFETY,HYDRAULIC TANK

SN: 10001-@

1шт.

6

09668-03000

PLATE, SAFETY,RADIATOR CAP

SN: 10001-@

1шт.

7

419-93-11470

PLATE, MARK

SN: 10001-@

1шт.

8

419-93-11880

STRIPE

SN: 10001-@

1шт.

9

09101-03000

PLATE, CAUTION,FUEL

SN: 10001-@

1шт.

10

362-54-27390

PLATE, CAUTION,COOLING FAN

SN: 10001-@

1шт.

11

419-93-11910

PLATE, OPERATING,MONITOR PANEL

SN: 10001-19999

1шт.

12

09690-50280

PLATE, MARK,KOMATSU

SN: 10001-@

2шт.

13

419-93-11880

STRIPE

SN: 10001-@

1шт.

14

419-93-11470

PLATE, MARK

SN: 10001-@

1шт.

15

09602-01635

PLATE, NAME,(LIMITED SUPPLY)

SN: 10001-@

1шт.

15

04418-13060

SCREW

SN: 10001-@

4шт.

16

423-93-11420

PLATE, CAUTION,KEEP OUT

SN: 10001-@

2шт.

17

362-98-12160

PLATE, CAUTION,FRAME LOCK

SN: 10001-@

1шт.

18

419-93-11480

PLATE,OIL

SN: 10001-19999

1шт.

19

419-93-11340

PLATE, CAUTION,TRANSMISSION OIL LEVEL

SN: 10001-@

1шт.

20

419-93-11680

PLATE, OPERATING,LIFTING EYE

SN: 10001-@

2шт.

21

09690-50400

PLATE, MARK,KOMATSU

SN: 10001-@

1шт.

22

09683-30150

PLATE, OPERATING,STARTING SWITCH

SN: 10001-@

1шт.

23

419-93-11390

PLATE, OPERATING,FUSE

SN: 10001-19999

1шт.

24

419-93-11380

PLATE, OPERATING,FUSE

SN: 10001-19999

1шт.

25

419-93-11320

PLATE, SAFETY,STARTING AND AFTER OPERATING

SN: 10001-@

1шт.

26

419-93-11440

PLATE, CAUTION,BATTERY

SN: 10195-@

2шт.

26

419-93-11460

PLATE, CAUTION,BATTERY

SN: 10001-10194

2шт.

27

362-98-12150

PLATE, CAUTION,STARTING AND INSPECTION

SN: 10001-@

1шт.

28

419-93-11980

PLATE, CAUTION,TRANSMISSION OIL TEMPERATURE

SN: 10001-@

1шт.

Выбрано товаров: 30