Запчасти Komatsu WA320-1 ЭЛЕКТРИКА (ЗАДН. ОСВЕЩЕНИЕ)(№-) КОМПОНЕНТЫ ДВИГАТЕЛЯ И ЭЛЕКТРИКА

Схема запчастей Komatsu WA320-1 - ЭЛЕКТРИКА (ЗАДН. ОСВЕЩЕНИЕ)(№-) КОМПОНЕНТЫ ДВИГАТЕЛЯ И ЭЛЕКТРИКА
FIT
1:1
100%

Артикул

Название

Примечание

Количество

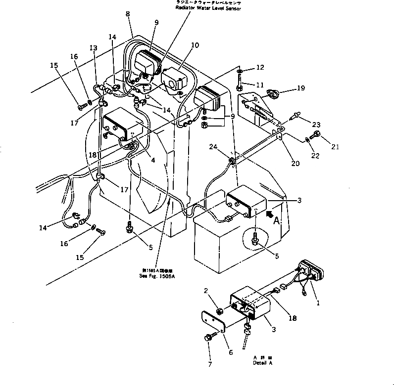
1

417-06-13510

COMBINATION LAMP A.,REAR

SN: 10001-UP

2шт.

1

417-06-13520

LENS

SN: 10001-UP

1шт.

1

08105-12420

BULB, 25W

SN: 10001-UP

1шт.

1

08104-12420

BULB, 25/10W

SN: 10001-UP

1шт.

1

08027-11310

CONNECTOR

SN: 10001-UP

1шт.

1

08031-10106

TERMINAL

SN: 10001-UP

1шт.

1

417-06-13580

HOUSING

SN: 10001-UP

1шт.

1

417-06-13570

GASKET

SN: 10001-UP

1шт.

1

417-06-13560

SCREW

SN: 10001-UP

2шт.

2

01584-00605

NUT

SN: 20001-UP

4шт.

3

419-06-13581

BRACKET,L.H.

SN: 20001-UP

1шт.

4

419-06-13591

BRACKET,R.H.

SN: 20001-UP

1шт.

5

01435-00816

BOLT

SN: 20001-UP

4шт.

6

419-06-13490

PLATE

SN: 20001-UP

2шт.

7

01435-00616

BOLT

SN: 20001-UP

6шт.

8

419-06-12342

WIRE ASS'Y

SN: 20001-UP

1шт.

9

417-06-13910

LAMP ASS'Y,WORK (WA320-1M,1P)

SN: 20008-UP

2шт.

9

22W-06-12381

LAMP ASS'Y,WORK (WA320-1M,1P)

SN: 20001-20007

2шт.

9

22W-06-12170

BULB

SN: 10001-UP

1шт.

10

08164-00000

BUZZER,BACK

SN: 10001-UP

1шт.

11

6132-11-6460

BOLT

SN: 10001-UP

2шт.

12

01643-30823

WASHER

SN: 10001-UP

2шт.

13

424-06-12122

WIRE ASS'Y

SN: 10001-UP

1шт.

14

08052-01711

CLIP

SN: 10001-UP

3шт.

15

01220-40608

SCREW

SN: 10001-UP

3шт.

16

01641-20608

WASHER

SN: 10001-UP

3шт.

17

08036-10814

CLIP

SN: 10001-UP

2шт.

18

419-06-12910

WIRE ASS'Y

SN: 20001-UP

2шт.

18

421-06-11970

DIODE

SN: 20001-UP

1шт.

19

08137-32400

LAMP ASS'Y,LICENSE

SN: 10001-UP

1шт.

19

08110-12410

BULB, 12W

SN: 10001-UP

1шт.

20

418-944-1920

BRACKET

SN: 10001-UP

1шт.

21

01010-51225

BOLT

SN: 10001-UP

2шт.

22

01643-31232

WASHER

SN: 10001-UP

2шт.

23

424-06-12940

RIVET

SN: 10001-UP

1шт.

24

08037-01008

GROMMET

SN: 10001-UP

1шт.

Выбрано товаров: 36