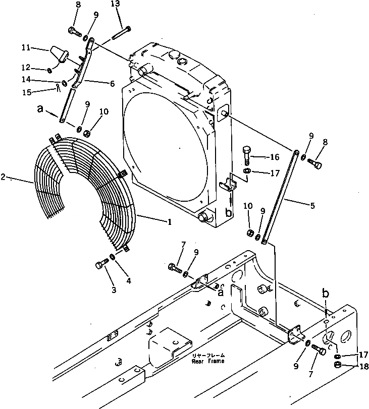
Запчасти Komatsu WA320-1 РАДИАТОР COVER(№-97) КОМПОНЕНТЫ ДВИГАТЕЛЯ И ЭЛЕКТРИКА

Схема запчастей Komatsu WA320-1 - РАДИАТОР COVER(№-97) КОМПОНЕНТЫ ДВИГАТЕЛЯ И ЭЛЕКТРИКА
FIT
1:1
100%

Артикул

Название

Примечание

Количество

1

419-03-11230

GUARD,(WA320-1M,1P)

SN: 10001-20097

1шт.

2

419-03-11240

GUARD,(WA320-1M,1P)

SN: 10001-20097

1шт.

3

01435-01020

BOLT

SN: 20001-@

5шт.

3

01010-51020

BOLT

SN: 10001-19999

5шт.

4

01643-31032

WASHER

SN: 10001-19999

5шт.

5

419-03-11250

PLATE

SN: 10001-@

1шт.

6

419-03-11261

PLATE

SN: 10001-@

1шт.

7

01010-31235

BOLT

SN: 10001-@

2шт.

8

01010-31230

BOLT

SN: 10001-@

2шт.

9

01643-31232

WASHER

SN: 10001-@

6шт.

10

01580-01210

NUT

SN: 10001-@

2шт.

11

424-54-14340

STOPPER,(WA320-1M,1P)

SN: 20059-@

1шт.

11

419-03-11290

SUPPORT,(WA320-1M,1P)

SN: 10001-20058

1шт.

12

419-03-11280

WASHER,(WA320-1M,1P)

SN: 10001-20058

1шт.

13

419-03-11270

PIN

SN: 10001-@

1шт.

14

01641-01423

WASHER

SN: 10001-@

1шт.

15

04050-05030

PIN,COTTER

SN: 10001-@

1шт.

16

01010-31650

BOLT

SN: 10001-@

2шт.

17

01643-31645

WASHER

SN: 10001-@

4шт.

18

01580-01613

NUT

SN: 10001-@

2шт.

Выбрано товаров: 20