Запчасти Komatsu WA320-1LC КОНДИЦ. ВОЗДУХА КОНДЕНСАТОР ASSEMBLY РАМА, ЧАСТИ КОРПУСА & SUPERSTRUCTURE

Схема запчастей Komatsu WA320-1LC - КОНДИЦ. ВОЗДУХА КОНДЕНСАТОР ASSEMBLY РАМА, ЧАСТИ КОРПУСА & SUPERSTRUCTURE
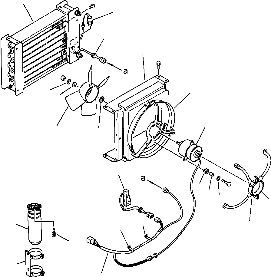
1
8
11
2
14
16
18
5
15
17
9
6
7
18
3
13
19
4
12
20
21
10
FIT
1:1
100%

Артикул

Название

Примечание

Количество

|$0

425-963-1120

CONDENSER ASSEMBLY

1шт.

1

425-963-2510

CONDENSER

1шт.

2

425-963-2520

SHROUD, FAN

1шт.

3

425-963-2530

BRACKET

1шт.

4

425-963-2540

BRACKET

1шт.

5

425-963-2550

MOTOR ASSEMBLY

1шт.

6

425-963-2560

BUSHING, RUBBER

3шт.

7

425-963-2570

BUSHING, STEEL

3шт.

8

425-963-2580

SWITCH, PRESSURE

1шт.

9

425-963-2590

RESISTOR, BLOWER

1шт.

10

425-963-2610

WIRING

1шт.

11

425-963-2620

GROMMET

1шт.

12

425-963-2630

CLAMP

2шт.

13

425-963-2640

CLAMP

1шт.

14

425-963-2650

SHROUD, FAN

1шт.

15

425-963-2670

FAN, COOLING

1шт.

16

425-963-2680

WASHER

1шт.

17

425-963-2690

RING, SPACER

1шт.

18

425-963-2710

WASHER

4шт.

19

198-911-4610

TANK, RECEIVER

1шт.

20

145-Z79-4860

BOLT, FUSE

1шт.

21

425-963-1150

HOLDER, RECEIVER

1шт.

|$22

01010-50816

BOLT

3шт.

|$23

01643-30823

WASHER

3шт.

Выбрано товаров: 24