Запчасти Komatsu WA320-1LC ГИДР. БАК. УПРАВЛ-Е РАБОЧИМ ОБОРУДОВАНИЕМ

Схема запчастей Komatsu WA320-1LC - ГИДР. БАК. УПРАВЛ-Е РАБОЧИМ ОБОРУДОВАНИЕМ
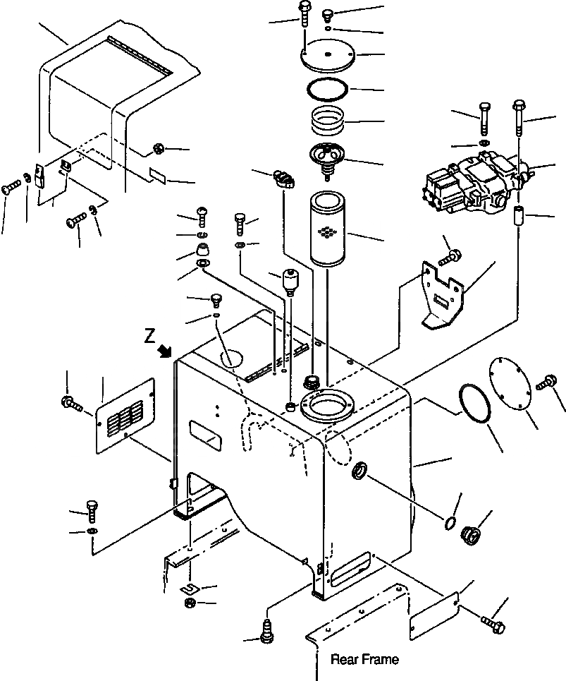
11
14
1
12
10
13
30
29
9
31
36
27
8
4
45
38
32
28
2
20
35
39
7
33
3
35
19
34
37
24
44
25
26
18
16
23
21
1
22
6
5
40
41
17
43
18
42
15
FIT
1:1
100%

Артикул

Название

Примечание

Количество

1

419-60-15118

TANK ASSEMBLY, HYDRAULIC

1шт.

2

01010-51625

BOLT

1шт.

3

01643-31645

WASHER

1шт.

4

07092-01000

CAP

1шт.

5

421-60-11622

GAUGE, SIGHT

1шт.

6

07002-05234

O-RING

1шт.

7

07063-01142

ELEMENT, FILTER

1шт.

8

195-60-16300

VALVE ASSEMBLY

1шт.

9

195-60-16330

SPRING

1шт.

10

419-60-15350

COVER

1шт.

11

424-60-15150

PLUG

1шт.

12

07000-02010

O-RING

1шт.

13

07000-05175

O-RING

1шт.

14

01435-01225

BOLT

2шт.

15

424-01-11110

PLUG

1шт.

16

419-60-15131

PLATE

1шт.

17

419-60-15141

PLATE

1шт.

18

01435-01225

BOLT

5шт.

19

419-60-15510

COVER

1шт.

20

01435-01220

BOLT

2шт.

21

419-60-15340

PLATE

1шт.

22

07000-05200

O-RING

1шт.

23

01435-01020

BOLT

6шт.

24

BREATHER ASSEMBLY (SEE PG 06-012)

-29шт.

25

07040-10807

PLUG

2шт.

26

07002-00823

O-RING

2шт.

27

CONTROL VALVE (SEE PG 06-014)

-29шт.

28

419-64-13110

SPACER

1шт.

29

01435-01280

BOLT

2шт.

30

01011-51245

BOLT

1шт.

31

01643-31232

WASHER

1шт.

32

421-09-12320

HOLDER

1шт.

33

01220-40412

SCREW

3шт.

34

01220-40406

SCREW

2шт.

35

01601-20410

WASHER, SPRING

5шт.

36

01580-10403

NUT

3шт.

37

418-60-15150

STOPPER

1шт.

38

01220-40630

SCREW

1шт.

39

01602-20619

WASHER, SPRING

1шт.

40

01010-31650

BOLT

6шт.

41

01643-31645

WASHER

12шт.

42

01580-01613

NUT

6шт.

43

418-46-12310

SHIM, 1.0mm

10шт.

44

175-54-34170

WASHER

1шт.

45

421-09-12780

STRIP, CUSHION

1шт.

N/I

419-60-15340

COVER

1шт.

N/I

419-60-15510

BRACKET

1шт.

Выбрано товаров: 47