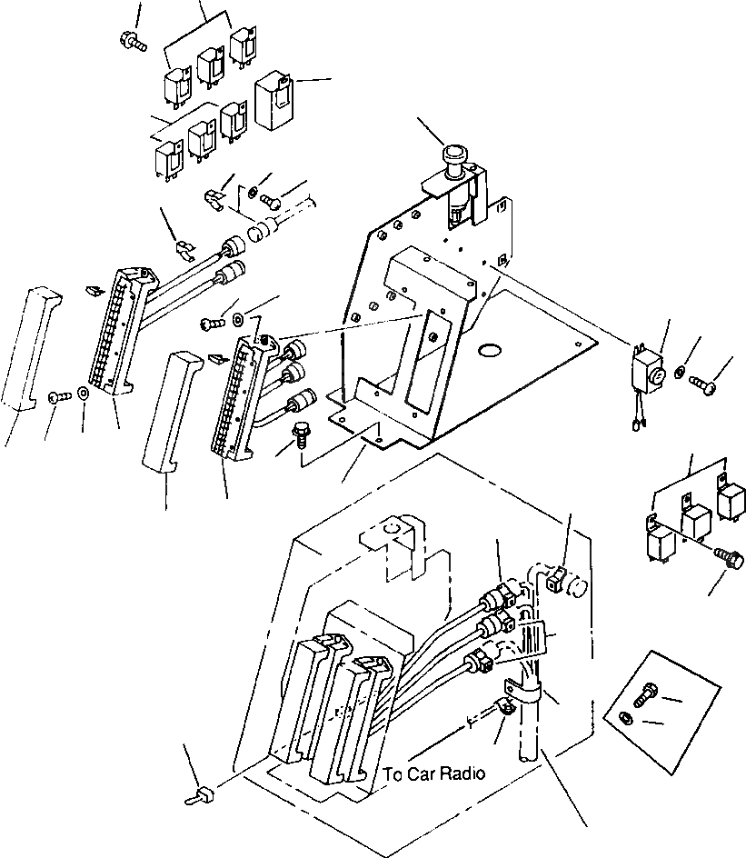
Запчасти Komatsu WA320-1LC ЭЛЕКТРИКА (RH КОНСОЛЬ) КОМПОНЕНТЫ ДВИГАТЕЛЯ & ЭЛЕКТРИКА

Схема запчастей Komatsu WA320-1LC - ЭЛЕКТРИКА (RH КОНСОЛЬ) КОМПОНЕНТЫ ДВИГАТЕЛЯ & ЭЛЕКТРИКА
4
5
3
9
4
22
19
21
19
13
12
16
18
17
11
13
6
12
2
1
20
10
15
19
7
20
15
24
23
25
8
26
14
FIT
1:1
100%

Артикул

Название

Примечание

Количество

1

419-06-11134

BOX

1шт.

2

01435-00820

BOLT

3шт.

N/I

01643-30823

WASHER

3шт.

N/I

08036-10814

CLIP

4шт.

3

22W-06-13251

FLASHER

1шт.

4

287-06-16410

RELAY

6шт.

|$6

287-06-16420

BRACKET

1шт.

5

01435-00612

BOLT

7шт.

6

421-06-11940

RELAY

3шт.

|$9

287-06-16420

BRACKET

1шт.

7

01435-00612

BOLT

3шт.

8

424-06-12240

CONNECTOR

1шт.

9

08913-02400

LIGHTER

1шт.

10

419-06-12381

BOX, FUSE

1шт.

N/I

283-06-16110

BODY

1шт.

N/I

283-06-16160

TERMINAL

30шт.

N/I

283-06-16180

FUSE - 5A

2шт.

N/I

283-06-16190

FUSE - 10A

13шт.

N/I

22W-06-13160

FUSE - 20A

4шт.

N/I

08050-12010

CONNECTOR

1шт.

N/I

08050-12200

O-RING

1шт.

N/I

08050-12300

GROMMET

1шт.

N/I

08050-12810

CONNECTOR

1шт.

N/I

08050-00400

TERMINAL

10шт.

N/I

08050-00600

PLUG

2шт.

11

419-06-12371

BOX, FUSE

1шт.

N/I

28306-16110

BODY

1шт.

N/I

22W-06-13160

FUSE - 20A

2шт.

N/I

283-06-16190

FUSE - 10A

6шт.

12

01220-40620

SCREW

4шт.

13

01641-20608

WASHER

4шт.

14

419-06-12970

WIRE ASSEMBLY (SEE PG 01-054)

-29шт.

15

283-06-16120

COVER

2шт.

16

207-06-31160

BUZZER

1шт.

17

01220-40412

SCREW

2шт.

18

01641-20405

WASHER

2шт.

19

08052-02411

CLIP

3шт.

20

08052-02711

CLIP

3шт.

21

01220-40608

SCREW

6шт.

22

01641-20608

WASHER

6шт.

23

08036-03014

CLIP

1шт.

24

01010-51016

BOLT

3шт.

25

01643-31032

WASHER

3шт.

26

08036-10614

CLIP

1шт.

Выбрано товаров: 44