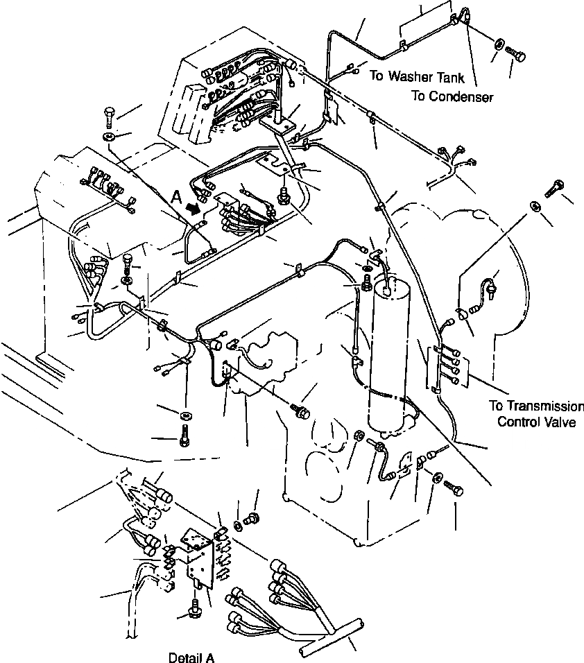
Запчасти Komatsu WA320-1LC ЭЛЕКТРИКА (ОСНОВН. ЛИНИЯ) КОМПОНЕНТЫ ДВИГАТЕЛЯ & ЭЛЕКТРИКА

Схема запчастей Komatsu WA320-1LC - ЭЛЕКТРИКА (ОСНОВН. ЛИНИЯ) КОМПОНЕНТЫ ДВИГАТЕЛЯ & ЭЛЕКТРИКА
24
3
10
9
25
9
22
22
10
23
21
20
11
22
26
32
9
27
28
10
20
10
21
12
4
9
9
20
10
21
20
28
23
28
1
8
21
27
10
33
9
2
30
3
6
18
29
5
19
7
8
31
10
17
9
2
16
34
13
14
1
15
FIT
1:1
100%

Артикул

Название

Примечание

Количество

1

WIRE ASSEMBLY

1шт.

|$124

-1шт.

|$2

(SEE FOLLOWING PAGES FOR HARNESS PARTS LIST N/I)

-1шт.

2

WIRE ASSEMBLY

1шт.

|$125

-1шт.

|$5

(SEE FOLLOWING PAGES FOR HARNESS PARTS LIST N/I)

-1шт.

3

WIRE ASSEMBLY

1шт.

|$126

-1шт.

|$8

(SEE FOLLOWING PAGES FOR HARNESS PARTS LIST N/I)

-1шт.

4

SENSOR, CONVERTER OIL TEMPERATURE (SEE PG 01-074)

-29шт.

5

SENSOR, SPEED (SEE PG 01-074)

-29шт.

6

01583-12213

NUT

1шт.

7

419-06-12470

PLATE

1шт.

8

423-06-12640

CLIP

2шт.

9

01010-51016

BOLT

15шт.

10

01643-31032

WASHER

15шт.

11

WIRE ASSEMBLY

1шт.

|$127

-1шт.

|$18

(SEE FOLLOWING PAGES FOR HARNESS PARTS LIST N/I)

-1шт.

12

419-06-12450

WIRE

1шт.

13

419-06-12213

PLATE

1шт.

N/I

08036-41814

CLIP

1шт.

14

01435-01020

BOLT

2шт.

15

08052-01911

CLIP

1шт.

16

08052-02411

CLIP

4шт.

17

08052-02411

CLIP

1шт.

18

01220-40608

SCREW

8шт.

19

01641-20608

WASHER

8шт.

20

08036-03014

CLIP

4шт.

21

08036-01814

CLIP

5шт.

22

08036-11214

CLIP

7шт.

23

08036-11210

CLIP

3шт.

24

08036-01014

CLIP

2шт.

25

419-06-12651

SEAT

1шт.

26

418-944-1420

PLATE

1шт.

27

01435-00612

BOLT

2шт.

28

08052-11711

CLIP

3шт.

29

ACCUMULATOR (SEE PG 03-050)

-29шт.

30

VALVE, BRAKE (SEE PG 03-046)

-29шт.

31

08034-00519

BAND

1шт.

32

421-06-12581

WIRE ASSEMBLY

1шт.

33

287-06-16410

RELAY

1шт.

|$42

287-06-16420

BRACKET

1шт.

34

WIRE ASSEMBLY (SEE PG 01-050)

-29шт.

1

419-06-12971

WIRE ASSEMBLY

1шт.

N/I

419-09-11380

CONNECTOR

7шт.

N/I

419-09-11390

CONNECTOR

3шт.

N/I

421-06-11970

DIODE

13шт.

N/I

421-09-11420

CONNRCTOR

17шт.

N/I

421-09-11620

CONNECTOR

6шт.

N/I

421-09-11640

CONNECTOR

2шт.

N/I

421-09-11650

TERMINAL

58шт.

N/I

421-09-11660

CONNECTOR

1шт.

N/I

421-06-11960

RESISTOR

2шт.

N/I

424-06-12220

BRACKET

1шт.

N/I

22X-06-16120

CONNECTOR

1шт.

N/I

22X-06-16130

CONNECTOR

1шт.

N/I

7861-02-9210

CONNECTOR

1шт.

N/I

7861-02-9220

CONNECTOR

2шт.

N/I

7861-02-9230

CONNECTOR

1шт.

N/I

7861-02-9240

CONNECTOR

2шт.

N/I

7861-02-9320

PLATE

4шт.

N/I

7861-02-9330

PLATE

2шт.

N/I

7861-02-9340

PLATE

4шт.

N/I

7861-02-9410

TERMINAL

50шт.

N/I

7827-10-1440

TERMINAL

4шт.

N/I

08021-00400

CONNECTOR

2шт.

N/I

08022-04001

CONNECTOR

14шт.

N/I

08027-10660

CONNECTOR

1шт.

N/I

08027-11260

CONNECTOR

4шт.

N/I

08027-11360

CONNECTOR

1шт.

N/I

08027-12000

TERMINAL

51шт.

N/I

08031-10510

TERMINAL

1шт.

N/I

08034-00519

BAND

11шт.

N/I

08050-00400

TERMINAL

19шт.

N/I

08050-00500

TERMINAL

62шт.

N/I

08050-00600

PLUG

15шт.

N/I

08050-02810

CONNECTOR

3шт.

N/I

08050-03810

CONNECTOR

1шт.

N/I

08050-04010

CONNECTOR

1шт.

N/I

08050-04110

CONNECTOR

1шт.

N/I

08050-04200

O-RING

1шт.

N/I

08050-04300

GROMMET

2шт.

N/I

08050-04710

CONNECTOR

1шт.

N/I

08050-08010

CONNECTOR

1шт.

N/I

08050-08110

CONNECTOR

1шт.

N/I

08050-08200

O-RING

1шт.

N/I

08050-08300

GROMMET

2шт.

N/I

08050-08710

CONNECTOR

2шт.

N/I

08050-08810

CONNECTOR

1шт.

N/I

08050-12010

CONNECTOR

1шт.

N/I

08050-12110

CONNECTOR

4шт.

N/I

08050-12120

CONNECTOR

1шт.

N/I

08050-12200

O-RING

1шт.

N/I

08050-12300

GROMMET

6шт.

N/I

08050-12710

CONNECTOR

2шт.

N/I

421-06-19410

CABLE

1шт.

2

419-06-12860

WIRE ASSEMBLY

1шт.

N/I

08050-08010

CONNECTOR

1шт.

N/I

08050-08300

GROMMET

1шт.

N/I

08050-00600

PLUG

1шт.

N/I

08050-08200

O-RING

1шт.

N/I

08050-04810

CONNECTOR

1шт.

N/I

421-06-11970

DIODE

7шт.

N/I

421-09-11420

CONNECTOR

7шт.

N/I

421-09-11650

TERMINAL

14шт.

N/I

08050-00400

TERMINAL

7шт.

N/I

08050-02810

CONNECTOR

6шт.

N/I

08034-00519

BAND

4шт.

N/I

08024-01910

TAPE

1шт.

3

419-06-12333

WIRE ASSEMBLY

1шт.

N/I

421-06-11970

DIODE

1шт.

N/I

421-09-11420

CONNECTOR

1шт.

N/I

421-09-11650

TERMINAL

2шт.

N/I

08027-11260

CONNECTOR

2шт.

N/I

08034-00519

BAND

1шт.

N/I

08050-08110

BODY

1шт.

N/I

08050-08300

GROMMET

1шт.

N/I

08050-00500

TERMINAL

5шт.

N/I

08050-00600

PLUG

3шт.

11

424-06-12811

WIRE ASSEMBLY

1шт.

N/I

08021-00400

CONNECTOR

2шт.

N/I

08031-10210

TERMINAL

1шт.

Выбрано товаров: 123