Запчасти Komatsu WA320-1LC ЭЛЕКТРИКА (ЗАДН. ОСВЕЩЕНИЕ) КОМПОНЕНТЫ ДВИГАТЕЛЯ & ЭЛЕКТРИКА

Схема запчастей Komatsu WA320-1LC - ЭЛЕКТРИКА (ЗАДН. ОСВЕЩЕНИЕ) КОМПОНЕНТЫ ДВИГАТЕЛЯ & ЭЛЕКТРИКА
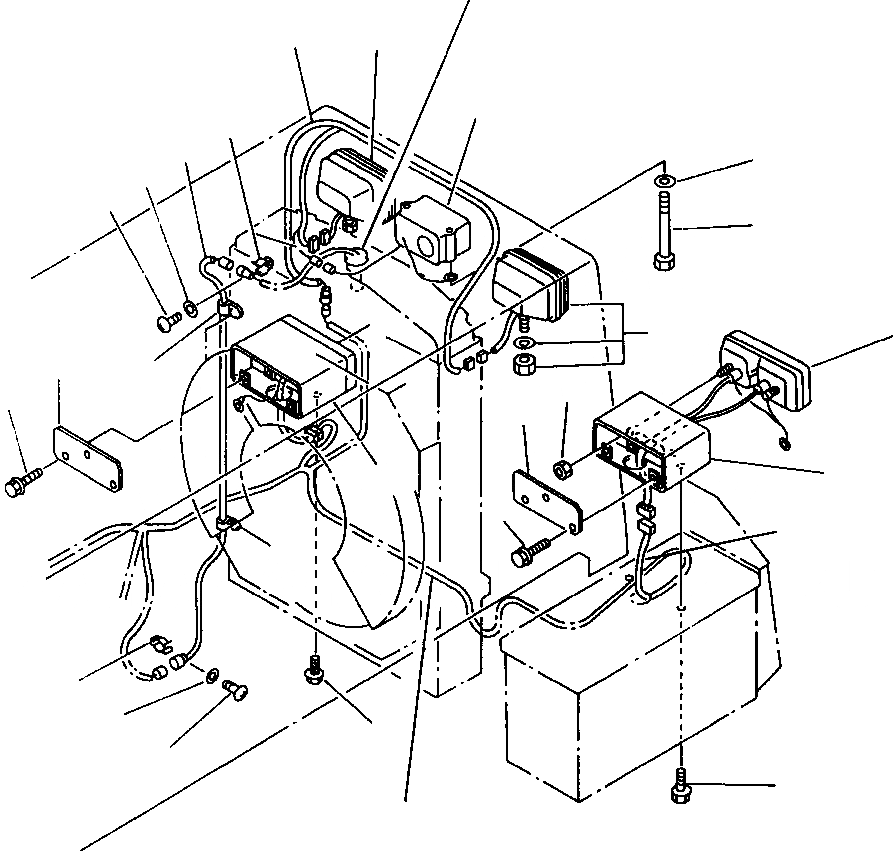
20
8
9
10
14
13
12
16
15
11
1
9
1
17
6
2
7
6
4
3
7
18
17
16
5
15
5
19
14
FIT
1:1
100%

Артикул

Название

Примечание

Количество

1

LAMP, COMBINATION - REAR (SEE PG 01-070)

-29шт.

2

01584-00605

NUT

4шт.

3

419-06-13581

BRACKET - L.H

1шт.

4

419-06-13591

BRACKET - R.H

1шт.

5

01435-00816

BOLT

4шт.

6

419-06-13490

PLATE

2шт.

7

01435-00616

BOLT

6шт.

8

419-06-12342

WIRE ASSEMBLY

1шт.

N/I

08050-03810

CONNECTOR

1шт.

N/I

08031-10210

TERMINAL

1шт.

N/I

08027-11260

CONNECTOR

2шт.

N/I

08022-04001

CONNECTOR

1шт.

9

417-06-13910

LAMP ASSEMBLY, REAR WORK

2шт.

|$13

22W-06-12170

BULB - 70W

1шт.

10

08164-00000

ALARM, BACK-UP

1шт.

11

6132-11-6460

BOLT

2шт.

12

01643-30823

WASHER

2шт.

13

424-06-12122

WIRE ASSEMBLY

1шт.

N/I

08050-00500

TERMINAL

2шт.

N/I

08050-02110

CONNECTOR

1шт.

N/I

08050-00400

TERMINAL

2шт.

N/I

08050-02010

CONNECTOR

1шт.

N/I

08050-02200

O-RING

1шт.

14

08052-01711

CLIP

2шт.

15

01220-40608

SCREW

2шт.

16

01641-20608

WASHER

2шт.

17

08036-10814

CLIP

4шт.

18

419-06-12910

HARNESS, WIRING - REAR LAMP

2шт.

N/I

421-06-11970

DIODE

4шт.

N/I

421-09-11420

CONNECTOR

2шт.

N/I

421-09-11650

TERMINAL

4шт.

N/I

08027-00610

CONNECTOR

1шт.

N/I

08027-01000

TERMINAL

5шт.

N/I

08027-11360

CONNECTOR

1шт.

N/I

08031-10106

TERMINAL

1шт.

N/I

08034-00519

BAND

2шт.

19

HARNESS, MAIN WIRING (SEE PG 01-064)

-29шт.

20

SENSOR, RADIATOR WATER LEVEL (SEE PG 01-074)

-29шт.

Выбрано товаров: 38