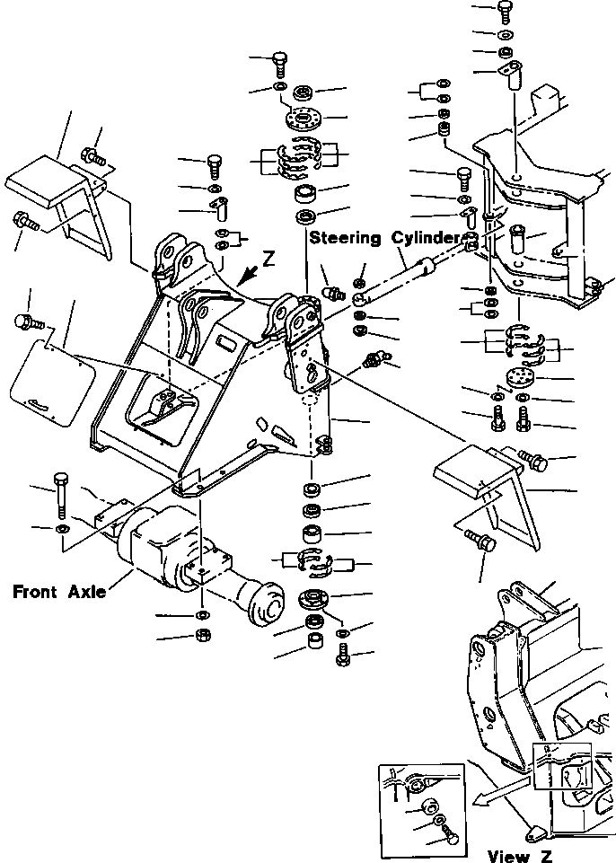
Запчасти Komatsu WA320-1LC ПЕРЕДН. РАМА РАМА, ЧАСТИ КОРПУСА & SUPERSTRUCTURE

Схема запчастей Komatsu WA320-1LC - ПЕРЕДН. РАМА РАМА, ЧАСТИ КОРПУСА & SUPERSTRUCTURE
11
12
10
21
6
9
8
7
45
4
34
47
33
5
31
5
37
3
32
38
8
30
36
28
27
46
40
34
39
28
29
23
23
2
22
26
26
24
1
25
47
19
41
44
18
42
13
15
1
46
14
42
17
18
43
16
20
49
51
50
48
35
15
35
FIT
1:1
100%

Артикул

Название

Примечание

Количество

1

419-46-11410

FRAME, FRONT

1шт.

2

07020-00675

FITTING, GREASE

1шт.

3

419-46-11360

BEARING

1шт.

4

419-46-11350

RETAINER

1шт.

5

421-46-11371

SHIM, 0.1mm

10шт.

|$5

421-46-11381

SHIM, 0.5mm

4шт.

6

01010-51230

BOLT

10шт.

7

01643-31232

WASHER

10шт.

8

419-09-11110

SEAL, DUST

2шт.

9

419-46-11330

PIN

1шт.

10

419-46-11340

BUSHING

1шт.

11

01010-51640

BOLT

1шт.

12

421-70-11280

WASHER

1шт.

13

419-46-11281

BEARING

1шт.

14

419-46-11200

RETAINER

1шт.

15

419-46-11250

SHIM, 0.1mm

8шт.

|$16

419-46-11260

SHIM, 0.5mm

2шт.

|$17

419-46-11270

SHIM, 1.0mm

4шт.

16

01010-51240

BOLT

6шт.

17

01643-31232

WASHER

6шт.

18

419-46-11230

SEAL, DUST

2шт.

19

419-46-11170

SPACER

1шт.

20

419-46-11180

SPACER

1шт.

21

419-46-11160

SHAFT

1шт.

22

419-46-11190

SUPPORT

1шт.

23

419-46-11211

SHIM, 0.1mm

8шт.

|$26

419-46-11221

SHIM, 0.5mm

6шт.

24

01010-51245

BOLT

6шт.

25

01010-51265

BOLT

3шт.

26

01643-31232

WASHER

9шт.

27

07020-00675

FITTING, GREASE

2шт.

28

419-09-11120

SEAL, DUST

4шт.

29

419-46-12250

SPACER

2шт.

30

419-46-12240

PIN

2шт.

31

01010-51220

BOLT

2шт.

32

175-54-34170

WASHER

2шт.

33

419-46-12270

BUSHING

2шт.

34

419-09-11120

SEAL, DUST

4шт.

35

419-46-12290

SHIM, 0.5mm

4шт.

|$39

419-46-12280

SHIM, 1.0mm

8шт.

36

419-46-12260

PIN

2шт.

37

01010-51220

BOLT

2шт.

38

175-54-34170

WASHER

2шт.

39

419-46-11140

COVER, FRONT

1шт.

40

01435-01225

BOLT

4шт.

41

01011-32445

BOLT

8шт.

42

01643-32460

WASHER

16шт.

43

01580-02419

NUT

8шт.

44

419-54-11524

FENDER, FRONT LH

1шт.

45

419-54-11514

FENDER, FRONT RH

1шт.

46

01435-01225

BOLT

4шт.

47

01435-01230

BOLT

2шт.

48

419-46-12290

SHIM, 0.5mm

2шт.

|$53

419-46-12280

SHIM, 1.0mm

4шт.

49

419-46-11210

BUMPER

2шт.

50

01010-51225

BOLT

2шт.

51

01643-31232

WASHER

2шт.

Выбрано товаров: 57