Запчасти Komatsu WA320-1LC КОНСОЛЬН. БЛОК (БЕЗ КОНДИЦ. ВОЗДУХА ИЛИ ОБОГРЕВАТЕЛЬ.) РАМА, ЧАСТИ КОРПУСА & SUPERSTRUCTURE

Схема запчастей Komatsu WA320-1LC - КОНСОЛЬН. БЛОК (БЕЗ КОНДИЦ. ВОЗДУХА ИЛИ ОБОГРЕВАТЕЛЬ.) РАМА, ЧАСТИ КОРПУСА & SUPERSTRUCTURE
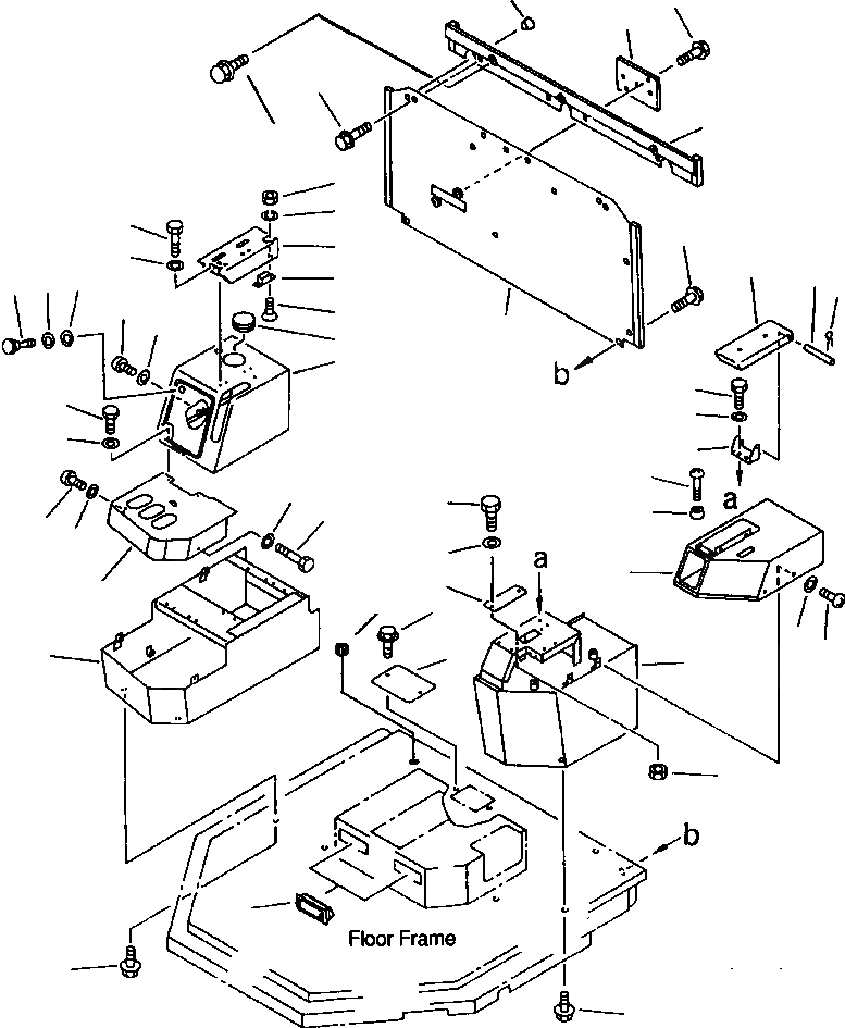
46
36
35
45
44
33
12
13
14
34
9
15
27
28
10
20
19
29
18
16
11
17
32
5
4
25
7
26
8
24
31
8
39
7
30
16
17
47
21
38
6
48
43
23
22
1
42
37
40
2
3
41
FIT
1:1
100%

Артикул

Название

Примечание

Количество

1

419-54-12644

BOX

1шт.

2

421-07-12512

GRILLE

2шт.

3

01435-01220

BOLT

4шт.

4

419-54-12653

BOX

1шт.

5

419-54-12280

CAP (WITHOUT ODOMETER)

1шт.

6

419-54-12332

COVER

1шт.

7

01010-50816

BOLT

5шт.

8

01643-30823

WASHER

5шт.

9

419-54-12682

BRACKET

1шт.

10

09452-06506

CATCHER

1шт.

11

01224-40412

SCREW

2шт.

12

01580-10403

NUT

2шт.

13

01601-20410

WASHER, SPRING

2шт.

14

01010-50616

BOLT

4шт.

15

01643-30623

WASHER

4шт.

16

01220-70612

SCREW

2шт.

17

01642-40608

WASHER

2шт.

18

425-54-12960

SCREW

1шт.

19

01642-20608

WASHER

1шт.

20

01643-30623

WASHER

1шт.

21

425-54-12671

COVER

1шт.

22

01220-70616

SCREW

4шт.

23

01642-40608

WASHER

4шт.

24

425-54-12520

PLATE

1шт.

25

01010-51020

BOLT

2шт.

26

01643-31032

WASHER

2шт.

27

425-54-12510

BRACKET

1шт.

28

425-54-12530

SHAFT

1шт.

29

04050-13018

PIN, COTTER

2шт.

30

425-54-12590

STOPPER, RUBBER

2шт.

31

01220-30420

SCREW

2шт.

32

419-54-13420

COVER

1шт.

33

01435-01240

BOLT

3шт.

34

01435-01220

BOLT

7шт.

35

419-54-12452

PLATE

1шт.

36

01435-01235

BOLT

2шт.

37

424-54-12830

BOX

1шт.

38

424-54-12820

PLATE

1шт.

39

01010-51025

BOLT

2шт.

40

01580-11008

NUT

2шт.

41

01435-01225

BOLT

3шт.

42

419-54-12260

PLATE

1шт.

43

01435-00610

BOLT

2шт.

44

419-54-13461

COVER

1шт.

45

01435-01016

BOLT

4шт.

46

07049-01215

PLUG

3шт.

47

01643-31032

WASHER

2шт.

48

09415-02512

GROMMET

1шт.

Выбрано товаров: 0