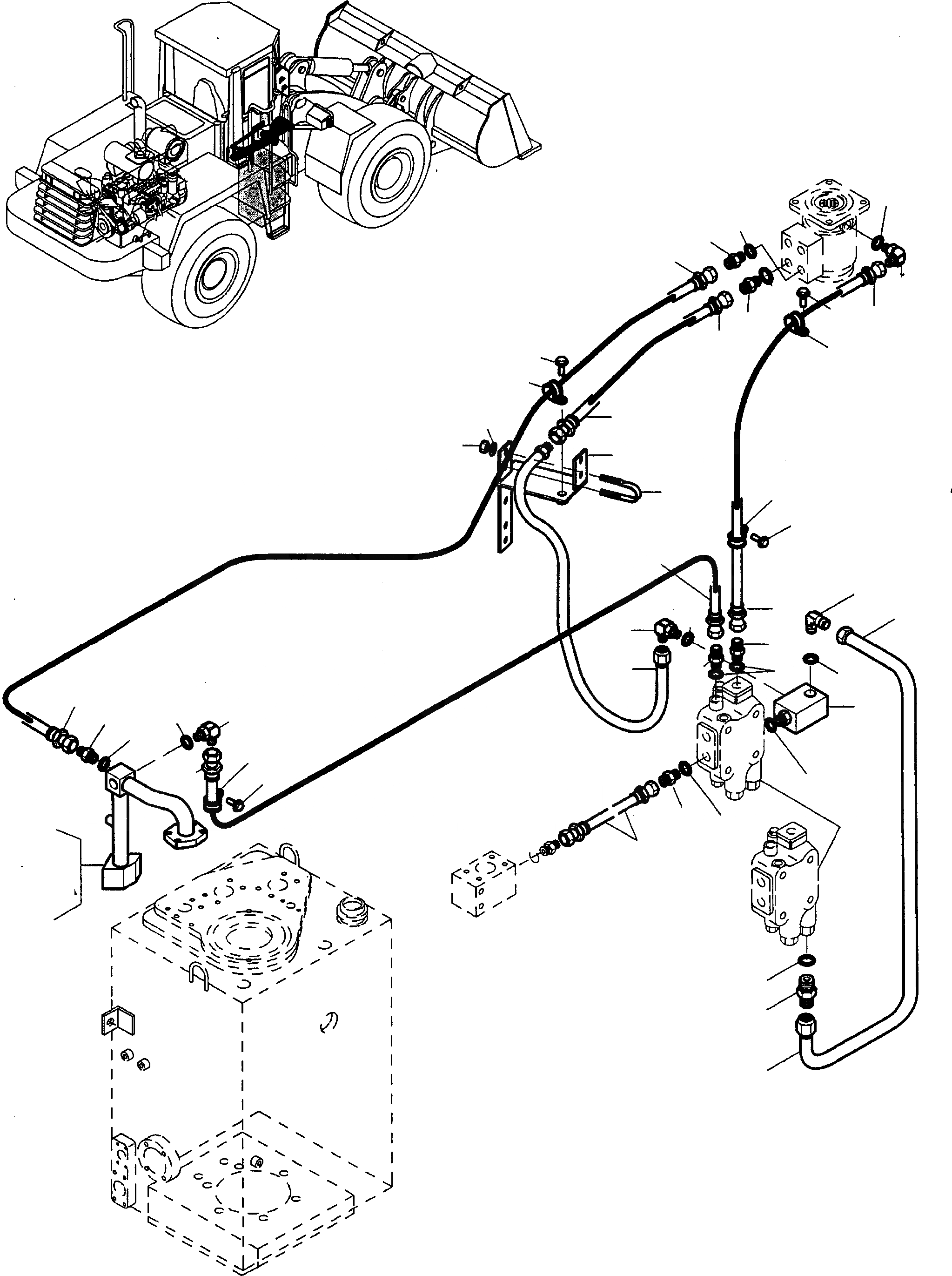
Запчасти Komatsu WA320-3 active РУЛЕВ. УПРАВЛЕНИЕ, ТРУБЫS 7 РУЛЕВ. УПРАВЛЕНИЕ

Схема запчастей Komatsu WA320-3 active - РУЛЕВ. УПРАВЛЕНИЕ, ТРУБЫS 7 РУЛЕВ. УПРАВЛЕНИЕ
21
22
20
26A
17
13
23
16
15
29
18
16
22
19
1
5
14
21
12
14
10
21
11
22
23
31
19
7
32
8
20
9
17
30
29
28
25
6
24
27
21
22
5
2
3
4
1
26
30
20
32
FIT
1:1
100%

Артикул

Название

Примечание

Количество

1

419-N24-H490

HOSE ASSEMBLY

DeutschDesc: SCHLAUCH VOLLST.

1шт.

2

419-N24-H350

ADAPTOR

DeutschDesc: ADAPTER

1шт.

3

416-62-13450

O-RING

DeutschDesc: O-RING

1шт.

4

PRIORITY VALVE

DeutschDesc: PRIORITAETSVENTIL

1шт.

|$34

PRIORITY VALVE

DeutschDesc: PRIORITAETSVENTIL

-3шт.

5

418-62-11620

O-RING

DeutschDesc: O-RING

1шт.

6

419-62-21450

TEEPIECE

DeutschDesc: T-STUECK

1шт.

7

07002-12434

O-RING

DeutschDesc: O-RING

1шт.

8

07235-10628

ELBOW NIPPLE

DeutschDesc: WINKELSTUTZEN

1шт.

9

419-62-21460

PIPE

DeutschDesc: ROHRLEITUNG

1шт.

10

419-62-21340

BRACKET

DeutschDesc: HALTER

1шт.

11

07283-22738

STIRRUP

DeutschDesc: BUEGEL

1шт.

12

01643-31032

PLAIN WASHER

DeutschDesc: UNTERLEGSCHEIBE

2шт.

13

01599-01011

NUT

DeutschDesc: MUTTER

2шт.

14

20S-970-3450

HOSE ASSEMBLY

DeutschDesc: SCHLAUCH VOLLST.

1шт.

15

419-62-21480

STUD

DeutschDesc: STUTZEN

2шт.

16

07000-12018

O-RING

DeutschDesc: O-RING

2шт.

17

416-62-11480

O-RING

DeutschDesc: O-RING

3шт.

18

416-62-11240

STUD

DeutschDesc: STUTZEN

1шт.

19

07086-00214

HOSE ASSEMBLY

DeutschDesc: SCHLAUCH VOLLST.

1шт.

20

416-62-11240

STUD

DeutschDesc: STUTZEN

3шт.

21

04434-51410

CLIP

DeutschDesc: SCHELLE

4шт.

22

01435-01016

SCREW

DeutschDesc: SCHRAUBE

4шт.

23

07102-20205

HOSE ASSEMBLY

DeutschDesc: SCHLAUCH VOLLST.

1шт.

24

07235-10210

ELBOW NIPPLE

DeutschDesc: WINKELSTUTZEN

1шт.

25

07002-01423

O-RING

DeutschDesc: O-RING

1шт.

26

419-62-H3700

PIPE

DeutschDesc: ROHRLEITUNG

1шт.

26A

NOT USED

DeutschDesc: NICHT VERWENDET

-1шт.

27

07002-02434

O-RING

DeutschDesc: O-RING

1шт.

28

07230-20522

STUD

DeutschDesc: STUTZEN

1шт.

29

07102-20509

HOSE ASSEMBLY

DeutschDesc: SCHLAUCH VOLLST.

1шт.

30

416-62-11480

O-RING

DeutschDesc: O-RING

2шт.

31

419-62-21530

ELBOW

DeutschDesc: WINKELSTUECK

1шт.

32

419-62-21540

HOSE ASSEMBLY

DeutschDesc: SCHLAUCH VOLLST.

1шт.

Выбрано товаров: 34