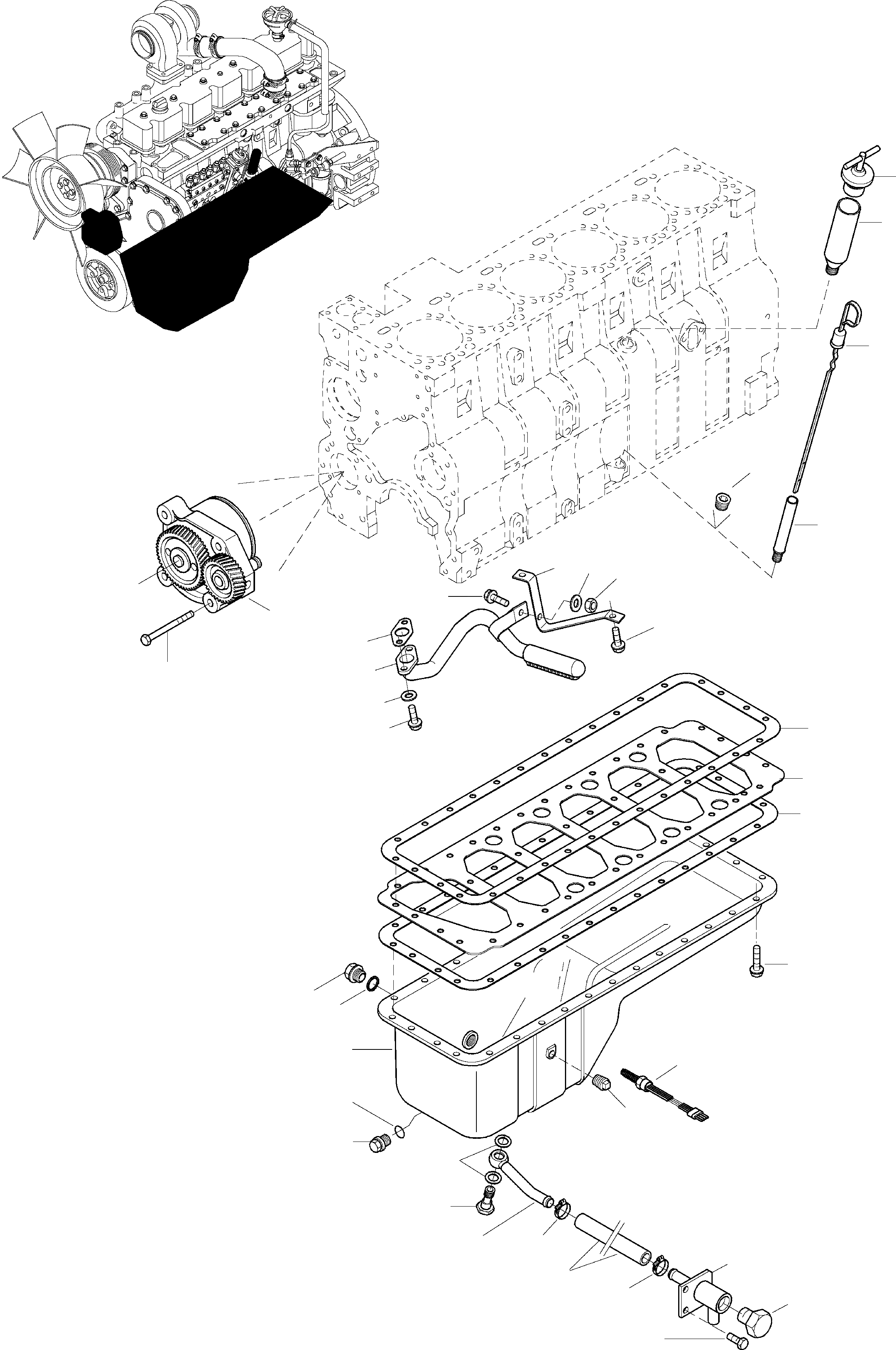
Запчасти Komatsu WA320-3 active ДВИГАТЕЛЬ СМАЗКА ДВИГАТЕЛЬ, КРЕПЛЕНИЕ ДВИГАТЕЛЯ

Схема запчастей Komatsu WA320-3 active - ДВИГАТЕЛЬ СМАЗКА ДВИГАТЕЛЬ, КРЕПЛЕНИЕ ДВИГАТЕЛЯ
31
32
29
28
30
14
5
7
6
33
6
1
2
18
4
8
3
11
34
10
16
15
9
19
12
17
13
21
20
22
23
25
24
23
26
27
FIT
1:1
100%

Артикул

Название

Примечание

Количество

1

6742-01-1000

GASKET

DeutschDesc: DICHTUNG

1шт.

2

6742-01-2620

INTAKE

DeutschDesc: EINLASSLEITUNG

1шт.

3

6742-01-2630

SCREW

DeutschDesc: SCHRAUBE

2шт.

4

6742-01-0310

DISTANCE PIECE

DeutschDesc: DISTANZSTUECK

2шт.

5

423-01-H0P01

BRACKET

DeutschDesc: HALTER

1шт.

6

6735-71-5190

SCREW

DeutschDesc: SCHRAUBE

2шт.

7

6742-01-2660

NUT

DeutschDesc: MUTTER

1шт.

8

1307596H1

GASKET

DeutschDesc: DICHTUNG

1шт.

9

424-01-H0P05

SUMP

DeutschDesc: OELWANNE

1шт.

10

6735-21-5540

SCREW

DeutschDesc: SCHRAUBE

32шт.

11

1304891H1

PLATE

DeutschDesc: PLATTE

1шт.

12

6732-21-5170

SEAL

DeutschDesc: DICHTRING

1шт.

13

6732-21-5210

PLUG

DeutschDesc: VERSCHLUSSSTOPFEN

1шт.

14

6742-01-2690

PLAIN WASHER

DeutschDesc: UNTERLEGSCHEIBE

1шт.

15

6732-21-5190

SEAL

DeutschDesc: DICHTRING

1шт.

16

6732-21-5550

PLUG

DeutschDesc: VERSCHLUSSSTOPFEN

1шт.

17

6732-21-5540

PLUG

DeutschDesc: VERSCHLUSSSTOPFEN

1шт.

18

6735-51-1120

SCREW

DeutschDesc: SCHRAUBE

4шт.

19

6732-81-3130

SENDER

DeutschDesc: GEBER

1шт.

20

07206-21518

BANJO BOLT

DeutschDesc: HOHLSCHRAUBE

1шт.

21

07005-01812

SEAL

DeutschDesc: DICHTRING

2шт.

22

419-01-11240

TUBE

DeutschDesc: ROHR

1шт.

23

07281-00359

CLIP

DeutschDesc: SCHELLE

2шт.

24

424-01-11140

HOSE

DeutschDesc: SCHLAUCH

1шт.

25

424-01-11120

DRAIN VALVE

DeutschDesc: ABLASSVENTIL

1шт.

26

424-01-11110

PLUG

DeutschDesc: VERSCHLUSSSTOPFEN

1шт.

27

01435-01025

SCREW

DeutschDesc: SCHRAUBE

2шт.

28

6732-21-5530

PLUG

DeutschDesc: VERSCHLUSSSTOPFEN

1шт.

29

6742-01-2570

OIL DIPSTICK

DeutschDesc: OELMESSSTAB

1шт.

30

6742-01-2580

TUBE

DeutschDesc: ROHR

1шт.

31

6735-21-7130

LOCKING UNIT

DeutschDesc: VERSCHLUSS

1шт.

32

6742-01-2610

FILLER

DeutschDesc: EINFUELLSTUTZEN

1шт.

33

6742-01-3700

OIL PUMP

DeutschDesc: OELPUMPE

1шт.

34

6742-01-5308

GASKET

DeutschDesc: DICHTUNG

1шт.

Выбрано товаров: 0