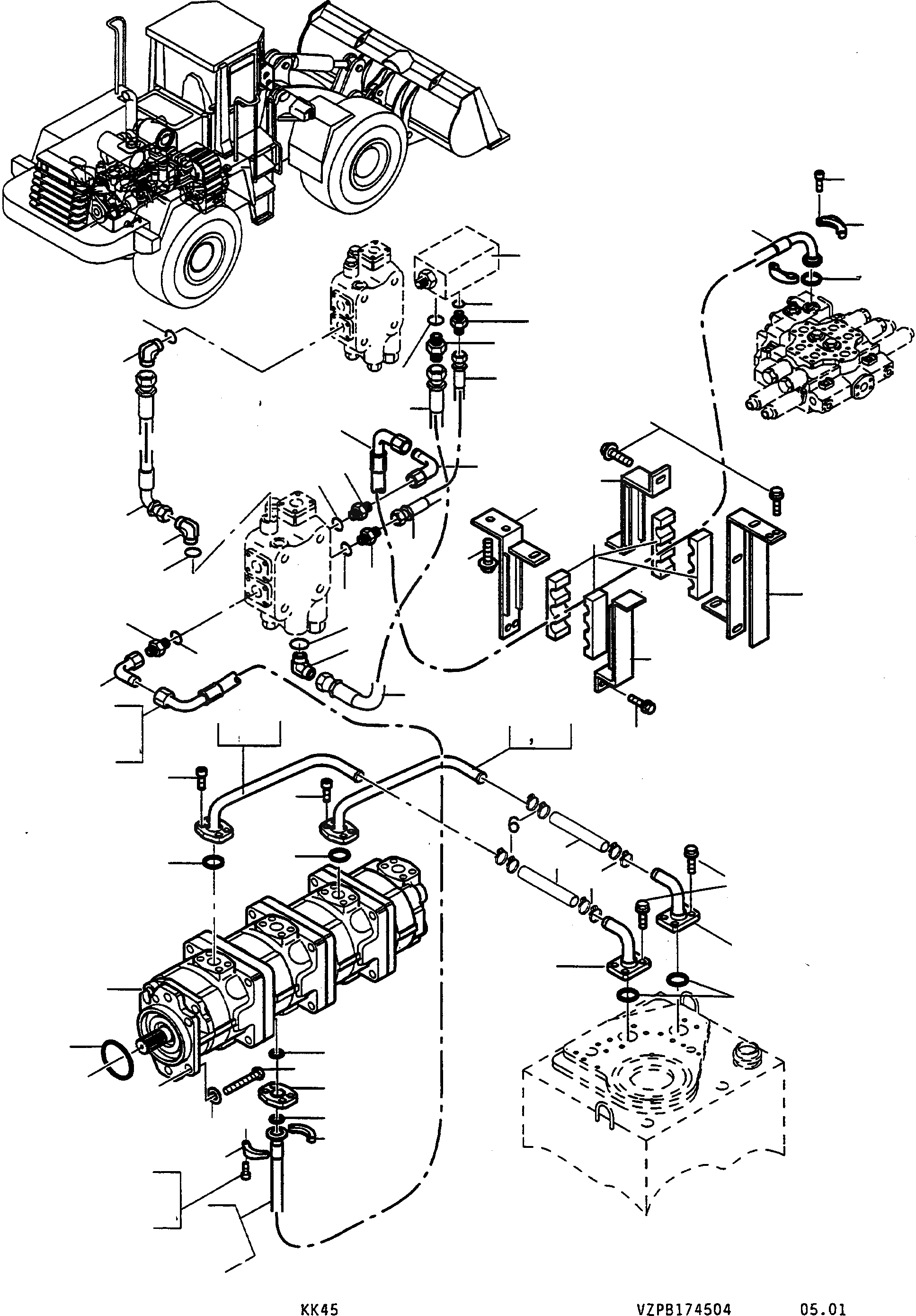
Запчасти Komatsu WA320-3 active PRESSURE ТРУБЫS - УПРАВЛЯЮЩ. КЛАПАН ГИДРАВЛИКА

Схема запчастей Komatsu WA320-3 active - PRESSURE ТРУБЫS - УПРАВЛЯЮЩ. КЛАПАН ГИДРАВЛИКА
17A
17A
16A
24
8A
7A
21
22
39
23
23
38
34
36
40
33
38
35
29
21
19
18
20
28
25
41
27
40
33
26
38
31
30
32
19
38
37
20
28
18
35
17
7
8
29
3
3
5
2
2
3
4
1
31
2
9
12
11
13
14
10
15
15
16
17
6
FIT
1:1
100%

Артикул

Название

Примечание

Количество

1

419-62-H3460

PIPE

DeutschDesc: ROHRLEITUNG

1шт.

2

419-00-H0680

O-RING

DeutschDesc: O-RING

4шт.

3

01252-71240

SCREW

DeutschDesc: SCHRAUBE

16шт.

4

419-62-H3440

PIPE

DeutschDesc: ROHRLEITUNG

1шт.

5

419-09-H1930

HOSE

EnglischBem: 22 CM

2шт.

6

07281-00709

CLIP

DeutschDesc: SCHELLE

8шт.

7

419-62-H3450

PIPE

SN: 20836

1шт.

7A

419-62-H3800

PIPE

SN: 20837-UP

1шт.

8

419-62-H3470

PIPE

SN: 20836

1шт.

8A

419-62-H3780

PIPE

SN: 20837-UP

1шт.

9

421-00-H1470

O-RING

DeutschDesc: O-RING

1шт.

10

01643-31232

PLAIN WASHER

DeutschDesc: UNTERLEGSCHEIBE

4шт.

11

01016-51240

SCREW

DeutschDesc: SCHRAUBE

4шт.

12

07000-13032

O-RING

SN: 20837-UP

1шт.

13

07373-31000

FLANGE

SN: 20837-UP

1шт.

14

421-00-H0130

O-RING

DeutschDesc: O-RING

1шт.

15

07371-31049

HALF FLANGE

DeutschDesc: HALBFLANSCH

2шт.

16

01252-71035

SCREW

DeutschDesc: SCHRAUBE

4шт.

16A

NOT USED

DeutschDesc: NICHT VERWENDET

-1шт.

17

419-09-H1860

HOSE ASSEMBLY

SN: 20836

1шт.

17A

419-09-H2350

HOSE ASSEMBLY

SN: 20837-UP

1шт.

18

421-00-H0100

ELBOW NIPPLE

DeutschDesc: WINKELSTUTZEN

2шт.

19

419-N24-H350

ADAPTOR

DeutschDesc: ADAPTER

2шт.

20

416-62-13450

O-RING

DeutschDesc: O-RING

2шт.

21

419-00-H1360

HOSE ASSEMBLY

DeutschDesc: SCHLAUCH VOLLST.

1шт.

22

07371-30638

HALF FLANGE

DeutschDesc: HALBFLANSCH

2шт.

23

419-09-H2020

O-RING

DeutschDesc: O-RING

1шт.

24

01252-71035

SCREW

DeutschDesc: SCHRAUBE

4шт.

25

419-62-23410

BRACKET

DeutschDesc: HALTER

1шт.

26

01435-01235

SCREW

DeutschDesc: SCHRAUBE

2шт.

27

419-62-H3530

RUBBER

DeutschDesc: GUMMI

2шт.

28

419-62-13751

BRACKET

DeutschDesc: HALTER

2шт.

29

01435-01225

SCREW

DeutschDesc: SCHRAUBE

4шт.

30

419-62-23110

BRACKET

DeutschDesc: HALTER

1шт.

31

HYDRAULIC PUMP

DeutschDesc: HYDRAULIKPUMPE

1шт.

|$46

HYDRAULIC PUMP

DeutschDesc: HYDRAULIKPUMPE

-3шт.

32

415-62-11560

O-RING

DeutschDesc: O-RING

1шт.

33

419-62-21440

HOSE ASSEMBLY

DeutschDesc: SCHLAUCH VOLLST.

1шт.

34

23S-60-21600

CHECK VALVE

DeutschDesc: RUECKSCHLAGVENTIL

1шт.

35

419-62-21370

HOSE ASSEMBLY

DeutschDesc: SCHLAUCH VOLLST.

1шт.

36

416-62-11490

ELBOW

DeutschDesc: WINKELSTUECK

1шт.

37

416-62-11490

ELBOW

DeutschDesc: WINKELSTUECK

1шт.

38

416-62-11480

O-RING

DeutschDesc: O-RING

4шт.

39

TEEPIECE

DeutschDesc: T-STUECK

1шт.

|$47

TEEPIECE

DeutschDesc: T-STUECK

-3шт.

40

419-62-21520

ELBOW NIPPLE

DeutschDesc: WINKELSTUTZEN

2шт.

41

419-62-21430

HOSE ASSEMBLY

DeutschDesc: SCHLAUCH VOLLST.

1шт.

Выбрано товаров: 47