Запчасти Komatsu WA320-3 active ГЕНЕРАТОР И СТАРТЕР ЭЛЕКТРИЧ. СИСТЕМА

Схема запчастей Komatsu WA320-3 active - ГЕНЕРАТОР И СТАРТЕР ЭЛЕКТРИЧ. СИСТЕМА
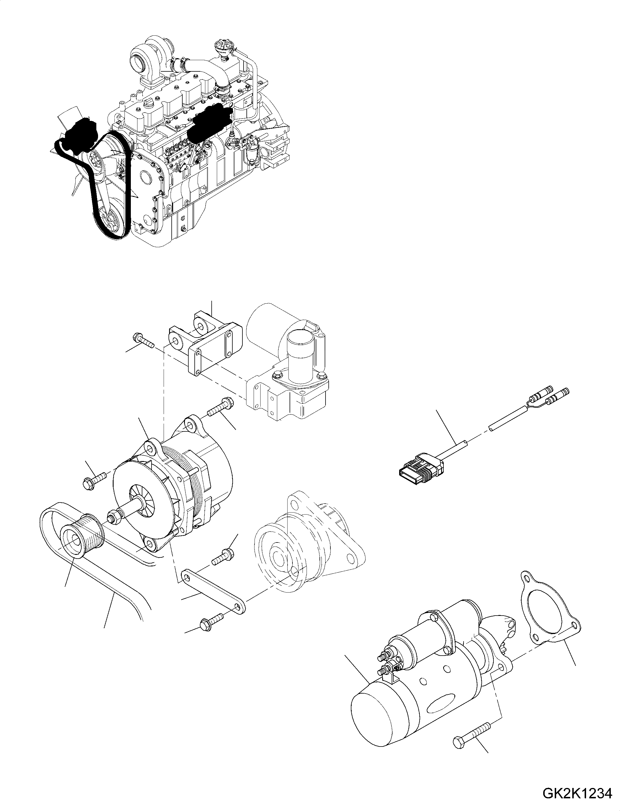
7
8
13
1
9
9
6
3
4
5
12
10
2
11
FIT
1:1
100%

Артикул

Название

Примечание

Количество

1

6742-82-6150

ALTERNATOR

DeutschDesc: LICHTM.DREHSTROM

1шт.

1

0

ALTERNATOR

DeutschDesc: LICHTM.DREHSTROM

1шт.

2

6742-01-3300

GASKET

DeutschDesc: DICHTUNG

1шт.

3

1304818H1

PULLEY

DeutschDesc: RIEMENSCHEIBE

1шт.

4

1295004H1

BRACKET

DeutschDesc: HALTER

1шт.

5

6735-51-1120

SCREW

DeutschDesc: SCHRAUBE

1шт.

6

6735-81-6130

SCREW

DeutschDesc: SCHRAUBE

1шт.

7

1295005H3

BRACKET

DeutschDesc: HALTER

1шт.

8

6732-21-5160

SCREW

DeutschDesc: SCHRAUBE

4шт.

9

6732-21-4220

SCREW

DeutschDesc: SCHRAUBE

2шт.

10

6742-01-3330

STARTERMOTOR

DeutschDesc: ANLASSER

1шт.

11

6742-01-3290

SCREW

DeutschDesc: SCHRAUBE

2шт.

12

6732-81-3470

BELT

DeutschDesc: RIEMEN

1шт.

13

CU4920029

HARNESS

DeutschDesc: HARNESS

1шт.

Выбрано товаров: 14