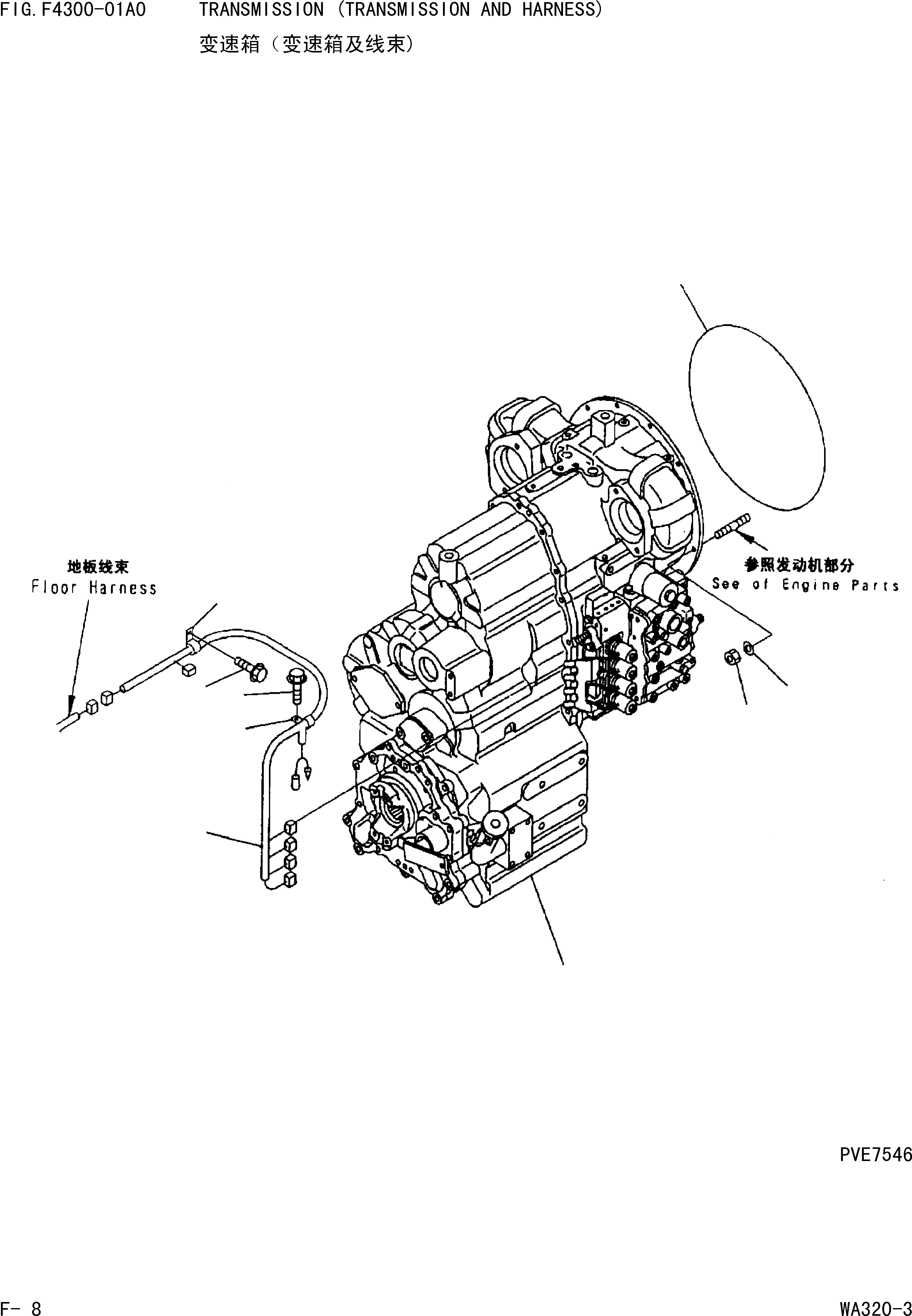
Запчасти Komatsu WA320-3 ТРАНСМИССИЯ(ТРАНСМИССИЯ И Э/ПРОВОДКА) F[ТРАНСМИССИЯ]

Схема запчастей Komatsu WA320-3 - ТРАНСМИССИЯ(ТРАНСМИССИЯ И Э/ПРОВОДКА) F[ТРАНСМИССИЯ]
5
6
1
2
3
4
4
3
7
FIT
1:1
100%

Артикул

Название

Примечание

Количество

1

714-16-Y0001

TRANSMISSION ASS'Y

Field_1: 15001-

1шт.

2

419-06-22661

WIRING HARNESS

Field_1: 15001-

1шт.

3

04434-51410

CLIP

Field_1: 15001-

2шт.

4

01435-01016

BOLT

Field_1: 15001-

2шт.

5

01582-01008

NUT

Field_1: 15001-

12шт.

6

01643-31032

WASHER

Field_1: 15001-

12шт.

7

424-13-11110

O-RING

Field_1: 15001-

1шт.

Выбрано товаров: 7