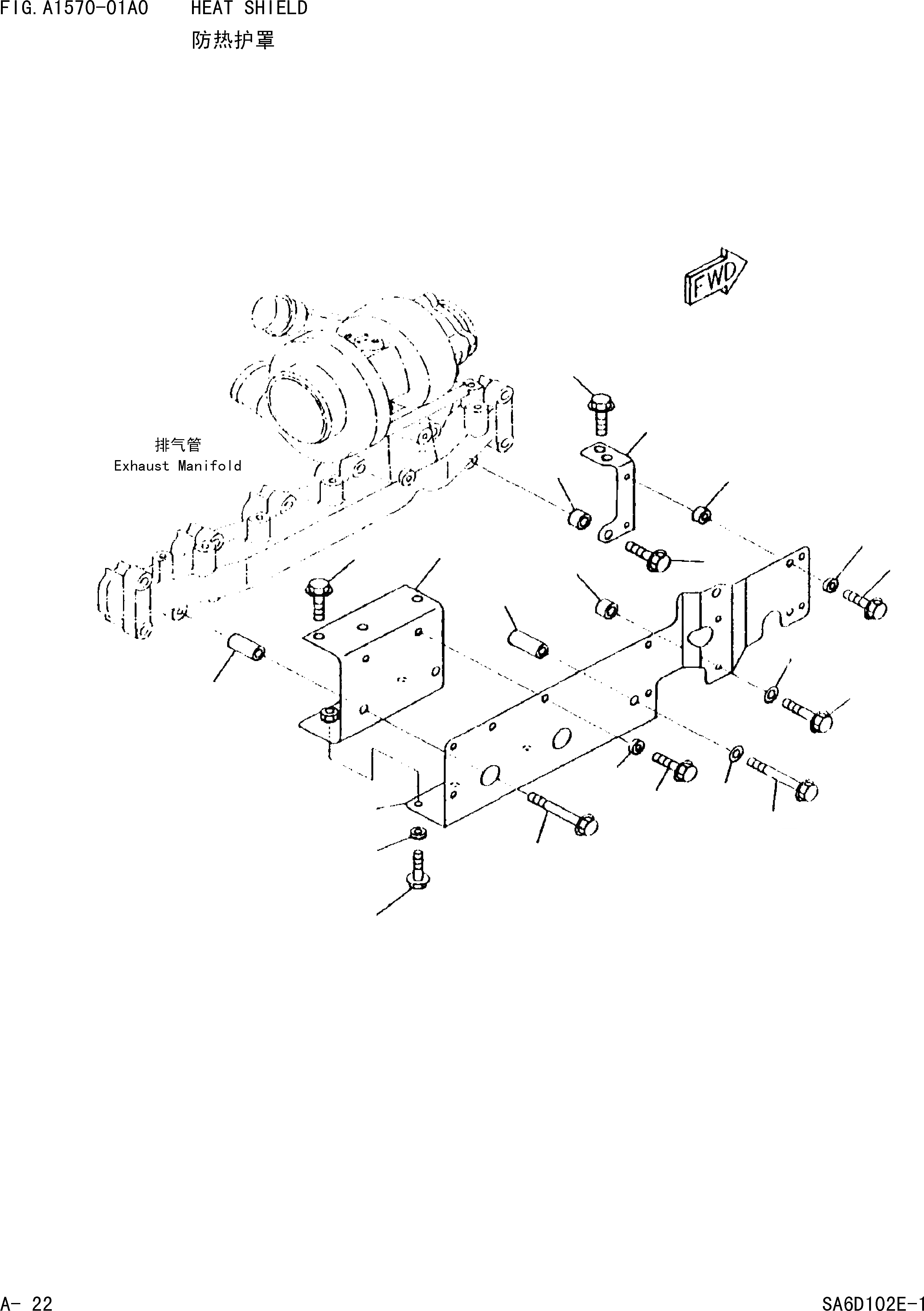
Запчасти Komatsu WA320-3 ТЕРМОЗАЩИТА ДВИГАТЕЛЬ]

Схема запчастей Komatsu WA320-3 - ТЕРМОЗАЩИТА ДВИГАТЕЛЬ]
6
5
14
17
15
13
11
16
18
12
10
18
8
17
3
8
17
7
2
4
1
9
FIT
1:1
100%

Артикул

Название

Примечание

Количество

1

6732-81-8870

BRACKET

Field_1: 26200467-

1шт.

2

6138-81-8660

SPACER

Field_1: 26200467-

2шт.

3

01435-01060

BOLT

Field_1: 26200467-

2шт.

4

01435-01020

BOLT

Field_1: 26200467-

3шт.

5

6735-81-8710

BRACKET

Field_1: 26200467-

1шт.

6

01435-01020

BOLT

Field_1: 26200467-

1шт.

7

6735-81-8130

COVER

Field_1: 26200467-

1шт.

8

01435-00820

BOLT

Field_1: 26200467-

4шт.

9

6143-11-5120

SPACER

Field_1: 26200467-

1шт.

10

01435-01065

BOLT

Field_1: 26200467-

1шт.

11

6206-11-4590

SPACER

Field_1: 26200467-

1шт.

12

01435-01030

BOLT

Field_1: 26200467-

1шт.

13

6206-11-4590

SPACER

Field_1: 26200467-

1шт.

14

6204-81-6740

SPACER

Field_1: 26200467-

2шт.

15

01435-00830

BOLT

Field_1: 26200467-

2шт.

16

01435-01040

BOLT

Field_1: 26200467-

1шт.

17

6201-81-6560

SPACER

Field_1: 26200467-

6шт.

18

01643-31032

WASHER

Field_1: 26200467-

2шт.

Выбрано товаров: 18