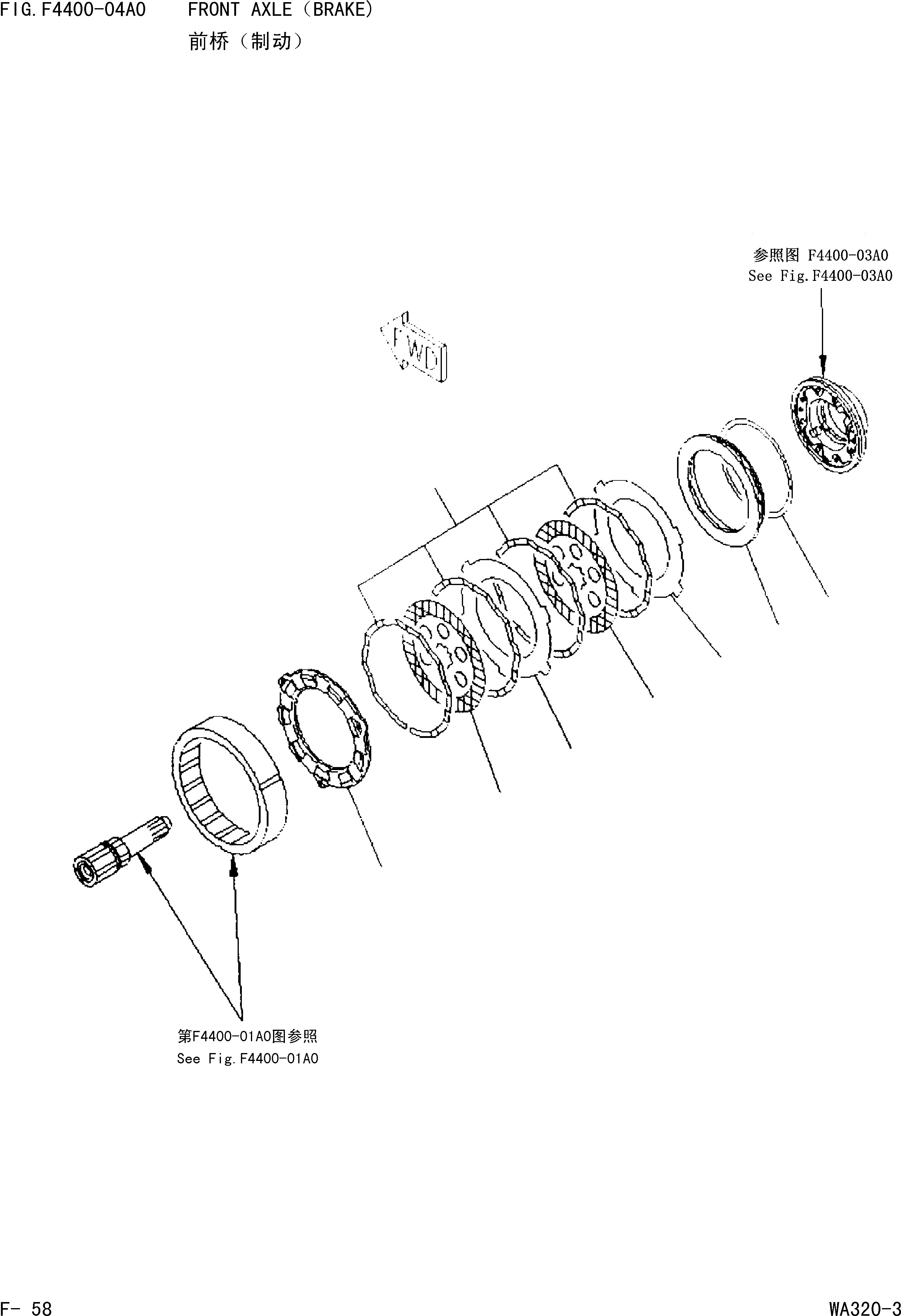
Запчасти Komatsu WA320-3 ПЕРЕДНИЙ МОСТ(ТОРМОЗ.) F[ТРАНСМИССИЯ]

Схема запчастей Komatsu WA320-3 - ПЕРЕДНИЙ МОСТ(ТОРМОЗ.) F[ТРАНСМИССИЯ]
6
1
2
5
2
5
3
4
FIT
1:1
100%

Артикул

Название

Примечание

Количество

|$0

419-22-20013

AXLE ASS'Y, FRONT THIS ASSEMBLY CONSISTS OF ALL PARTS SHOWN IN FIGS. F4400-01A0 TO F4400-03A0

Field_1: 15001-

1шт.

1

419-33-21761

PLATE

Field_1: 15001-

2шт.

2

418-33-21340

DISC

Field_1: 15001-

4шт.

3

419-33-21720

PISTON

Field_1: 15001-

2шт.

4

419-33-21420

SEAL

Field_1: 15001-

2шт.

5

419-33-21751

PLATE

Field_1: 15001-

4шт.

6

419-33-21740

SPRING

Field_1: 15001-

8шт.

Выбрано товаров: 7