Запчасти Komatsu WA320-3 ГИДР. НАСОС. H[ГИДРАВЛИКА]

Схема запчастей Komatsu WA320-3 - ГИДР. НАСОС. H[ГИДРАВЛИКА]
10
9
10
5
8
11
7
10
9
10
6
8
11
7
1
2
3
4
FIT
1:1
100%

Артикул

Название

Примечание

Количество

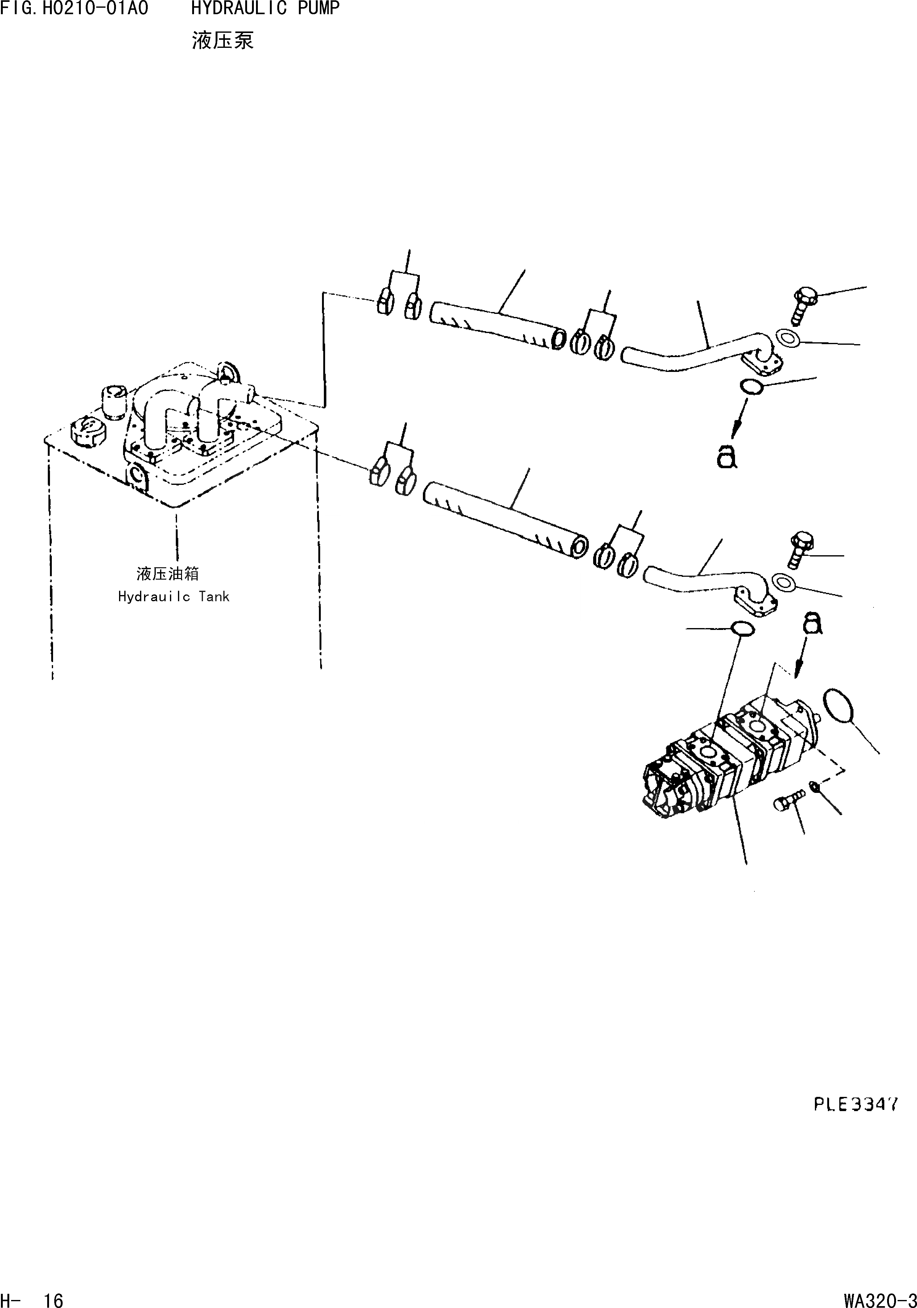
1

705-55-24130

PUMP ASS'Y

Field_1: 15001-

1шт.

2

01010-81235

BOLT

Field_1: 15001-

2шт.

3

01643-31232

WASHER

Field_1: 15001-

2шт.

4

07000-12100

O-RING

Field_1: 15001-

1шт.

5

419-62-23780

TUBE

Field_1: 15001-

1шт.

6

419-62-23770

TUBE

Field_1: 15001-

1шт.

7

07000-13048

O-RING

Field_1: 15001-

2шт.

8

01010-81235

BOLT

Field_1: 15001-

8шт.

9

07260-04722

HOSE

Field_1: 15001-

2шт.

10

07281-00709

CLAMP

Field_1: 15001-

8шт.

11

01643-51232

WASHER

Field_1: 15001-

8шт.

Выбрано товаров: 11