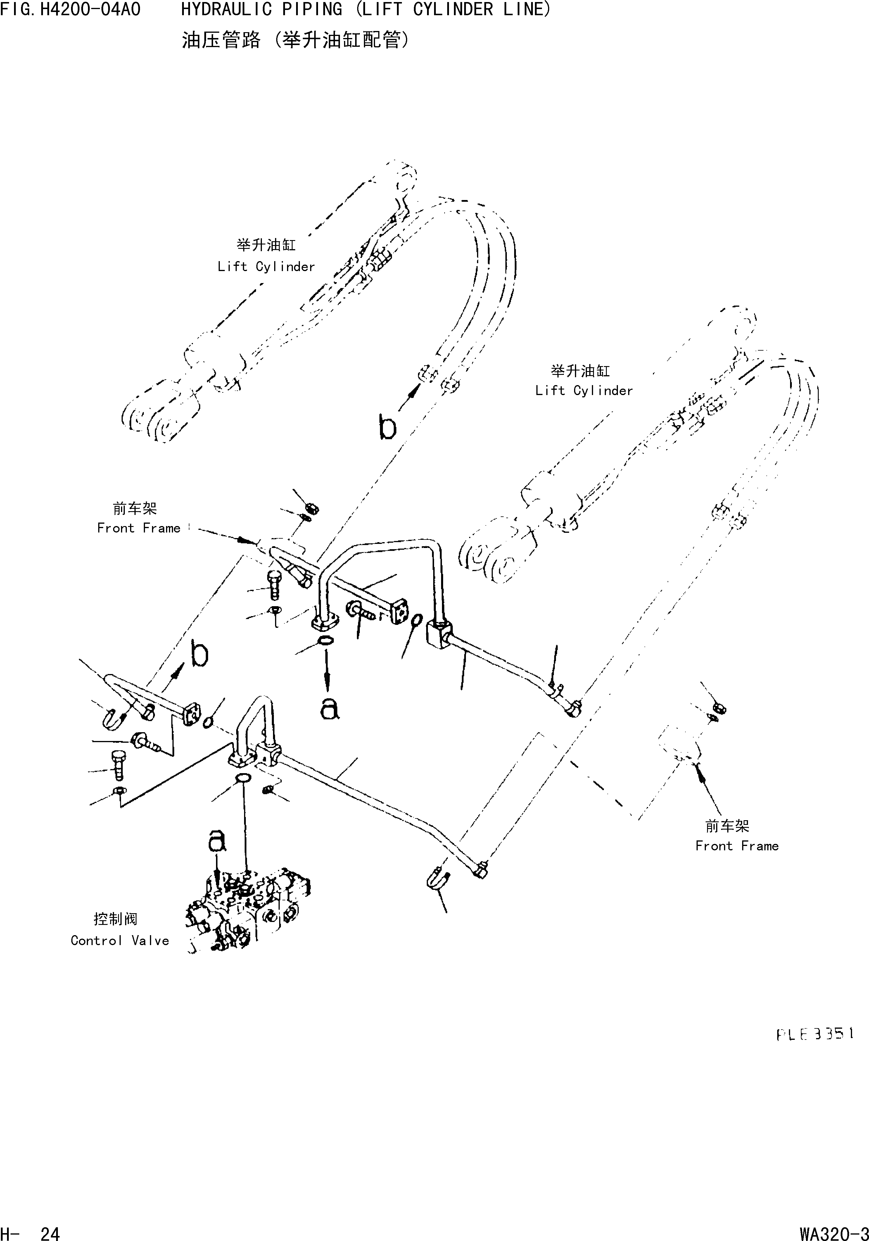
Запчасти Komatsu WA320-3 ГИДРОЛИНИЯ(ЛИНИЯ ГИДРОЦИЛИНДРА ПОДЪЕМА) H[ГИДРАВЛИКА]

Схема запчастей Komatsu WA320-3 - ГИДРОЛИНИЯ(ЛИНИЯ ГИДРОЦИЛИНДРА ПОДЪЕМА) H[ГИДРАВЛИКА]
11
12
13
3
9
10
8
1
11
2
4
9
4
6
5
13
12
7
11
10
5
6
FIT
1:1
100%

Артикул

Название

Примечание

Количество

1

419-62-23240

TUBE

Field_1: 15001-

1шт.

2

07042-70108

PLUG

Field_1: 15001-

1шт.

3

419-62-23930

TUBE

Field_1: 15001-

1шт.

4

07000-13035

O-RING

Field_1: 15001-

2шт.

5

07372-21040

BOLT

Field_1: 15001-

8шт.

6

01643-51032

WASHER

Field_1: 15001-

8шт.

7

419-62-23250

TUBE

Field_1: 15001-

1шт.

8

419-62-23940

TUBE

Field_1: 15001-

1шт.

9

07000-13030

O-RING

Field_1: 15001-

2шт.

10

01435-00830

BOLT

Field_1: 15001-

8шт.

11

07283-32738

CLIP

Field_1: 15001-

4шт.

12

01597-01009

NUT

Field_1: 15001-

8шт.

13

01643-31032

WASHER

Field_1: 15001-

8шт.

Выбрано товаров: 13